
100%
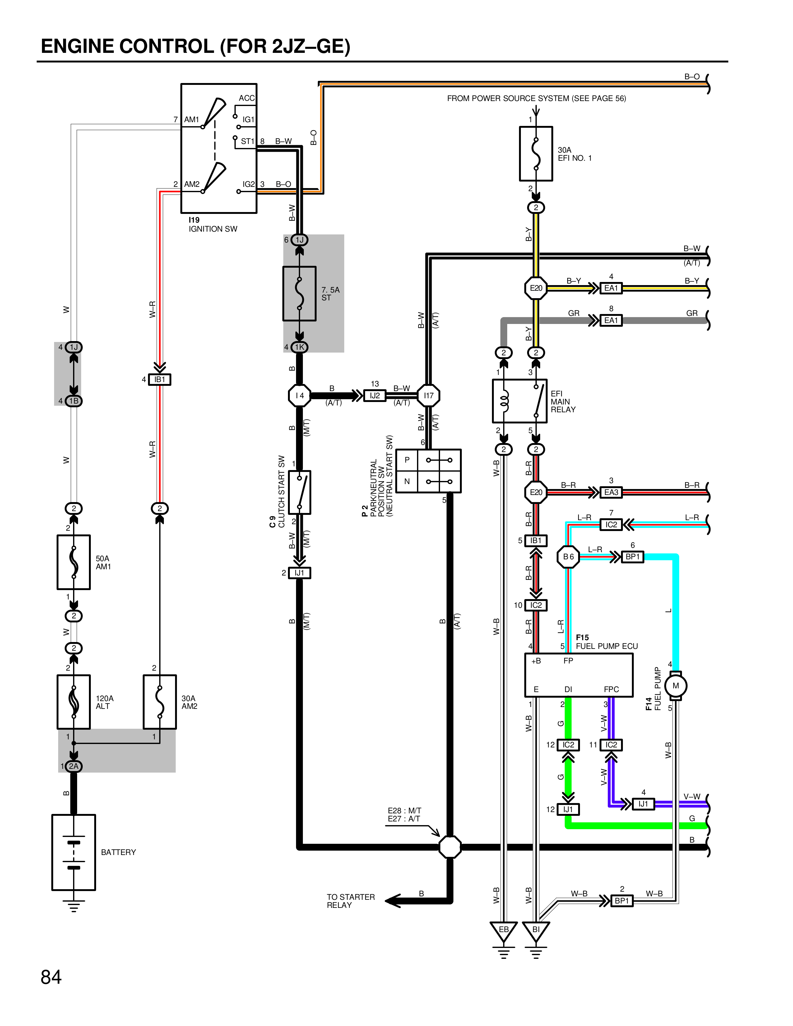
ENGINE CONTROL (FOR 2JZ-GE)
B-O
FROM POWER SOURCE SYSTEM (SEE PAGE 56)
ACC
80A
EFI NO. 1
AM1
IG1
ST1
B
B-W
B-O
AM2
IG2
B-O
B
H19
IGNITION SW
B
I4
B
B-W
7.5A
ST
(A/T)
B-Y
E20
4
B-Y
EA1
B-W
AM1
W-B
GR
B
GR
EA1
I4
I15
B
I3
B
B-W
J4
J2
J1
M2
(A/T)
(A/T)
W-R
4
IB1
B
I14
W
(M/T)
B
(A/T)
EFI
MAIN
RELAY
W-B
B
5
W-R
J2
J1
P
POWER
SOURCE
CONTROL
IGNITER SWITCH
(M/T)
W-B
B-R
B-R
N
3
E20
EA3
J2
J1
B
L-R
L-R
E22
50A
5
AM1
L-R
6
B5
IB11
OL-1 AM START (M/T)
2
B
(M/T)
W
B
(M/T)
10
E22
B
J1
W-B
5
I1
B-B
4
F15
FUEL PUMP ECU
+B
FP
FUEL PUMP
E
DI
FPC
M
J2
B
1
2
3
W-B
G
(A/T)
B
12
E22
11
E23
J1
G
(A/T)
W
W-B
12
V-W
M1
G
V-W
E28 : M/T
E27 : A/T
B
BATTERY
W-B
B
TO STARTER
RELAY
W-B
W-B
W-B
IB11
E27
E28
84