
100%
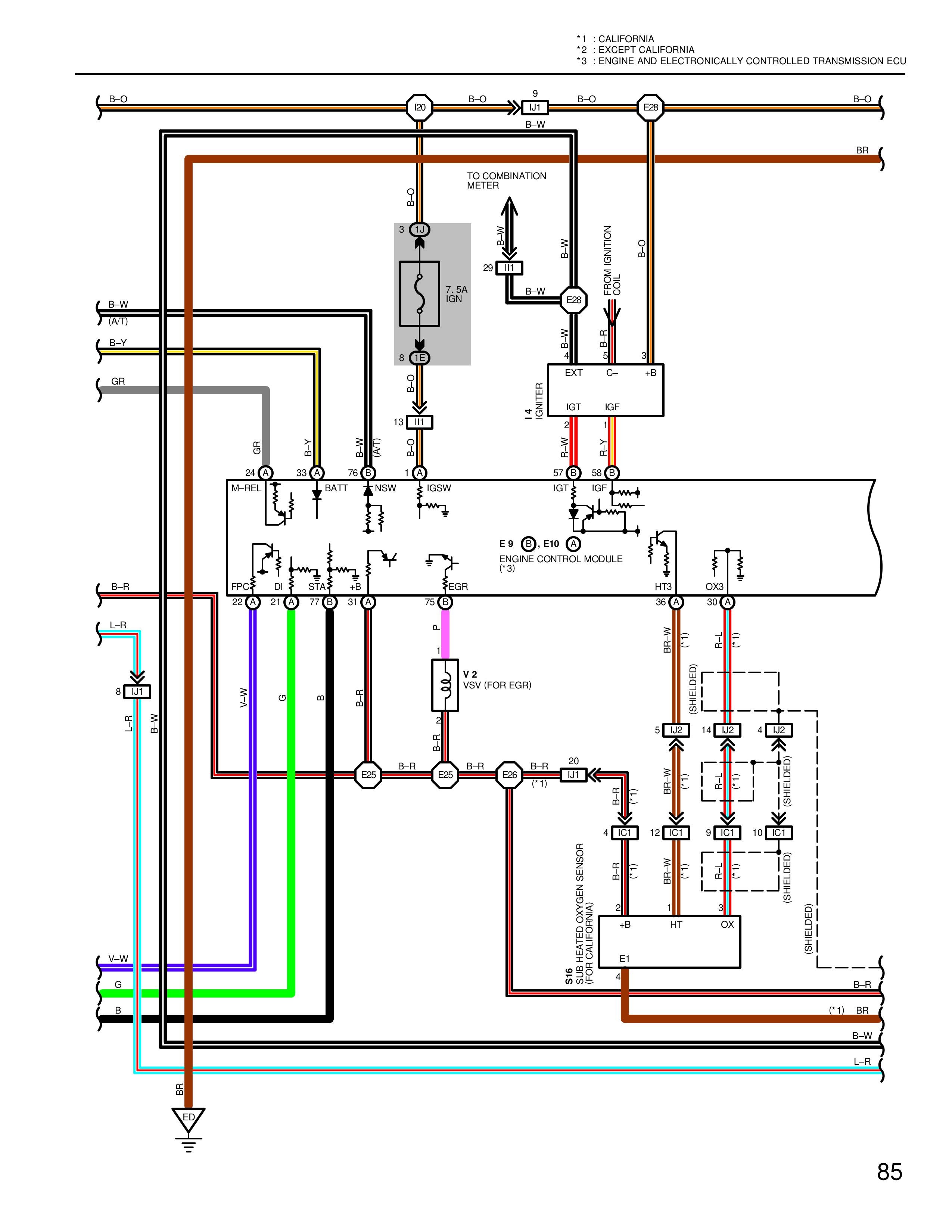
*1 : CALIFORNIA
*2 : EXCEPT CALIFORNIA
*3 : ENGINE AND ELECTRONICALLY CONTROLLED TRANSMISSION ECU
B-O
D1
B-O
9
B-O
E26
B-O
B-W
BR
TO COMBINATION METER
B-O
3
C1
B-W
MIIT
24
7.5A
(GN)
B-W
E26
B-W
(A1)
B-Y
B-R
GR
Y
EXT
C~
+B
C
8
IGT
IGF
13
MIIT
4
B-W
B-Y
B-W
24
33
75
BATT
NSW
IGSW
M-REL
57
58
IGT
IGF
E 9
E10
ENGINE CONTROL MODULE
(*3)
B-R
FPC2
D
STA
B
EGR
HT3
OX2
22
21
77
31
75
35
31
L-R
P
V-W
L-R
B-W
HT
O-Y
V-V
O
B
B-R
BR-W
8
MIIT
V 5
VSV (FOR EGR)
SHIELDED
L-R
B-W
5
14
4
M42
M42
M42
B-R
B-R
B-R
20
E26
E27
E28
(*1)
BR-W
L-Y
B-R
SHIELDED
12
11
12
9
10
M41
M41
M41
M41
OXYGEN SENSOR
SUB HEATED
B-R
L-Y
L-Y
BR-W
11
3
+B
HT
OX
SHIELDED
SHIELDED
E1
V-W
G
B
(*1)
BR
B-R
B-W
L-R
BR
85