
100%
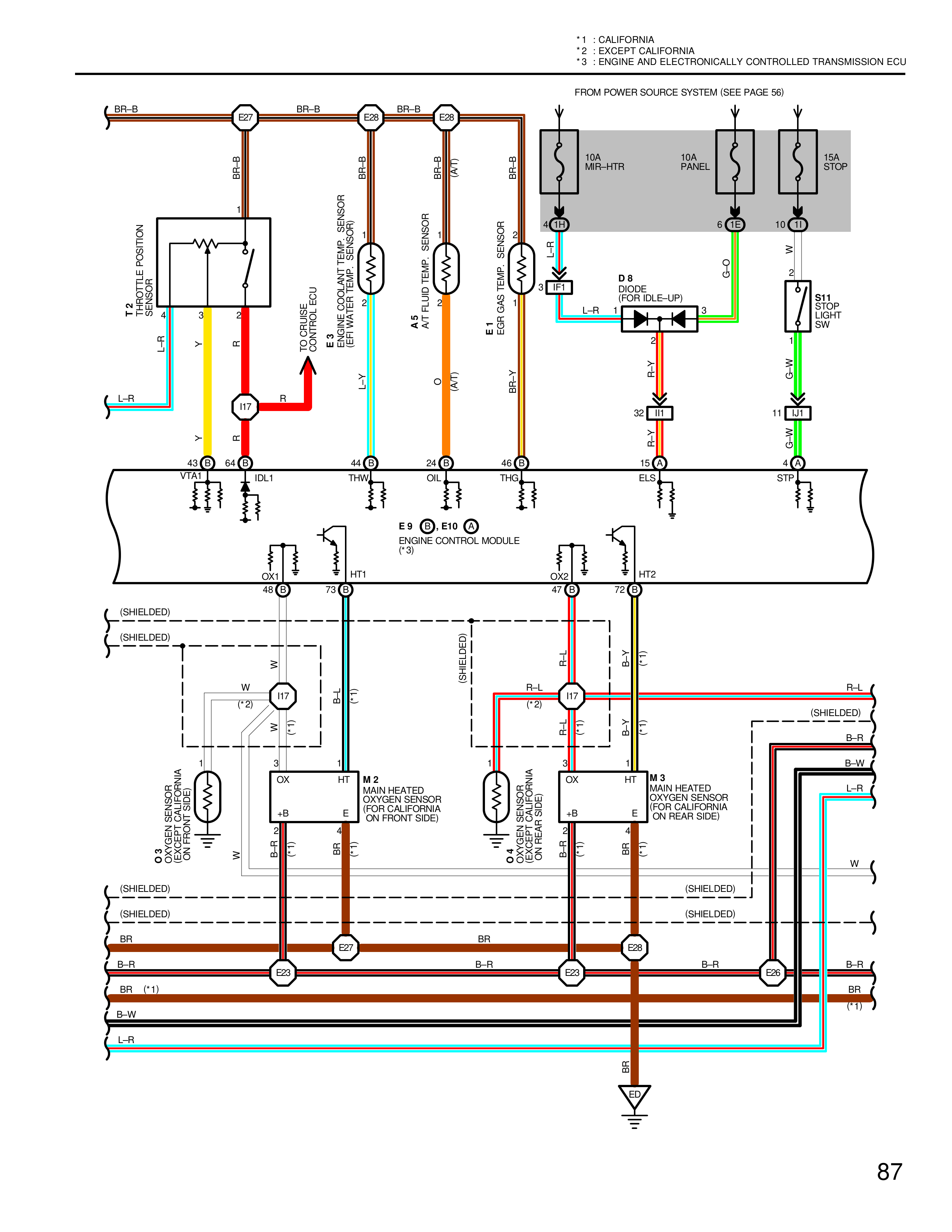
*1 : CALIFORNIA
*2 : EXCEPT CALIFORNIA
*3 : ENGINE AND ELECTRONICALLY CONTROLLED TRANSMISSION ECU
FROM POWER SOURCE SYSTEM (SEE PAGE 56)
BR-B
E27
E28
E26
BR-B
BR-B
BR-B
BR-B
BR-B
W
L-R
Y
R
I17
THROTTLE POSITION SENSOR
TO CRUISE ECU
E4 (MATE/PLANT THEFT SENSOR DERMA)
E6 (EFI GAS TEMP. SENSOR)
A 5 (MAIN FUEL SENSOR)
L-R
L-R
Y
Y
O
W
BR-Y
10A MIR-HTR
10A PANEL
15A STOP
IG1
IG2
IG
C-O
L-R
1
DIODE (FOR IDLE-UP)
3
R
G-W
ST1 (STOP LIGHT SW)
2
32
I11
R
11
I11
G-W
43
D
64
D
44
D
24
D
46
D
15
D
4
D
W/B1
10L1
THW
OIL
THO
ELS
STP
E 9
E10
D
D
ENGINE CONTROL MODULE (*3)
OX1
OX2
HT1
HT2
48
D
73
D
47
D
72
D
(SHIELDED)
(SHIELDED)
W
W
I17
R-L
R-L
I17
W
(SHIELDED)
(*2)
(*2)
B-Y
+B
+B
R-L
B-R
1
3
1
3
B-W
M 2 MAIN HEATED OXYGEN SENSOR (BANK 1 SENSOR 1 ON FRONT SIDE)
OX1
HT
M 3 MAIN HEATED OXYGEN SENSOR (BANK 2 SENSOR 1 ON REAR SIDE)
OX2
HT
L-R
R
C
R
C
W
B-R
BR
B-R
BR
OX1 FRONT MAIN OXYGEN SENSOR CONVERTER (B1/S1)
W
OX2 REAR MAIN OXYGEN SENSOR CONVERTER (B2/S1)
(SHIELDED)
(SHIELDED)
(SHIELDED)
(SHIELDED)
BR
BR
E28
E27
B-R
B-R
E24
E25
E36
B-R
BR (*1)
BR
(*1)
B-W
L-R
BR
87