
100%
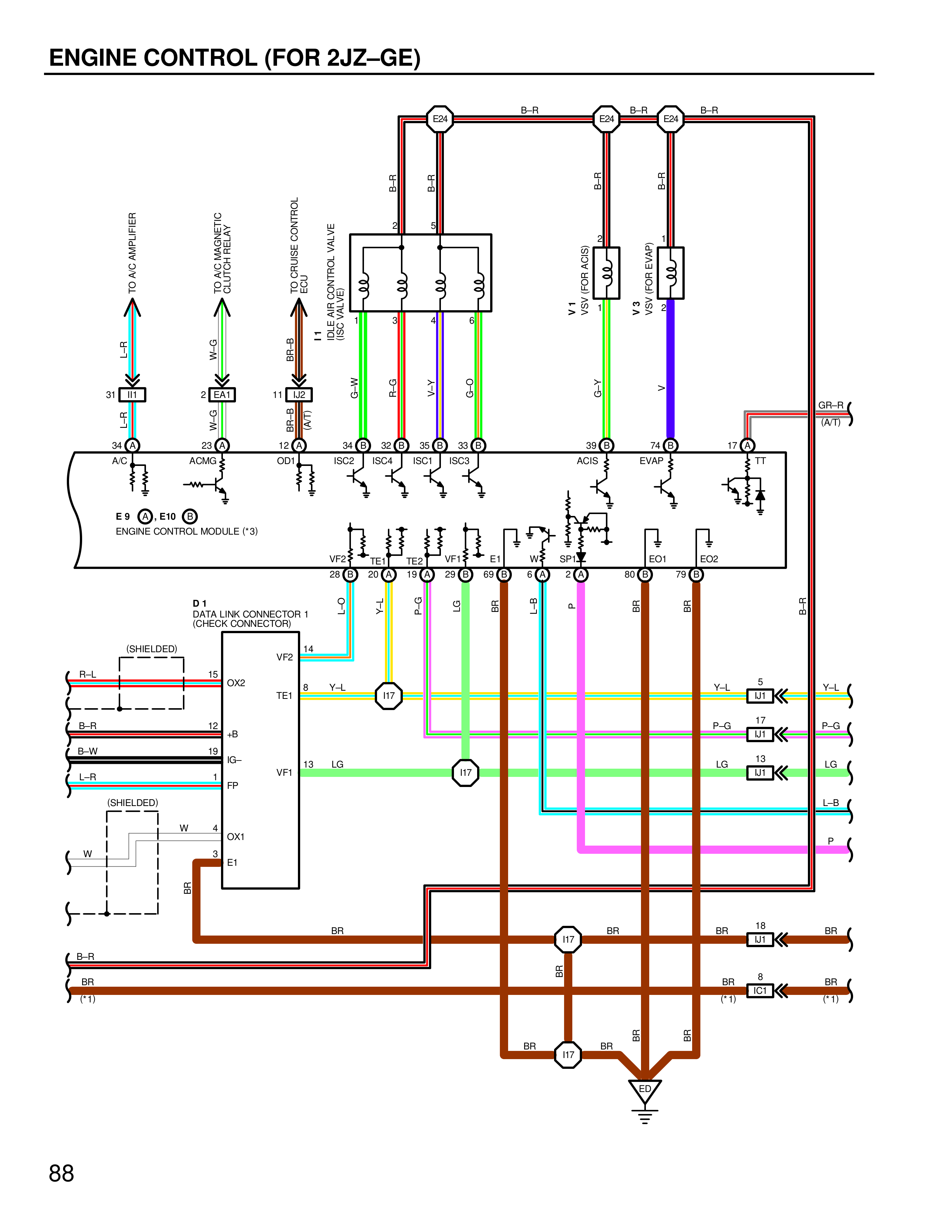
ENGINE CONTROL (FOR 2JZ-GE)
E24 B-R B-R E24 B-R B-R E24 B-R
B-R B-R B-R B-R
TO A/C AMPLIFIER TO DIAGNOSTIC CIRCUIT RELAY TO CRUISE CONTROL ECU IDLE AIR CONTROL VALVE (IACV) VSV FOR ACIS VSV FOR EWP
L-R W-G Br-B G-W R-G V-Y G-O G-Y Y V1 V2
31 DM 2 BAT1 11 M2 3 6 1 5 39 ACIS 74 EVAP
L-R G W-G Br-B N-R G-W R-G V-Y G-O G-Y Y GR-R (A/T)
31 O E10 O 2 BAT1 32 O 34 O 32 O 1 O 33 O 39 O ACIS 74 O EVAP 12 O 12 T1
A/C W-G DPT +B
E9 O ENGINE CONTROL MODULE (*3)
VF2 TE TE1 VF1 E1 No SPD EO1 ECO2
28 O 29 O 18 O 69 O 6 O 72 O 90 O 79 O
D1 DATA LINK CONNECTOR 1 (CHECK CONNECTOR)
G +L R-G LG BR L-B P BR BR B-R
(SHIELDED) VF2 14 O
R-L 15 OX2 Y-L 5 Y-L
Y-L Y-L U7 U1
B-R 12 TE1 B-R
+B P-G P-G
U1
B-W 10 +B
IG +B3 LG
L-R 11 LG LG U7 LG
FP L-B L-B
(SHIELDED) W 4 P P
OX1
W E1 BR
BR BR 16 BR
U7 BR
BR BR 8 BR
BR (*1) (*1)
BR
BR BR
U7 BR BR
B-R
BR
(*1)
88