
100%
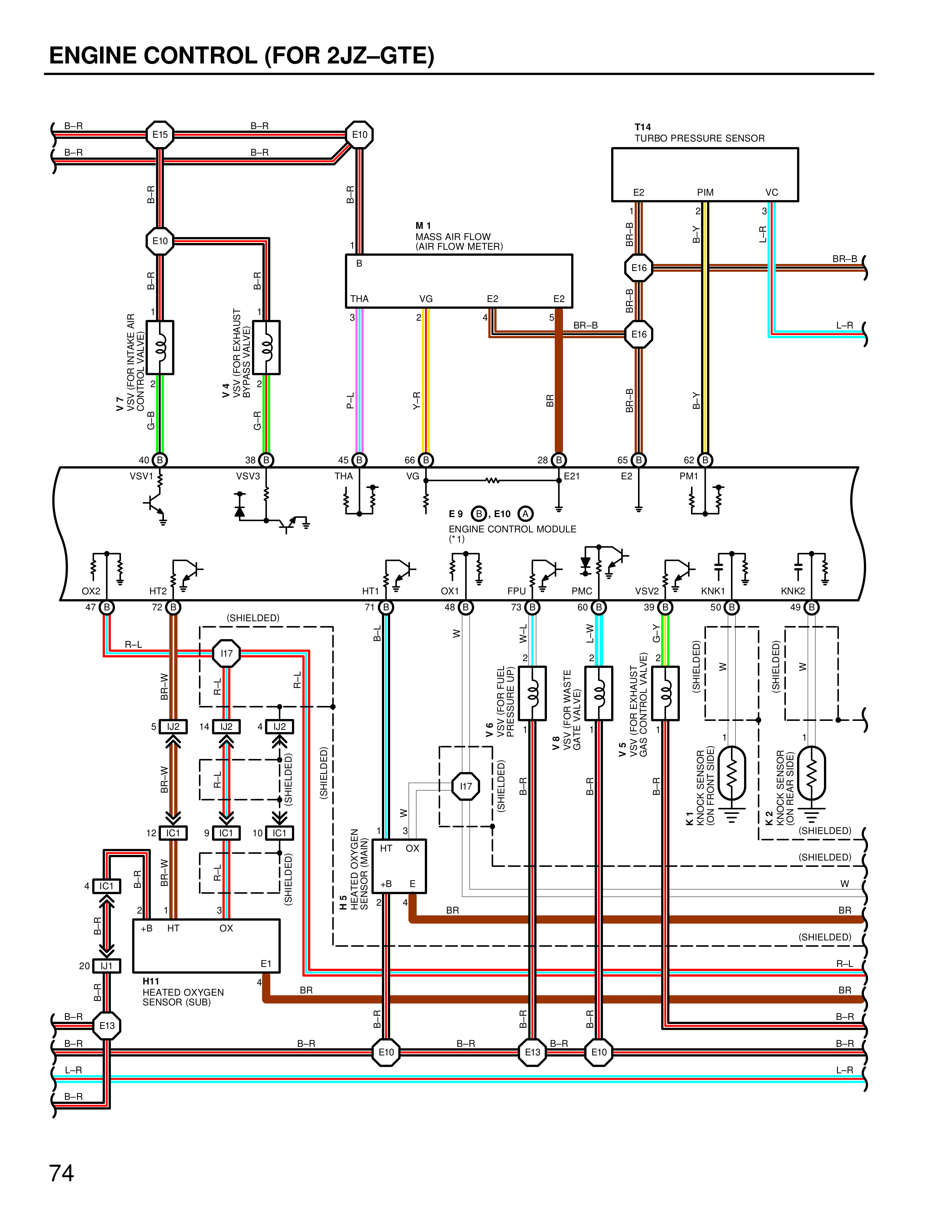
ENGINE CONTROL (FOR 2JZ–GTE)
B–R E15 B–R E10
B–R B–R
B–R B–R
E10 B
B–R B–R
T14
TURBO PRESSURE SENSOR
E2 PIM VC
1 2 3
B–R P–L L–R
E11 BR–B
B–R E11
L–R
M1
MASS AIR FLOW
METER (FLOW METER)
B
THA VG E2 E2
3 2 4 5 BR–B
V7 CONTROL VALVE AIR (FOR INTAKE AIR CONTROL VALVE)
G–BR G–B
V4 (FOR EXHAUST BY-PASS VALVE)
G–BR G–B
P–L Y–R BR BR–B B–Y
40 D 38 D 45 D 66 D 28 D 85 D 62 D
VSV1 VSV3 THA VG E21 E2 PIM1
E 9 E10 D
ENGINE CONTROL MODULE
(*1)
OX2 HT2 HT1 OX1 FPU PMC VSV2 KNK1 KNK2
47 D 72 D 71 D 48 D 73 D 60 D 39 D 53 D 49 D
(SHIELDED)
R–L
HT7 B W
B (SHIELDED) W
+B MOS +B MOS +B MOS
+R–L +R–L
BR–W
13 IGT1 9 IGT1 10 IGT1
4 IGT +B B–R
2 BR–W
+B
20 E1
HT1 E1
HEATED OXYGEN
SENSOR (SUB)
B–R E11
B–R B–R B–R E10
L–R
B–R
B–R BR
P VG (FOR FUEL PRESSURE REG.)
B–R
V 8 (FOR EXHAUST GAS RECIRC. VALVE)
B–R
V 4 (FOR EXHAUST BY-PASS VALVE) (SHIELDED)
G–Y P–L
B–R W
M (SHIELDED)
(SHIELDED)
M 5 GENERATOR (ALTERN-
ATOR) (SHIELDED)
HT OX
M 6 (FOR DISTRIBUTOR)
+B E
+B E
2 1 BR
BR
(SHIELDED)
W
BR
(SHIELDED)
R–L
BR
B–R
B13 B–R E11
L–R
B–R
74