
100%
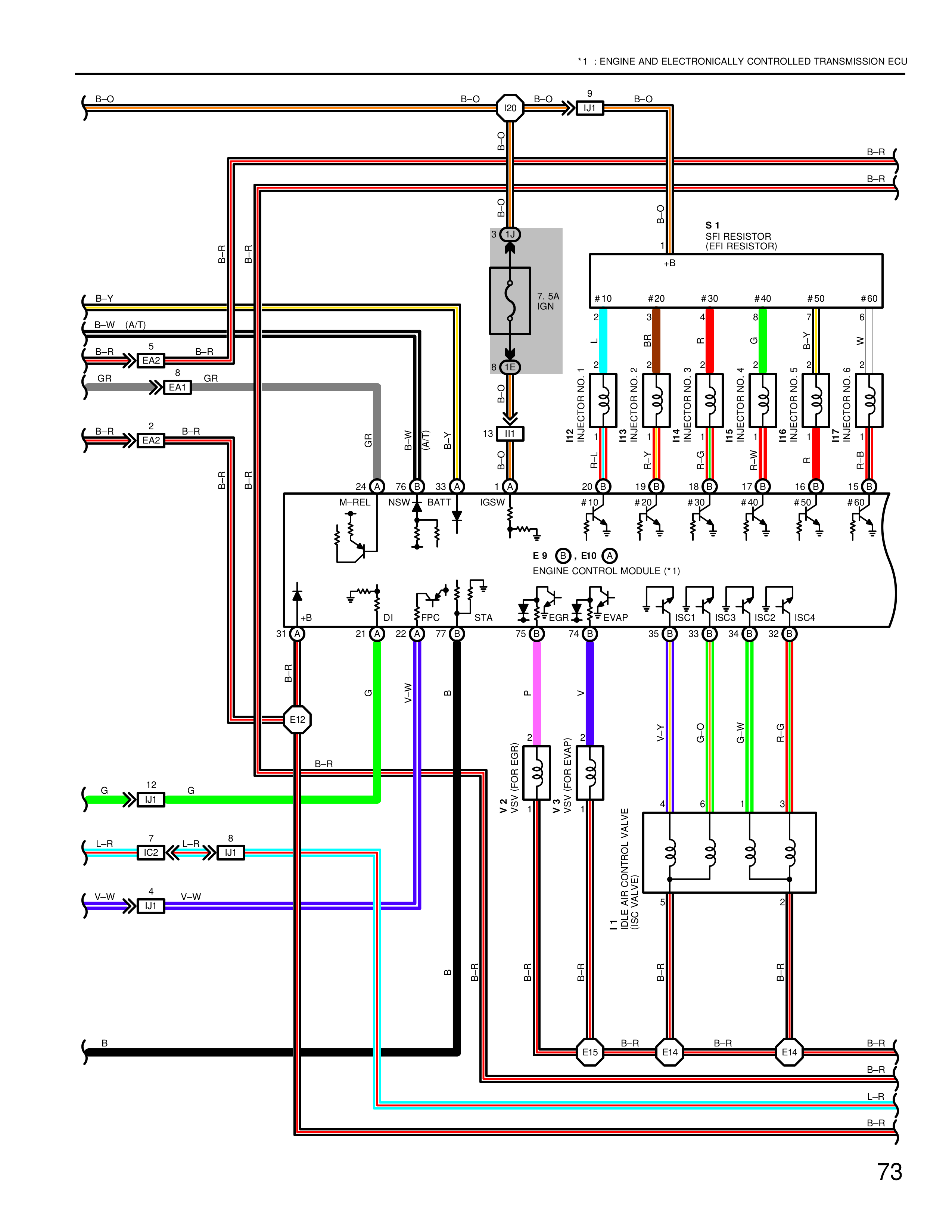
*1 : ENGINE AND ELECTRONICALLY CONTROLLED TRANSMISSION ECU
B-O
B-O
B-O
B
B-O
60
M1
B-O
B-R
B-R
S 1
(S1 RESISTOR
SFI RESISTOR)
B-O
B-O
7. 5A
IGN
# 10
# 20
# 30
# 40
# 50
# 60
2
3
4
5
7
6
B
+B
B-Y
B-W (A/T)
B-R
5
B-R
EA2
GR
8
GR
EA1
IG
G
R
+B
+B
INJECTOR No. 1
INJECTOR No. 2
INJECTOR No. 3
INJECTOR No. 4
INJECTOR No. 5
INJECTOR No. 6
#2
#3
#4
#5
#6
B-R
B-R
EA4
BR
B-W
(A/T)
G-Y
R-L
R-L
R-G
R-W
R
R-B
13
M
24
78
33
1
20
19
18
17
16
15
M-REL
IGSW
NSW
BATT
# 10
# 20
# 30
# 40
# 50
# 60
E 9
E10
ENGINE CONTROL MODULE (*1)
B
DI
FPC
STA
+B EGR
+B EVAP
ISC1
ISC3
ISC2
ISC4
3
21
22
77
75
74
36
33
34
32
B-R
G
V-W
B
P
V
V-Y
G-W
G-W
R-G
E12
B-R
V-R
CREGR
V-R
FI EGR EVAP
12
G
G
D1
7
8
L-R
L-R
C2
D1
4
V-W
V-W
I1
THE AIR CONTROL VALVE
(ISC VALVE)
4
5
1
3
5
2
B
B-R
B-R
B-R
B-R
B-R
B-R
E15
B-R
E14
B-R
E14
B-R
B-R
L-R
B-R
73