
100%
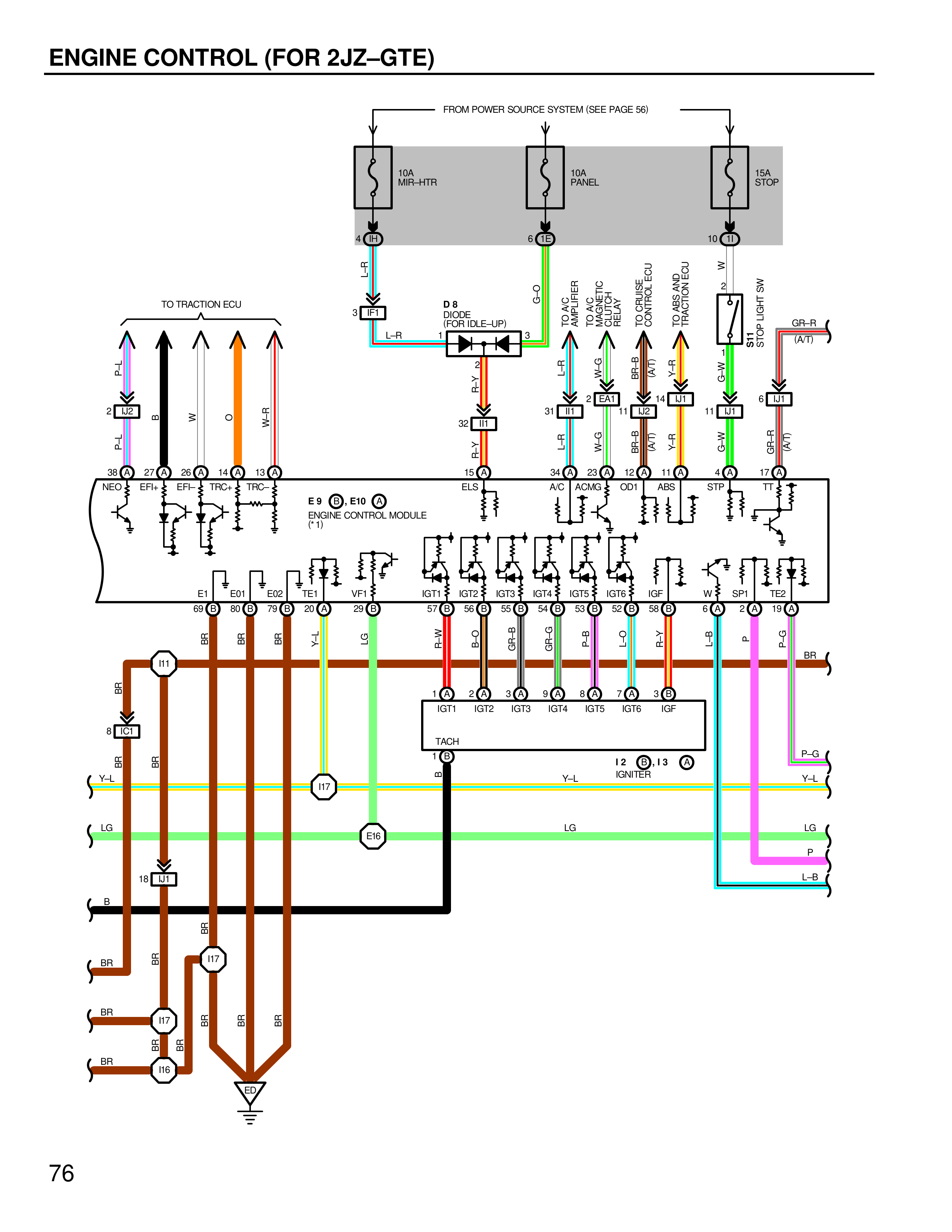
ENGINE CONTROL (FOR 2JZ–GTE)
FROM POWER SOURCE SYSTEM (SEE PAGE 56)
10A MIR–HTR
10A FUEL PANEL
15A STOP
4 M1
6 M5
10 M7
L–R
L–G
TO TRACTION ECU
P–L
D 8 DIODE (FOR IDLE E–UP)
TO POWER CIRCUIT CONTROL UNIT (A/T)
TO CRUISE CONTROL ECU
TO RADAR SENSOR (RADIATOR FAN ECU)
W
2 M2
B
W–R
L–R
6
9
V–L
G
W–R
C
3 EAT
1
6
G–O
14 L/I1
STOP LIGHT SW
GR–R (A/T)
6 M6
2 M2
4
W–L
2 E/A1
14 L/I1
G–W
5 E/B1
P–R
W–G
BR–W
R
W–L
R
BR–W
G–R
(A/T)
Y–R
38 NEO
27 EFI
33 EFI
14 TRC
15 TRC
32 M1
P–L
3 M3
L
34 ACMG
24 ODI
15 ABS
1 STP
17 T19
E1S
A/C
ACMG
OD1
ABS
STP
GB–B
(A/T)
E–9
E10
ENGINE CONTROL MODULE (*1)
E1
E01
E02
TE1
VF1
IGT1
IGT2
IGT3
IGT4
IGT5
IGT6
IGF
W
SPI
TE2
8
9
20
2
29
57
56
55
54
53
52
51
1
2
19
BR
BR
V–L
L–G
B–LG
GR–B
GR–B
P–B
L–G
B–Y
L–B
BR
P–G
BR
I/T1
1
IGT1
2
IGT2
3
IGT3
4
IGT4
5
IGT5
6
IGT6
7
IGF
BR
BR
TACH
8 M4
I 2
I 3
IGNITER
BR
BR
BR
BR
I/T2
Y–L
Y–L
Y–L
Y–L
LG
LG
LG
LG
E6
P
L–B
P–G
Y–L
16 M7
B
I/T7
BR
BR
BR
BR
I/T3
BR
I/T10
BR
76