
100%
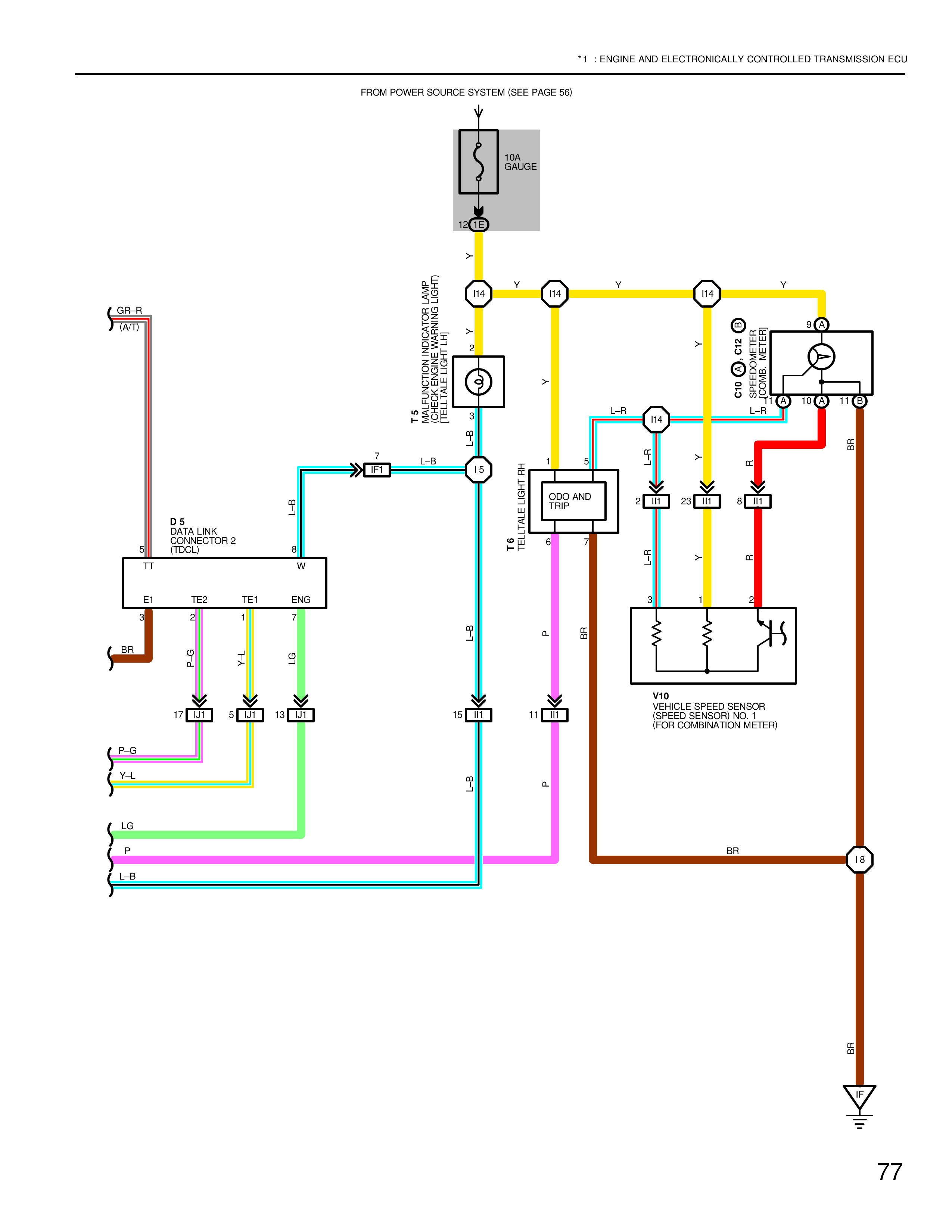
*1 : ENGINE AND ELECTRONICALLY CONTROLLED TRANSMISSION ECU
FROM POWER SOURCE SYSTEM (SEE PAGE 56)
10A
GAUGE
I4
TELLTALE LIGHT
(RED ENGINE OIL PRESSURE
INDICATOR LAMP)
T4
I14
Y
I14
Y
I14
Y
2
CH10
CH12
8
9
SPEEDOMETER
(FOR COMBINATION
METER)
10
8
GR-R
(A)(1)
L-R
I14
L-R
L-R
L-B
I5
L-R
L-R
B
B
B
B
D5
TELLTALE LINK
CONNECTOR 2
(TD-CL)
T6 TELLTE LIGHT
ODO AND
TRIP
2
1
2
1
6
1
L-R
B
P
0
W
L-R
X
X
3
4
2
TT
E1
TE2
TE1
ENG
V10
VEHICLE SPEED SENSOR
(SPEED SENSOR NO. 1
FOR COMBINATION METER)
3
2
1
BR
P-G
17
5
15
14
L-B
P
BR
Y-L
LG
15
11
L-B
P
P-G
Y-L
LG
L-B
P
BR
BR
I8
BR
77