
100%
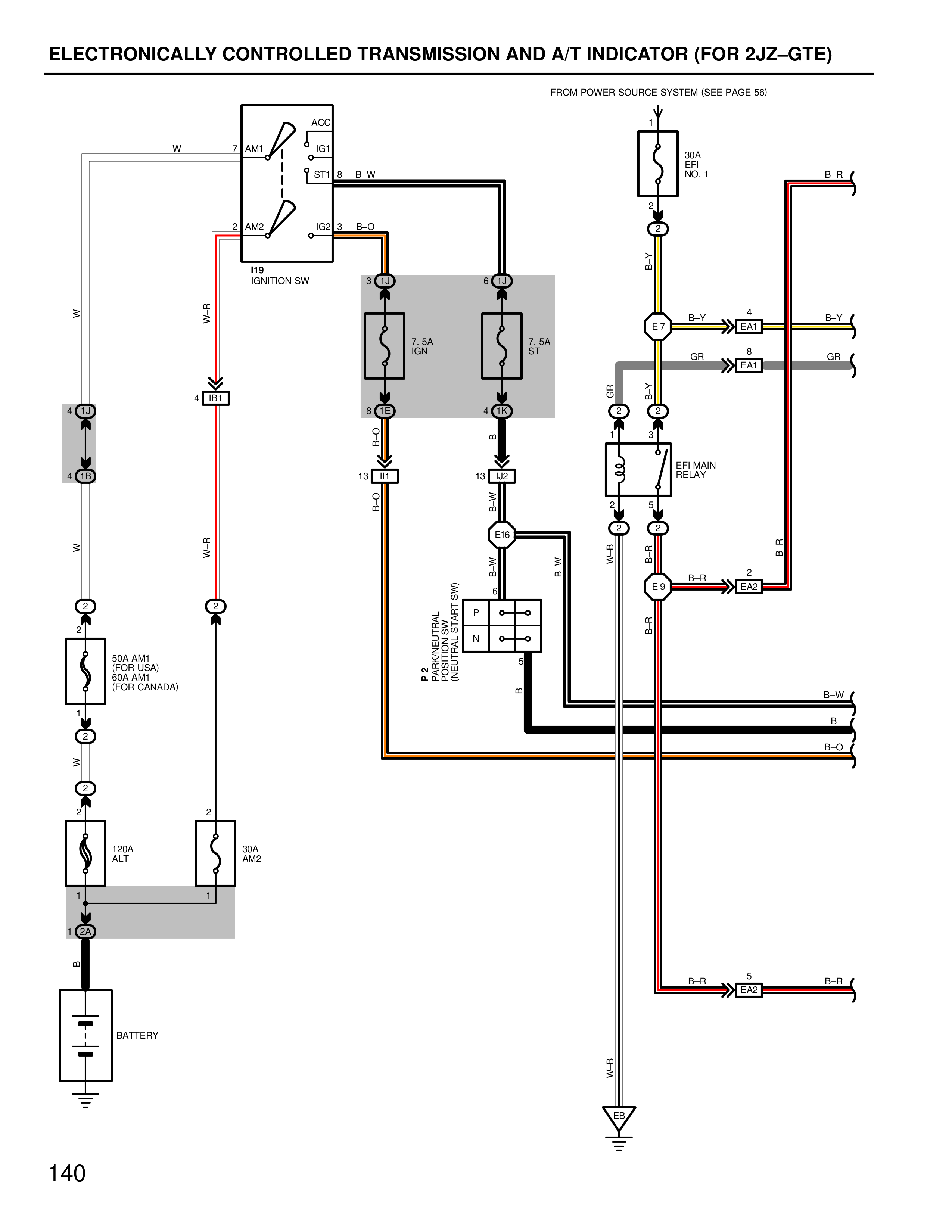
ELECTRONICALLY CONTROLLED TRANSMISSION AND A/T INDICATOR (FOR 2JZ-GTE)
FROM POWER SOURCE SYSTEM (SEE PAGE 56)
ACC
W 7 AM1 8 IG1
8 ST1 8 B-W
30A EFI NO. 1
B-R
2 AM2 8 IG2 3 B-O
2
H19 IGNITION SW 3 IG 6 ST
B-Y EA1 B-Y
W W-R
7.5A IGN 7.5A ST
GR 8 EA1 GR
E
5
4 IB1
4 IG1 8 IG2 4 ST1
E2 E2
IB1
2 B-O B-W
13 AM1 13 AM2
E16
B-O B-W
W W-R
B-W
W-B
W-R
B-R
P & NEUTRAL POSITION SW (INHIBITOR SW) INDICATOR 2
EFI MAIN RELAY
B-R EA2
D O D
E1
N O N
R
50A AM1 (FOR USA) 80A AM1 (FOR CANADA)
B-W
B
B-O
W
2
120A ALT 30A AM2
8 AM2
B
BATTERY
W-R
140