
100%
*1 : ENGINE AND ELECTRONICALLY CONTROLLED TRANSMISSION ECU
B-R
E17
c
d
B-R
E17
c
d
B-R
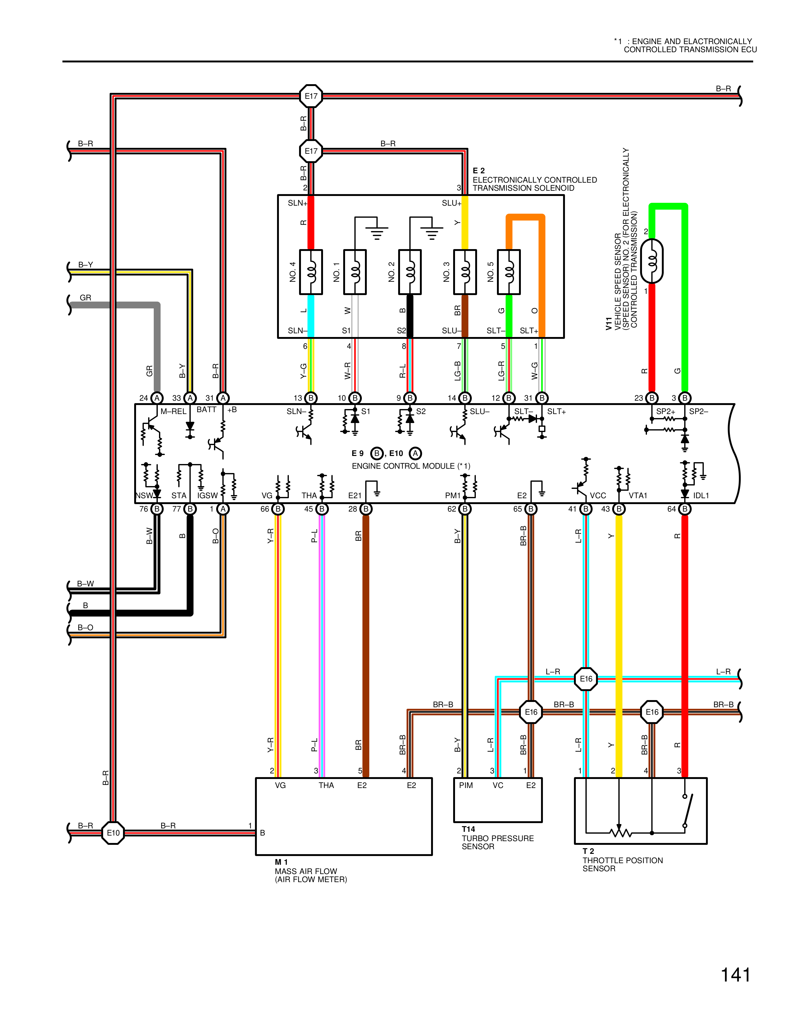
E 2
ELECTRONICALLY CONTROLLED
TRANSMISSION SOLENOID
SLN-Y
SLU-Y
c
Y
B-Y
GR
NO. 1
NO. 2
NO. 3
NO. 5
L
W
B
BR
G
O
SLN-
S1
S2
SLU-
SLT-
SLT+
Y-G
W-B
R-L
LG-R
LG-R
W-G
VH1 (=1): SPEED SENSOR
VEHICLE SPEED SENSOR ELECTRONICALLY
CONTROLLED TRANSMISSION
B-R
GR
B-Y
B-L
24
33
31
13
10
9
14
12
31
23
3
M-REL
BATT
I2
SLN-
S1
S2
SLU-
SLT-
SLT+
BA
SP2-
SR2-
E 9
E10
ENGINE CONTROL MODULE (*1)
NSW
STA
KSW
VG
THA
E21
PIM
E2
75
76
71
60
45
39
62
4
41
43
64
B-L
B
B-L
Y-R
P-L
BR
B-R
BB-R
L-R
Y
B
B-W
B
B-O
L-R
E16
BR-B
BR-B
BR-B
E11
E16
L-R
L-R
Y-R
P-L
BR
RR-B
B-R
L-R
BB-R
L-R
Y
BR-B
B
B
VG
THA
E2
E2
PIM
VC
E2
1
2
4
3
B-R
E10
B-R
B
M 1
MASS AIR FLOW
(AIR FLOW METER)
T14
TURBO PRESSURE
SENSOR
T 2
THROTTLE POSITION
SENSOR
141