
100%
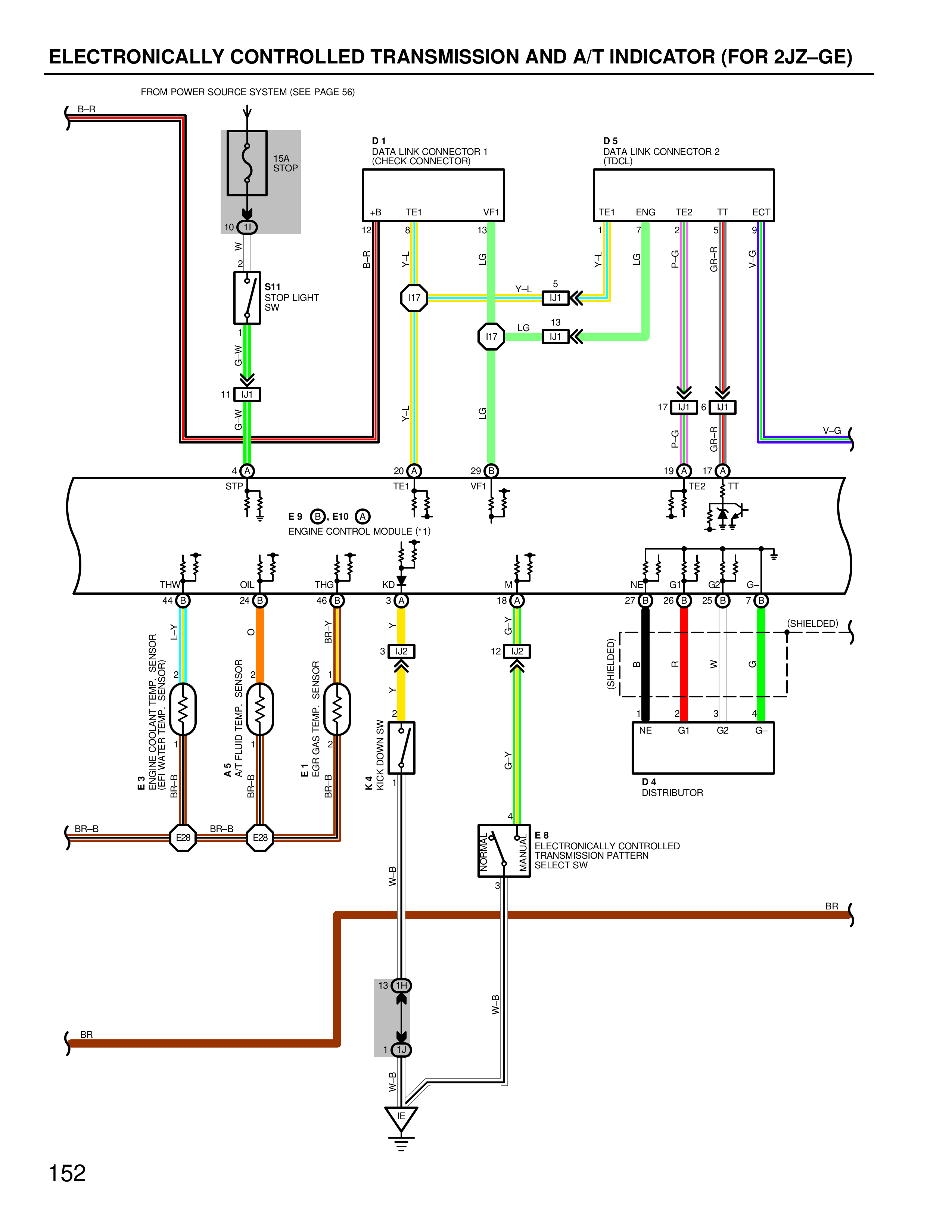
ELECTRONICALLY CONTROLLED TRANSMISSION AND A/T INDICATOR (FOR 2JZ–GE)
FROM POWER SOURCE SYSTEM (SEE PAGE 56)
B–R
15A
STOP
IG1 11
B–R
2
9
S11
STOP LIGHT
SW
W
G–W
11 J/M
STP
4 O
TE1 E10 E9 O
ENGINE CONTROL MODULE (*1)
OIL
THR
THR
KD
NE
24 D
46 D
3 D
18 D
27 D
E3
COOLANT TEMP
SENSOR SENSOR
BR–R BR–R
Y
A 8
FLUID TEMP SENSOR
BR–B
E 1
BURST GAS TEMP SENSOR
BR–Y
K 4
KICKDOWN SW
KD O O
Y
3 J/02
12 J/02
Y
G–Y
D 4
DATA LINK CONNECTOR 1
(CHECK CONNECTOR)
+B TE1 VF1
12 8 13
H
H
+B Y–L LG
I17 Y–L
I17 LG
Y–L
LG
20 O 29 D
TE1 VF1
THAT
14 D
NE
26 D
NE
25 D
G1
7 O
D 5
DATA LINK CONNECTOR 2
(DLC1)
TE1 ENG TE2 TT ECT
1 7 2 5 6
Y–L LG V–G CB–B V–G
J/I1 I
J/I1
13
LG
17 J/M 6 J/I1
V–G
19 O
TE2
17 O
TT
V–G
(SHIELDED)
B
2
W
3
G
4
NE G1 G2 G–
D 4
DISTRIBUTOR
BR–B
BR–B
F20
W–B
TRANSM
E 8
ELECTRONICALLY CONTROLLED
TRANSMISSION PATTERN
SELECT SW
MANUA
W–B
BR
BR
13 J/M
W–B
1 O
W–B
152