
100%
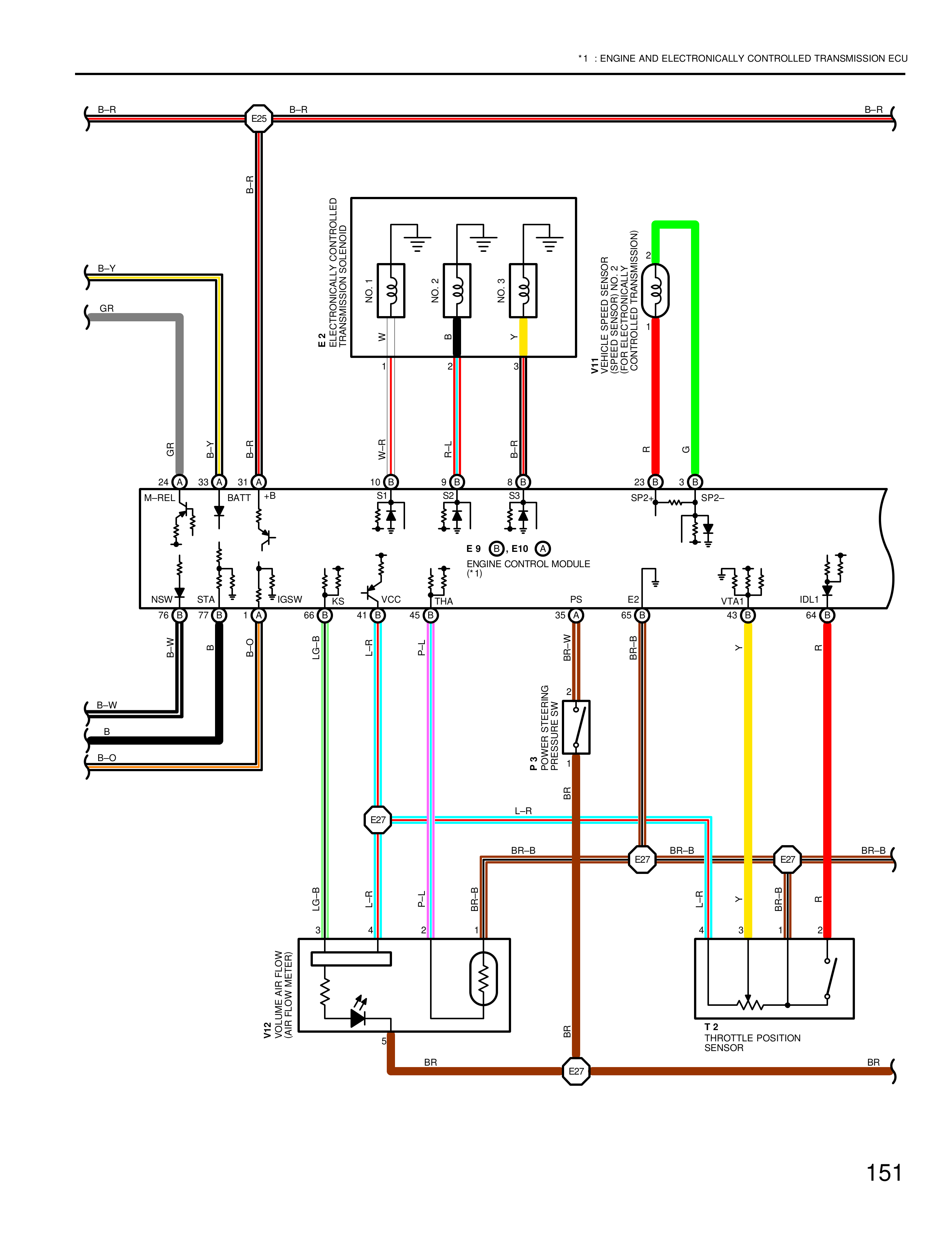
*1 : ENGINE AND ELECTRONICALLY CONTROLLED TRANSMISSION ECU
B-R
E26
B-R
B-R
B-R
B-V
GR
E3
ELECTRONICALLY CONTROLLED
TRANSMISSION SOLENOID
No.1
No.2
No.3
W
B
Y
VTA
VTHROTTLE POSITION SENSOR
(SPEED SENSOR FOR
ELECTRONICALLY
CONTROLLED TRANSMISSION)
GR
B-Y
P-B
W-R
R-L
B-R
B
G
24
33
31
E
10
E
9
B
8
G
23
B
3
C
M-REL
BATT
-B
SP2-
E9
B
E10
A
ENGINE CONTROL MODULE
(*1)
NSW
STA
IGSW
-IG
VCC
THA
PS
E2
VTA
IDL
76
B
77
C
A
56
A
47
C
45
B
55
A
65
C
43
B
64
D
B-W
B
LG-B
-IG
L-T
F-L
BR-
B-B
Y
R
B-W
B
B-O
P3
TRANS STEERING
PRESSURE SW
BR
L-R
E27
BR-B
BR-B
E27
BR-B
E27
BR-B
LG-B
L-T
F-L
BR-B
L-R
Y
BR-B
R
3
4
2
1
4
3
1
2
V10
VALVE LIFT AIR FLOW
METER
T2
THROTTLE POSITION
SENSOR
5
BR
BR
BR
E27