
100%
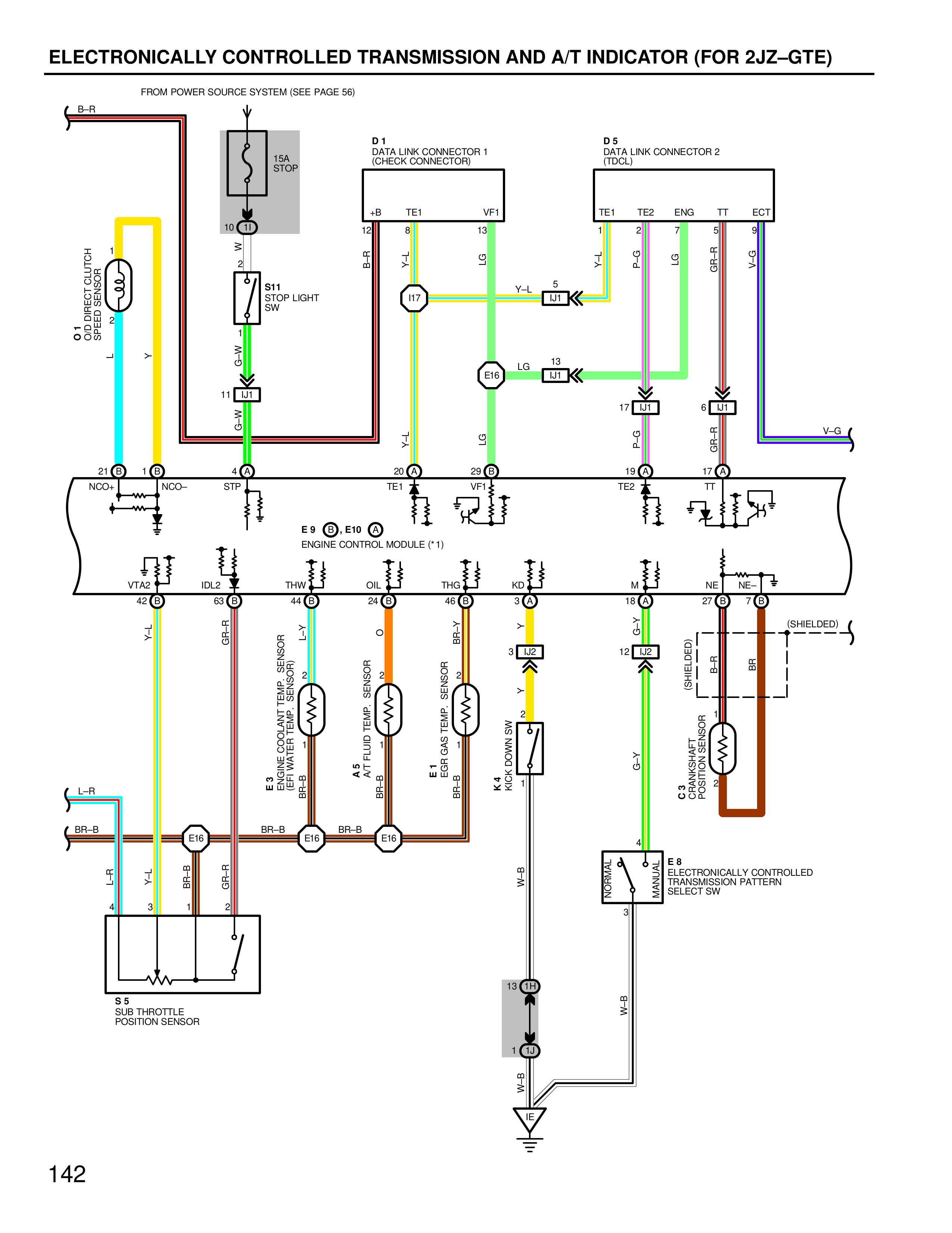
ELECTRONICALLY CONTROLLED TRANSMISSION AND A/T INDICATOR (FOR 2JZ-GTE)
FROM POWER SOURCE SYSTEM (SEE PAGE 56)
B-R
15A
STOP
CLUTCH START
SWITCH CLUTCH
S11
STOP LIGHT
SW
Y
G-W
M1
G-B
D 4
DATA LINK CONNECTOR 1
(CHECK CONNECTOR)
D 5
DATA LINK CONNECTOR 2
(DLC1)
+B
TE1
VF1
12
8
13
H
Y-L
LG
TE1
TE2
ENG
TT
ECT
1
2
7
5
6
V-L
P-G
LG
GR-B
V-G
I17
Y-L
M1
13
E10
LG
M1
17
M1
6
M1
V-G
Y-L
LG
P-G
GR-B
21 F
NCO+
NCO-
4 G
STP
20 G
TE1
29 D
VF1
14 G
TE2
17 A
TT
E 9
E10
ENGINE CONTROL MODULE (*1)
VTA
IDL
THW
OIL
THG
KK
NJ
NE
5 C
63 D
44 D
24 C
46 D
3 C
18 C
27 D
7 D
Y-L
GR-B
Y-L
O
GR-Y
Y
G-Y
(SHIELDED)
3
M2
12
M2
B
NE
B
A 5
ENG TEMP SENSOR
E 1
EXH GAS TEMP SENSOR
K 2
K 4
CONT SW
C 3
CRANKSHAFT
POSITION SENSOR
L-R
BR-B
BR-B
BR-B
M1
D16
D11
L-R
Y-L
GR-B
GR-R
W-B
G-Y
B
A
6
ELECTRONICALLY CONTROLLED
TRANSMISSION PATTERN
SELECT SWITCH
E 8
4
3
1
2
3
S 5
SUB THROTTLE
POSITION SENSOR
13 F18
W-B
1 F18
V-B
142