
100%
*1 : CANADA
*2 : USA
*3 : 2JZ–GTE
*4 : 2JZ–GE
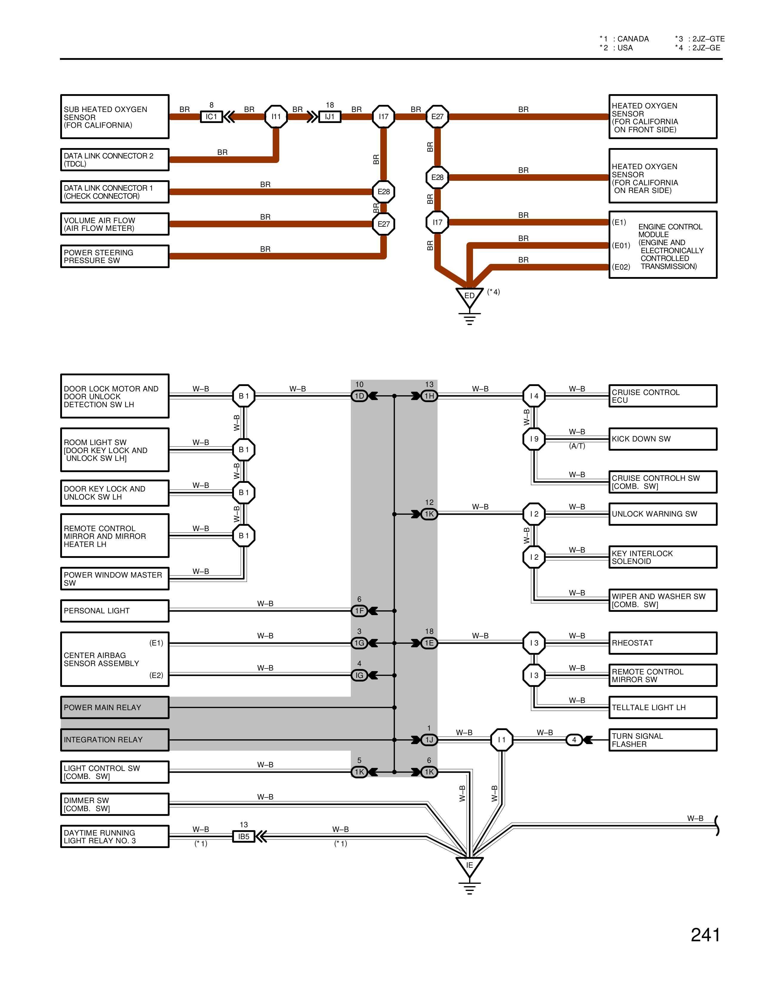
SUB HEATED OXYGEN SENSOR (FOR CALIFORNIA)
BR
8 TC1
BR
I11
BR
18 U1
BR
I17
BR
E27
BR
HEATED OXYGEN SENSOR (FOR CALIFORNIA ON FRONT SIDE)
DATA LINK CONNECTOR 2 (TC1)
BR
BR
DATA LINK CONNECTOR 1 (CHECK CONNECTOR)
BR
E28
BR
HEATED OXYGEN SENSOR (FOR CALIFORNIA ON REAR SIDE)
VOLUME AIR FLOW (AIR FLOW METER)
BR
E27
BR
I17
BR
(E1)
ENGINE CONTROL MODULE AND ELECTRONICALLY CONTROLLED TRANSMISSION
POWER STEERING PRESSURE SW
BR
BR
(E01)
BR
(E02)
E12 (*4)
DOOR LOCK MOTOR AND DOOR UNLOCK DETECTION SW LH
W–B
D1
W–B
10 1D
18 1ID
W–B
14
W–B
CRUISE CONTROL ECU
ROOM LIGHT SW (DOOR KEY LOCK AND UNLOCK SW LH)
W–B
B1
W–B
I4
W–B
(A-1)
KICK DOWN SW
DOOR KEY LOCK AND UNLOCK SW LH
W–B
D1
W–B
CRUISE CONTROL SW (COMB. SW)
REMOTE CONTROL MIRROR AND MIRROR HEATER LH
W–B
D1
12 1IC
W–B
14
W–B
UNLOCK WARNING SW
POWER WINDOW MASTER SW
W–B
14
W–B
KEY INTERLOCK SOLENOID
PERSONAL LIGHT
W–B
6 I5
W–B
WIPER AND WASHER SW (COMB. SW)
CENTER AIRBAG SENSOR ASSEMBLY
(E1)
W–B
3 I5
18 1IE
W–B
13
W–B
RHEOSTAT
(E2)
W–B
18 I6
13
W–B
REMOTE CONTROL MIRROR SW
POWER MAIN RELAY
W–B
TELLTALE LIGHT LH
INTEGRATION RELAY
1 1I1
W–B
11
W–B
4
TURN SIGNAL FLASHER
LIGHT CONTROL SW (COMB. SW)
W–B
18 1IG
18 1IG
DIMMER SW (COMB. SW)
W–B
W–B
DAYTIME RUNNING LIGHT RELAY NO. 3
W–B
13 1B4
W–B
(*1)
(*1)
W–B
241