
100%
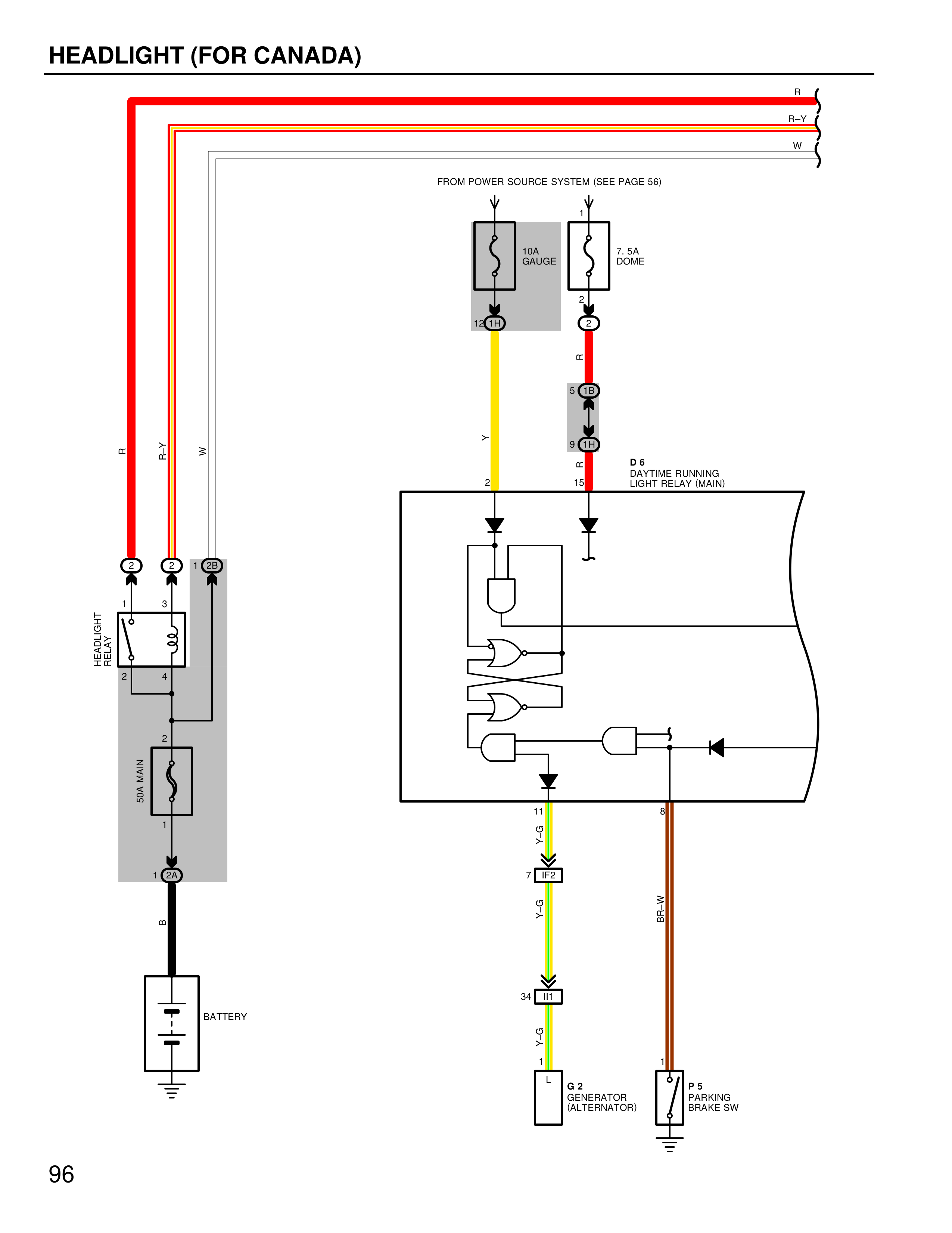
HEADLIGHT (FOR CANADA)
R
R–Y
W
FROM POWER SOURCE SYSTEM (SEE PAGE 56)
10A
GAUGE
7.5A
DOME
C–HD
E
C–R3
Y
C–R4
E
D 6
DAYTIME RUNNING
LIGHT RELAY (MAIN)
2
15
C–3
C–5
1
3
HEAD LIGHT
RELAY
6
5
2
4
55A MAIN
2
1
C–A1
B
BATTERY
11
3
Q
Y–G
7
E–9
Y–G
R–B–W
34
I11
Y–G
L
G 2
GENERATOR
(ALTERNATOR)
D7
P 5
PARKING
BRAKE SW
96