
100%
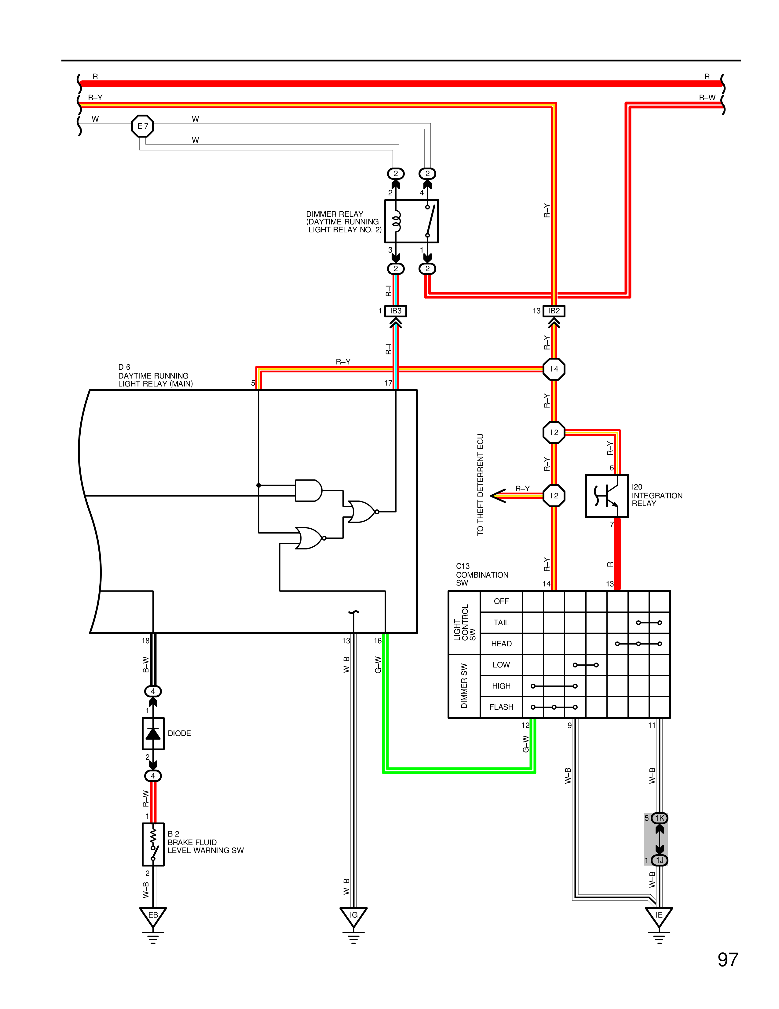
R R R-Y R-W W ET W W 2 5 DIMMER RELAY (DAYTIME RUNNING LIGHT RELAY NO. 2) 1 6 4 3 R-L R-L 15G1 13 15G2 R-L R-L D-6 DAYTIME RUNNING LIGHT RELAY (MAIN) 8 17 R-Y 14 R-Y 13 R-Y R-Y 12 R-Y TO NEXT DEFREMENT ECU I20 INTEGRATION RELAY C13 COMBINATION SW 9 R 14 13 OFF TAIL CONTROL LIGHT SW HEAD LOW DIMMER SW HIGH FLASH 18 13 16 B-W W-R G-B 12 G-W 9 11 4 W-B W-B B-W 8 14G 3 5 W-B DIODE 1 R-W B2 BRAKE FLUID LEVEL WARNING SW 2 W-B W-B 97