
100%
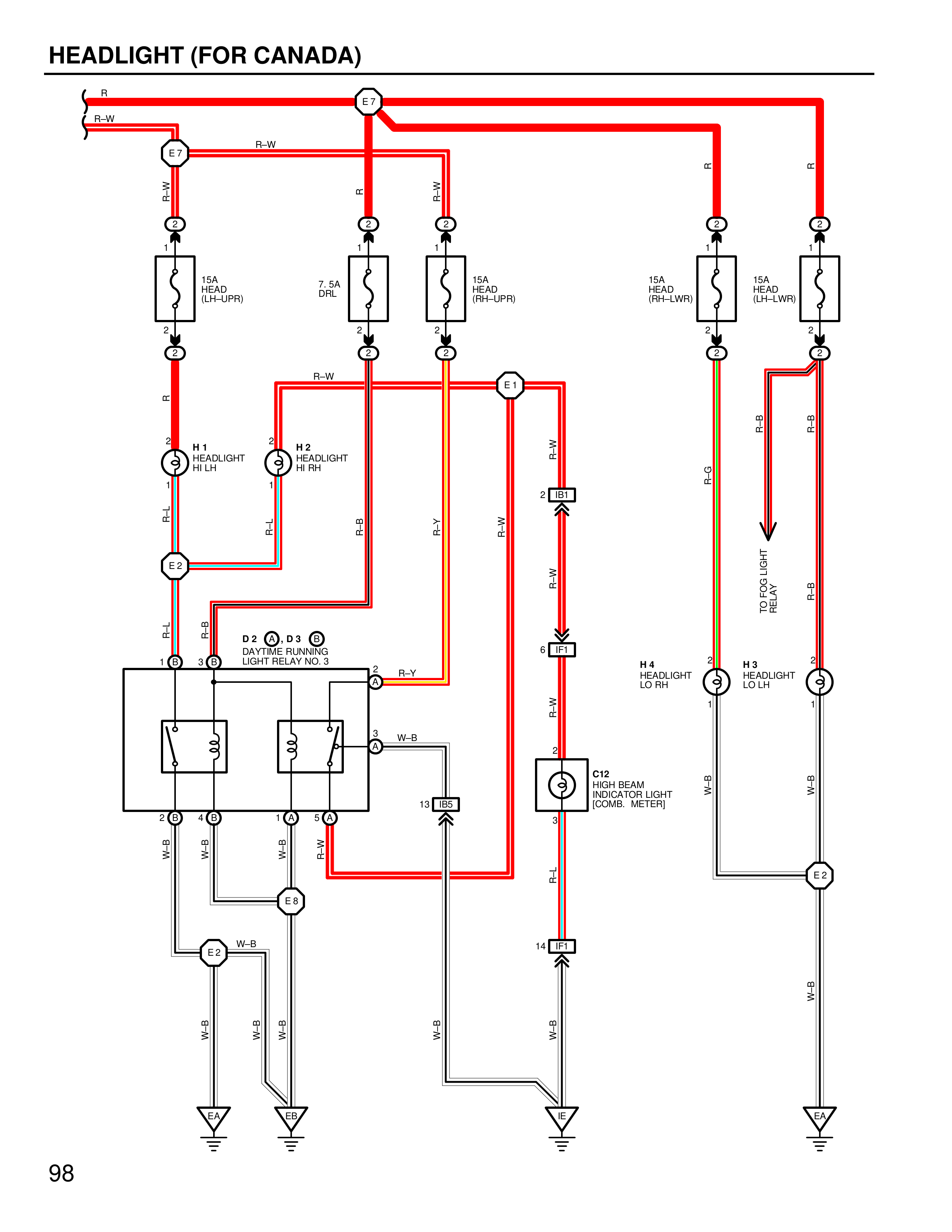
HEADLIGHT (FOR CANADA)
R
E7
R-W
E7
R-W
R-W
R
R-W
R-W
R
R
15A HEAD (LH-UPR)
7.5A DRL
15A HEAD (RH-UPR)
16A HEAD (RH-LWR)
16A HEAD (LH-LWR)
2
1
2
1
2
1
2
1
2
1
R
R-W
R-W
R-W
R-G
R-B
R-B
E1
H1 HEADLIGHT HI LH
2
1
3
H2 HEADLIGHT HI RH
2
1
3
R-W
2 B1
R-L
R-B
R-B
R-Y
R-W
R-W
10 TO FOG LIGHT RELAY
R-G
R-B
E2
R-L
R-B
6 B1
D2
D
D3
D
DAYTIME RUNNING LIGHT RELAY NO.1
1
3
R-Y
H4 HEADLIGHT LO RH
2
1
3
H3 HEADLIGHT LO LH
2
1
3
R-W
6
3
6
3
W-B
C12 HIGH BEAM INDICATOR LIGHT (COMB. METER)
W-B
W-B
13 IB5
2
1
4
6
1
5
4
3
W-B
W-B
W-B
B-W
R-L
E6
E4
W-B
14 B1
W-B
W-B
W-B
W-B
W-B
E3
98