
100%
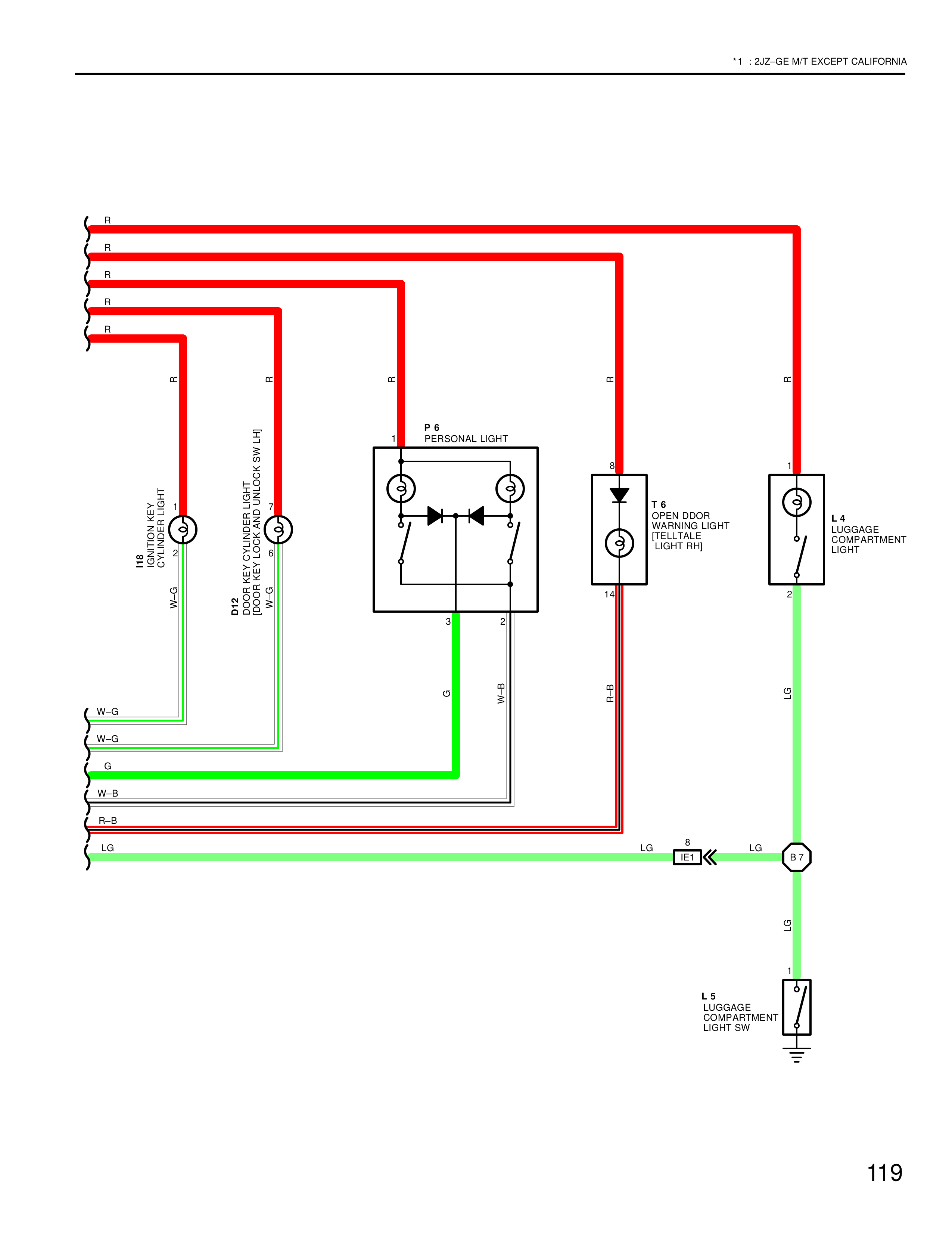
*1 : SUZ-GE M/T EXCEPT CALIFORNIA
R
R
R
R
R
R
R
R
R
R
INSTRUMENT CLUSTER LIGHT
W-G
W-G
D12
DOOR KEY CYLINDER LIGHT
DOOR KEY CYLINDER UNLOCK SW LH1
W-G
W-G
P 6
PERSONAL LIGHT
OPEN DOOR WARNING LIGHT (TELLTALE LIGHT RH)
14
B-B
B
L 4
LUGGAGE COMPARTMENT LIGHT
2
LG
W-G
W-G
G
W-B
R-B
3
G
W-B
2
B7
LG
LG
LG
8
IE1
LG
1
L 5
LUGGAGE COMPARTMENT LIGHT SW
119