
100%
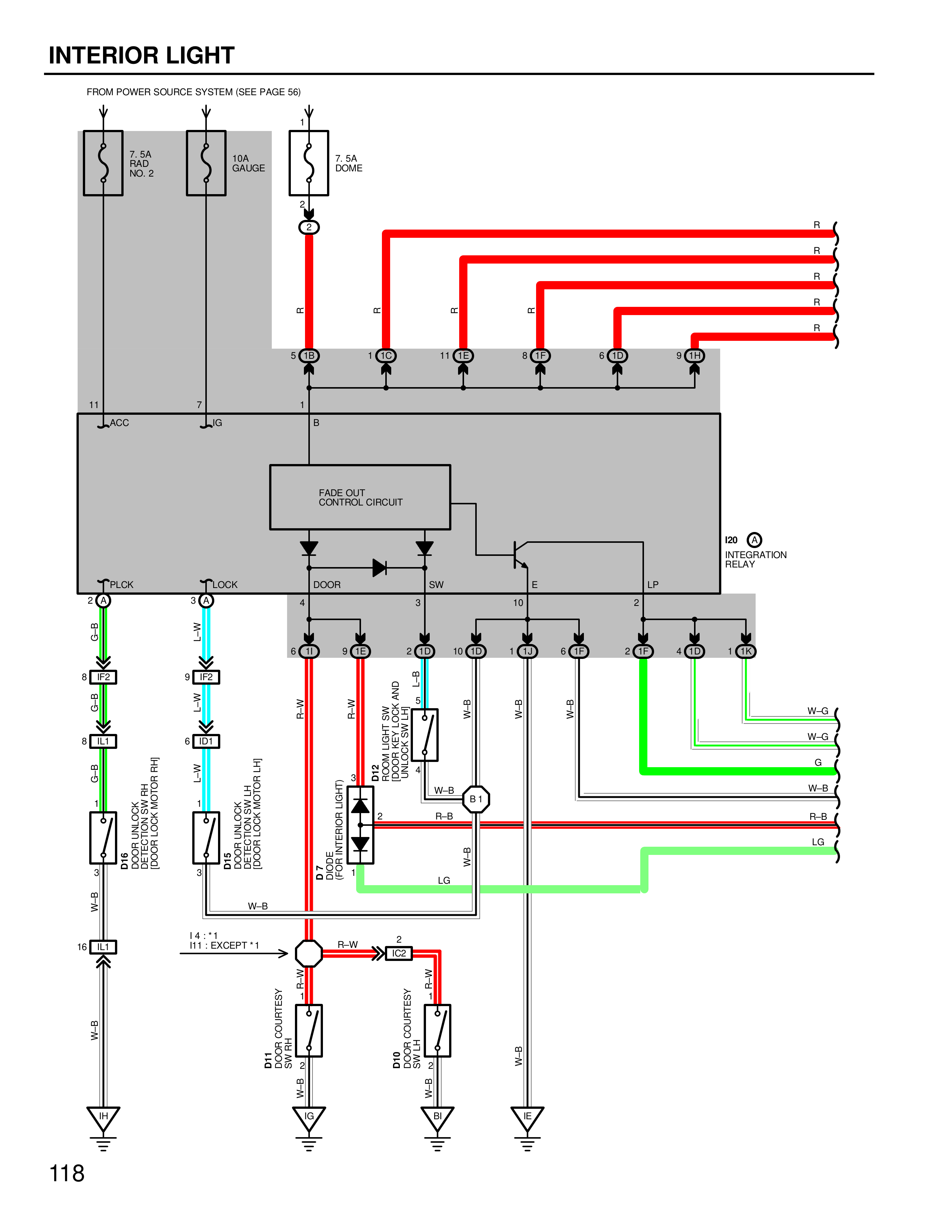
INTERIOR LIGHT
FROM POWER SOURCE SYSTEM (SEE PAGE 56)
7.5A RAD NO. 2
10A GAUGE
7.5A DOME
R
R
R
R
R
E
E
E
E
5 I13
1 I13
11 I13
8 I13
6 I13
9 I13
11
7
1
ACC
IG
B
FADE OUT CONTROL CIRCUIT
I20 C
INTEGRATION RELAY
CLCK
CLOCK
DOOR
SW
E
LP
1
3
4
3
10
2
G-B
W
8 I2-2
8 I2-2
G-B
W
8 I1-1
8 I1-1
G-B
W
8 I1-11
8 I1-11
DOOR UNLOCK WARNING DOOR LOCK ILLUMINATION
DOOR UNLOCK WARNING DOOR LOCK ILLUMINATION
3
3
W-B
Li I1
D7
DOME DOOR LIGHT
8 W-B
9 I13
2 I13
10 I13
1 I13
6 I13
2 I13
4 I13
1 I5
W-R
W-B
LB
B-W
B-W
B-W
ROOM LIGHT SW W-R ROOM LIGHT & DOOR SW LB
2
R-B
D-1
R-B
D7 DOME DOOR LIGHT
LG
R-B
LG
W-G
W-G
G
W-B
R-B
LG
16 I1-1
W-B
I4: *1
I11: EXCEPT *1
R-W
2 I2-2
PH
DIMS RM RHEOSTAT SWITCH
PH
DIMS RM RHEOSTAT SWITCH
3
3
W-B
W-B
W-B
118