
100%
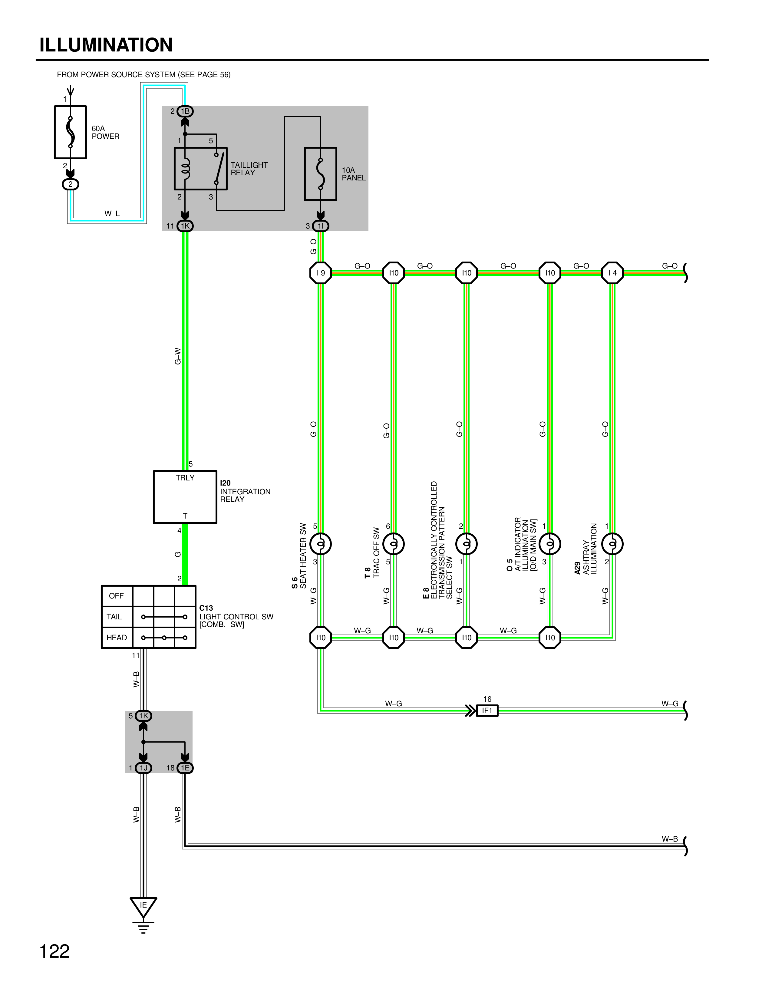
ILLUMINATION
FROM POWER SOURCE SYSTEM (SEE PAGE 56)
1
60A
POWER
2
W-L
EB
1 5
0
2 3
TAILLIGHT
RELAY
10A
PANEL
H 110
8 H1
G-O
G-W
13
110
110
110
114
G-O
G-O
G-O
G-O
G-O
G-O
G-O
G-O
G-O
G-O
5
TRLY
I20
INTEGRATION
RELAY
T
4
S 6
S 4
TAIL HEATER SW
1
3
T6
TRAS. SW
1
3
ELECTRIC MAIN CONTROL LED
(INSTRUMENT PANEL)
SELECTOR
SW
1
2
G
Q 5
AT INDICATOR
ILLUMINATION
(COMB. SW)
1
3
A28
NEUTRAL SW
(AT M/T)
1
3
W-G
W-G
W-G
W-G
W-G
2
OFF
TAIL
HEAD
C13
LIGHT CONTROL SW
(COMB. SW)
W-B
110
110
110
110
W-G
W-G
W-G
W-G
W-G
16
IF1
W-G
5 EB
1 E4
H3 E5
W-B
W-B
W-B
122