
100%
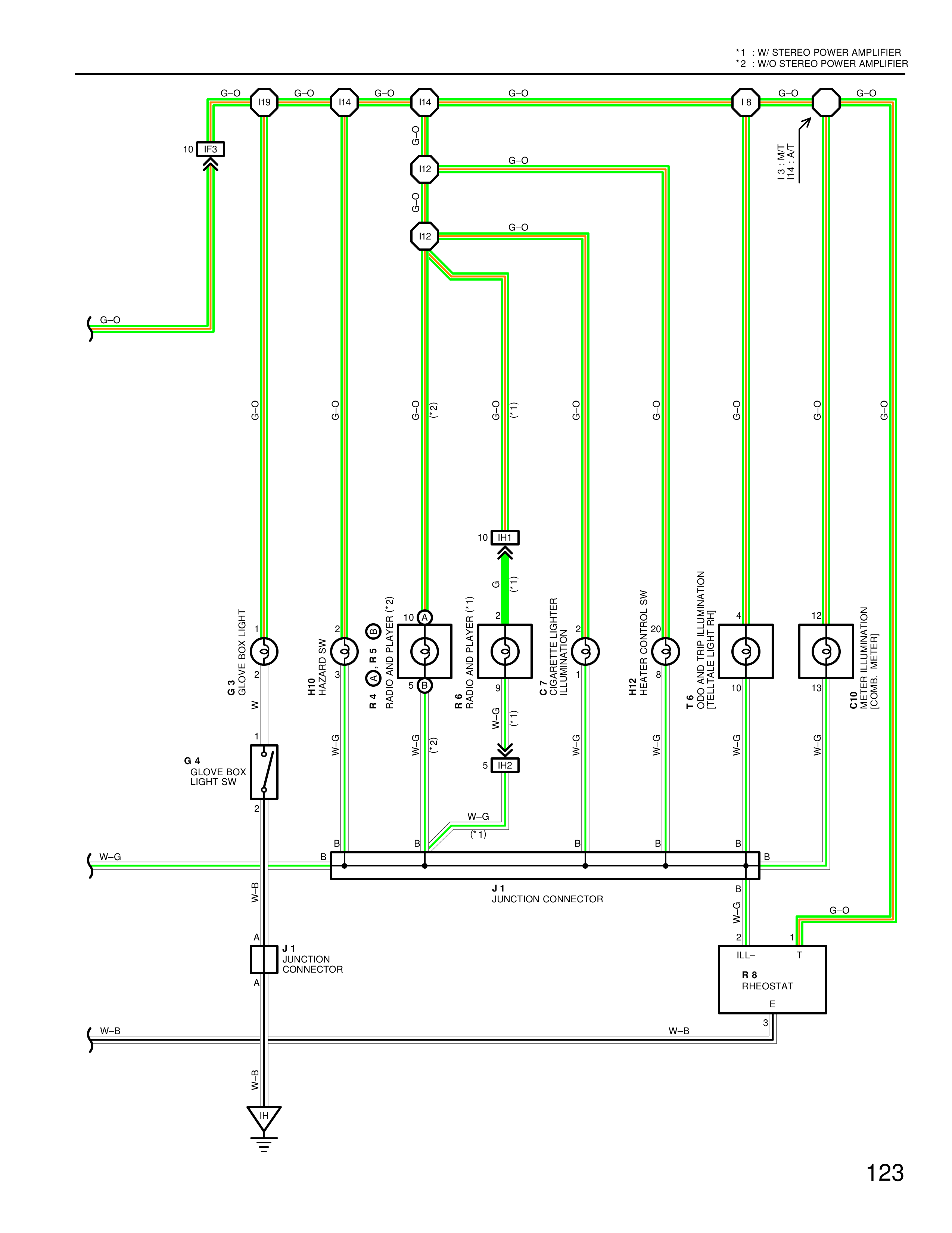
*1 : W/ STEREO POWER AMPLIFIER
*2 : W/O STEREO POWER AMPLIFIER
G-O
I13
G-O
I14
G-O
I14
G-O
I18
G-O
10
I9-3
G-O
I12
G-O
I12
G-O
13.5 W-T
ILL+ A/T
G-O
G-O
G-O
(*2)
G-O
(*1)
G-O
G-O
G-O
G-O
G-O
10
I11-1
G 5
W GLOVE BOX LIGHT SW
G 1
W-G
J1
JUNCTION CONNECTOR
W-B
W+B
3
10
IND.
GLOVE BOX SW.
R 4
RHEOSTAT S/W
R 5
RADIO AND PLAYER (*2)
4
6
R 6
RADIO AND PLAYER (*1)
8
F 7
CIGARETTE LIGHTER
5
M 2
VELOCITY CONTROL SW.
20
D 5
OPE.PANEL ILLUMINATION [HEATER CONT.]
10
F 6
CD PLAYER ILLUMINATION [COMBI.METER]
13
G (*1)
5
I10-2
W-G
W-G
W-G
W-G
W-G
W-G
W-G
W-G
W-G
(*1)
B
B
B
B
B
J1
JUNCTION CONNECTOR
B
W-G
A
J1
JUNCTION CONNECTOR
A
2
1
ILL-
I
R 8
RHEOSTAT
E
3
W-B
123