
100%
OVERALL ELECTRICAL WIRING DIAGRAM
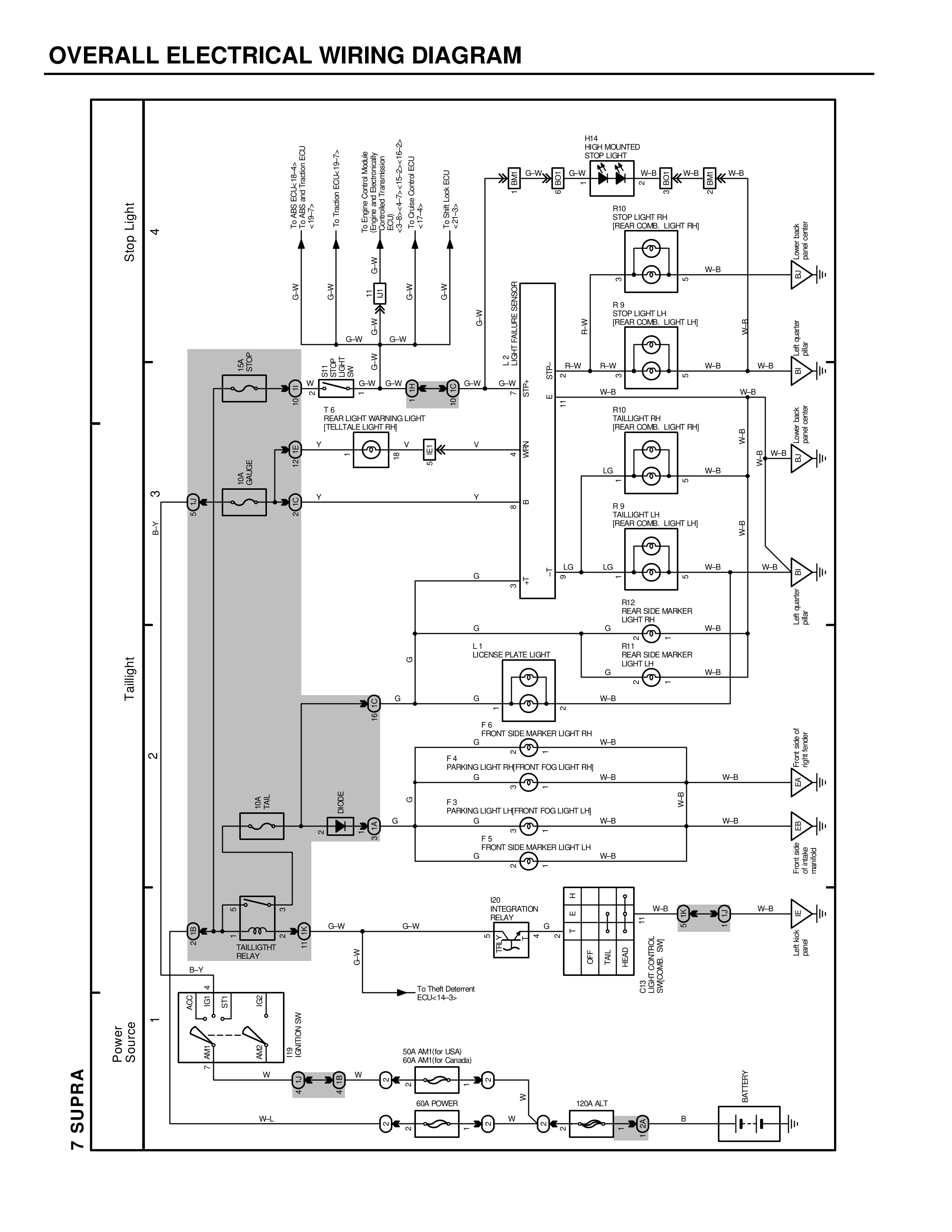
7 SUPRA
Power Source
1
2
3
4
Stop Light
Taillight
AM
IG2
ST
IG1
AM2
IGNITION SW
W
W
W-L
50A AM (for USA)
60A AM (for Canada)
80A POWER
W
W
100A ALT
B
BATTERY
To Theft Deterrent
ECU-14-3b-
B-Y
TAILLIGHT RELAY
G-W
G-W
G-W
B20
COMBINATION METER
G
TRL
G-B
W-B
W-B
Lights and signals ground point
E3
C1 DOOR LOCK MOTOR SW
E-5
FRONT SIDE MARKER LIGHT LH
W-B
E-4
PARKING LIGHT RH(TOP, FOG LIGHT RH
W-B
W-B
W-B
E-3
PARKING LIGHT LH(TOP, FOG LIGHT LH
W-B
W-B
E-2
FRONT SIDE MARKER LIGHT LH
W-B
G
G
G
G
G
G
DOOR SW
TAIL
DIODE
DIODE
STOP
LIGHT
SW
G-W
G-W
G-W
G-W
B
W
T-6
TAILLIGHT WARNING LIGHT (TELLTALE)(COMB MTR)
V
V
V
Y
Y
LICENSE PLATE LIGHT
G
G
W-B
R11
REAR SIDE MARKER LIGHT RH
G
W-B
R12
REAR SIDE MARKER LIGHT LH
G
W-B
G
G
To Side Shift Bulb (C2)
-DIAG-39-
To Heater Control Bulb-3b-
Timing Control B&C Solenoid(E2)
ClutchpntrCtrklm Control(E2)
-DIAG-37-
To Stop Light Control (E3)
-DIAG-14-3b-
To Stop Light (D2)
-DIAG-3b-
HI4
HIGH MOUNTED STOP LIGHT
G-W
G-W
W-B
W-B
W-B
R10
STOP LIGHT RH (HEADCOMB) LIGHT RH
W
W-B
R9
STOP LIGHT LH (HEADCOMB) LIGHT LH
R-W
R-W
W-B
W-B
R8
STOP LIGHT RH (HEADCOMB) LIGHT RH
W
W-B
W-B
R7
TAILLIGHT LH (HEADCOMB) LIGHT LH
LG
LG
W-B
LG
LG
R-W
R-W
STOP
2.5 FUSIBLE LINK
STOP
G-W
G-W
G-W
G-W
G-W
Lights and signals ground point
Lights and signals ground point
Lights and signals ground point
Lights and signals ground point
Lights and signals ground point