
100%
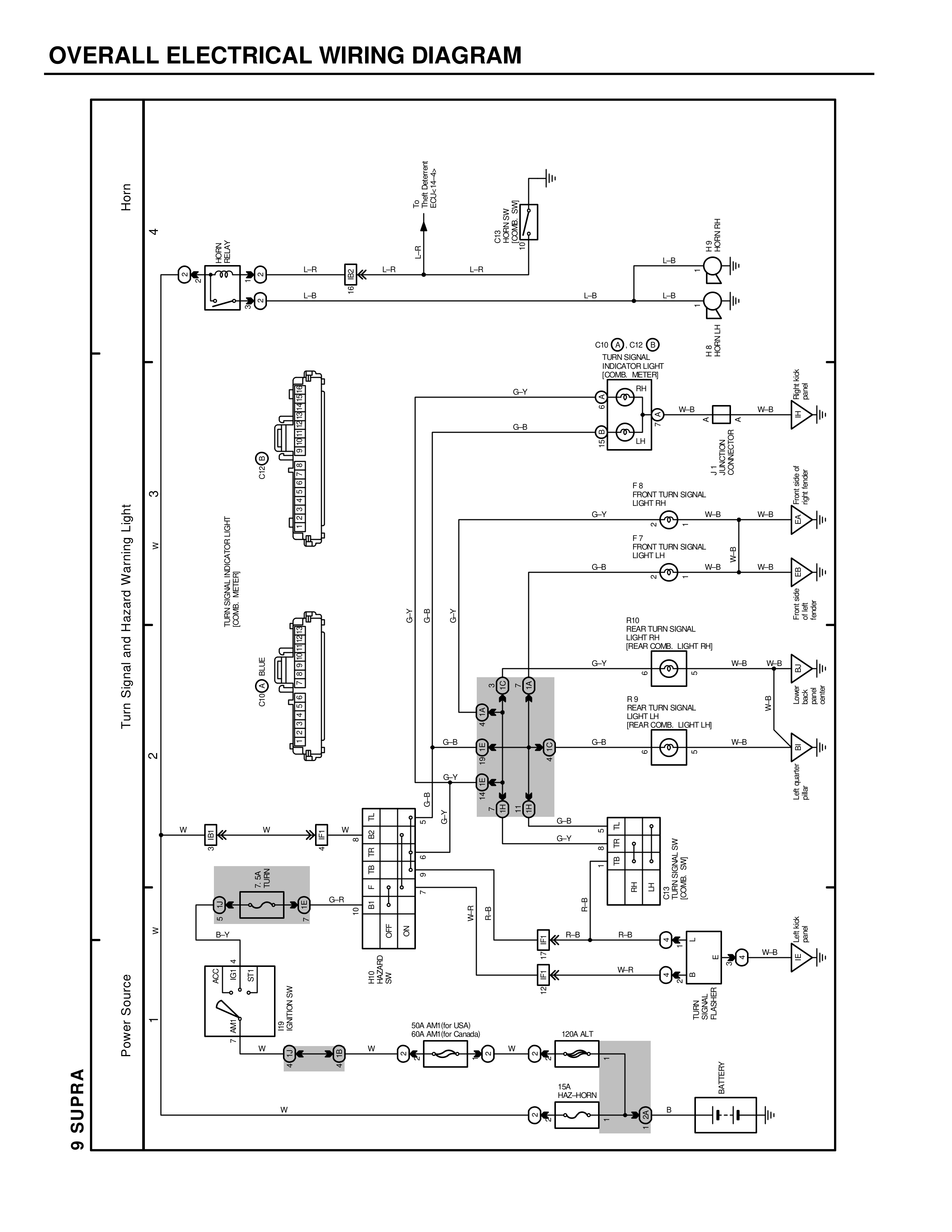
9 SUPRA
Power Source
Turn Signal and Hazard Warning Light
Horn
1
2
3
4
W
50A AM1(for USA)
40A AM1(for others)
W
W
120A ALT
W
15A
HAZ-HORN
B
BATTERY
IGNITION SW
IG SW
W
B-Y
G-B
ST
AM1
IG
7.5A
TAIL
P1
ST
AM1
IG
OFF ACC ON
IG-B
IG-B
R-B
R-B
R-B
W-R
W-R
TURN SIGNAL
FLASHER
W-B
HAZARD
SW
F
B
F
B
FN
LH
G-R
B
F
B
F
B
FN
LH
G-Y
G-B
G-Y
G-B
G-Y
G-B
G-Y
G-B
G-Y
G-B
F.10
REAR TURN SIGNAL
LIGHT RH
(REAR COMB. LIGHT RH)
F.9
REAR TURN SIGNAL
LIGHT LH
(REAR COMB. LIGHT LH)
F.8
FRONT TURN SIGNAL
LIGHT RH
F.7
FRONT TURN SIGNAL
LIGHT LH
W-B
W-B
W-B
W-B
W-B
W-B
W-B
W-B
TURN SIGNAL INDICATOR LIGHT
(COMB. METER)
CH10
CH12
C-10 J/B
COMB. METER
C-10 J/B
DOOR COURTESY
SW
L-R
L-B
IG SW
IG ON
L-R
L-B
L-R
L-B
L-R
To
Room Lamp Relay
ECU A-34
L-R
CTS Relay
C29 A-21
COA-1H
L-B
L-B
L-B
I.R
DCM-NH
I.R
DCM-NH
Frontside
marker
light
Frontside
marker
light
Frontside
marker
light
Frontside
marker
light