
100%
OVERALL ELECTRICAL WIRING DIAGRAM
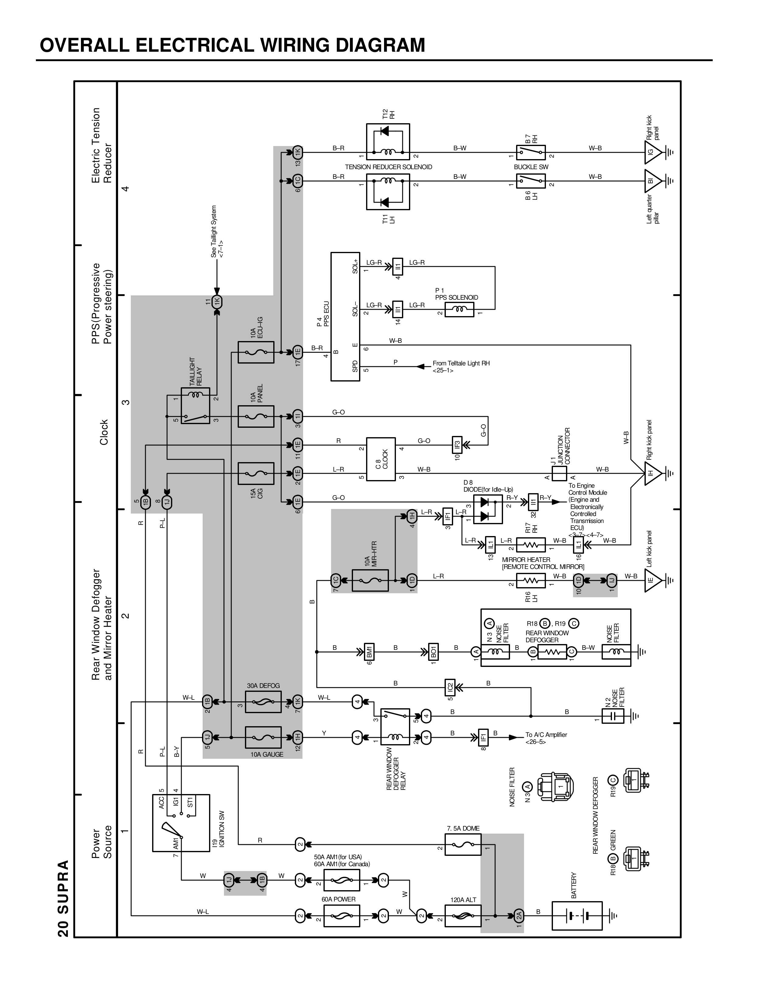
20 SUPRA
Power Source
1
IGN SW
IG2
IG1
ST
AM2
AM1
STARTER SW
R
60A AM1(For USA)
60A AM1(For Canada)
W
W
60A POWER
W-L
W
120A ALT
B
BATTERY
Rear Window Defogger and Mirror Heater
2
10A GAUGE
W-L
Y
B-Y
B
B
B
B
REAR WINDOW DEFOGGER RELAY
To A/C Amplifier <26-3>
NOISE FILTER
N
O
REAR WINDOW DEFOGGER
RH
O
RH
O
LH
VIEW
RIGHT
LEFT
Clock
3
BATTERY RELAY
10A IG2
DO
CLOCK
DO
CLOCK
L-R
PPS/Progressive Power Steering
4
10A EFI
PS ECU
P-1
PPS-SO1 PUMP
C2
LG-R
LG-R
C2
LG-R
LG-R
C1
P
From Taillight Light RH <25-1>
W-B
W
G-O
R
G-O
C2
ENGINE CONTROL ECU
G-O
W-B
L-R
B-Y
B-V
RH-W
D-B
Diode(No.14e)
To Engine Control Module <01-2>
W-B
Electronically Controlled Suspension <30-2>
L-R
LH
RH-W
W-B
MERCURY SWITCH
VEHICLE CONTROL MIRROR
W-B
L-R
W-B
LH RH
Electric Tension Reducer
4
Speed Height System <31-1>
B-R
TENSION REDUCER SOLENOID
C1
B-W
C1
C2
BUCKLE SW
B-R
C2
B-W
C2
B-W
C2
Exhaust gas
7-5A DOME
W-L
W-L
W-B
W-B
W-B
W-B