
100%
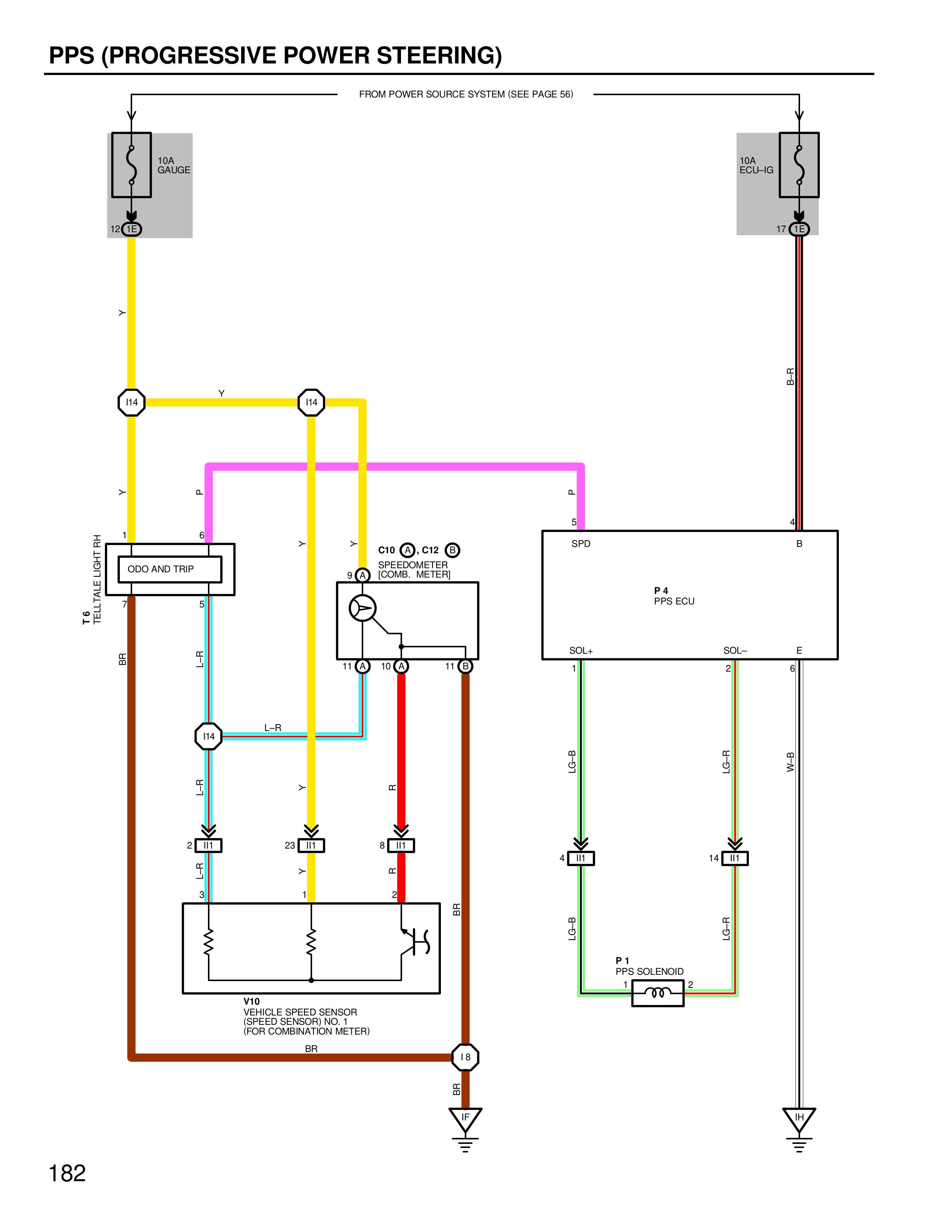
PPS (PROGRESSIVE POWER STEERING)
FROM POWER SOURCE SYSTEM (SEE PAGE 56)
10A GAUGE
I2 LE
10A ECU-IG
17 LE
Y
B
I14
Y
I13
Y
A
G
Y
Y
C10 O C12 W
SPEEDOMETER
(COMB. METER)
SPD
B
P 4
PPS ECU
SOL+
SOL-
E
2
6
IG-B
LG-B
W-B
T/L (LIGHT-BR)
ODO AND TRIP
BR
L-T
S O
11 O
10 W
11 O
I14
L-R
L-T
Y
R
2 I11
23 I11
9 I11
4 I11
14 I11
L-T
Y
G
L-T
3
1
2
IG-B
IG-B
LG-B
LG-B
BR
P 1
PPS SOLENOID
1
2
V10
VEHICLE SPEED SENSOR
(SPEED SENSOR NO.1)
(FOR COMBINATION METER)
BR
I 8
EB
182