
100%
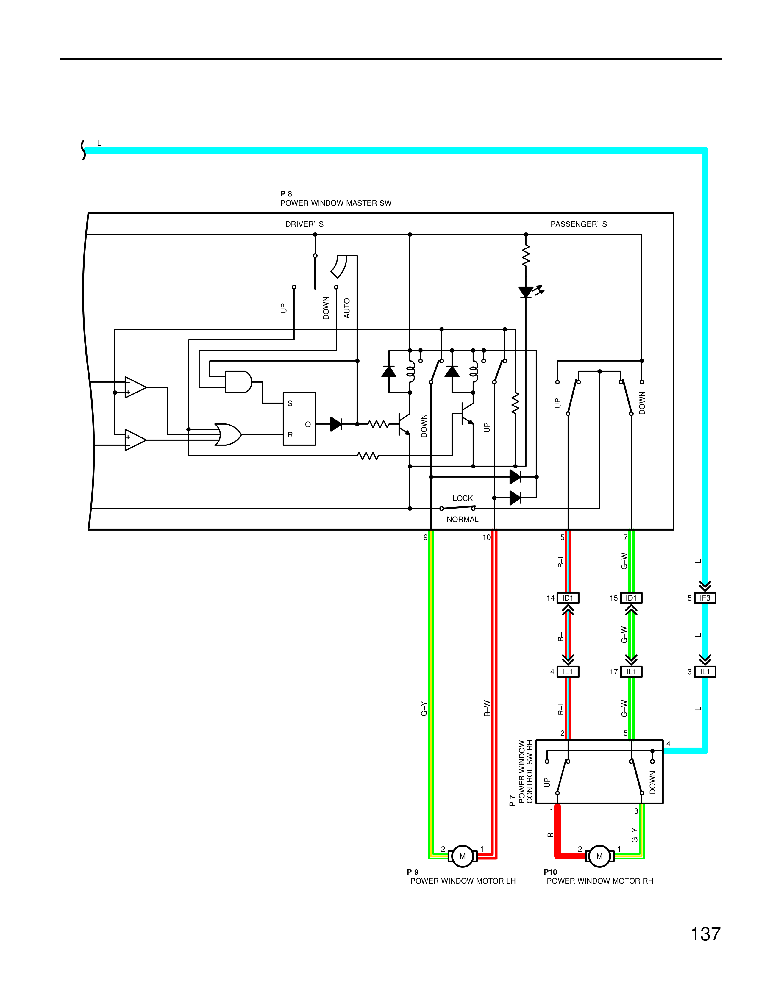
P 8
POWER WINDOW MASTER SW
DRIVER S
PASSENGER S
UP
DOWN
AUTO
DOWN
UP
S
Q
R
DOWN
UP
UP
DOWN
LOCK
NORMAL
9
10
5
7
G-Y
P
G-W
14 JD1
15 JD1
5 P-3
P
G-W
4 JL1
17 JB1
3 JL1
G-Y
P-W
G-W
P 7
POWER WINDOW
CONTROL SW RH
6
1
4
UP
DOWN
3
P
G-Y
2
1
P 9
POWER WINDOW MOTOR LH
M
P10
POWER WINDOW MOTOR RH
M
137