
100%
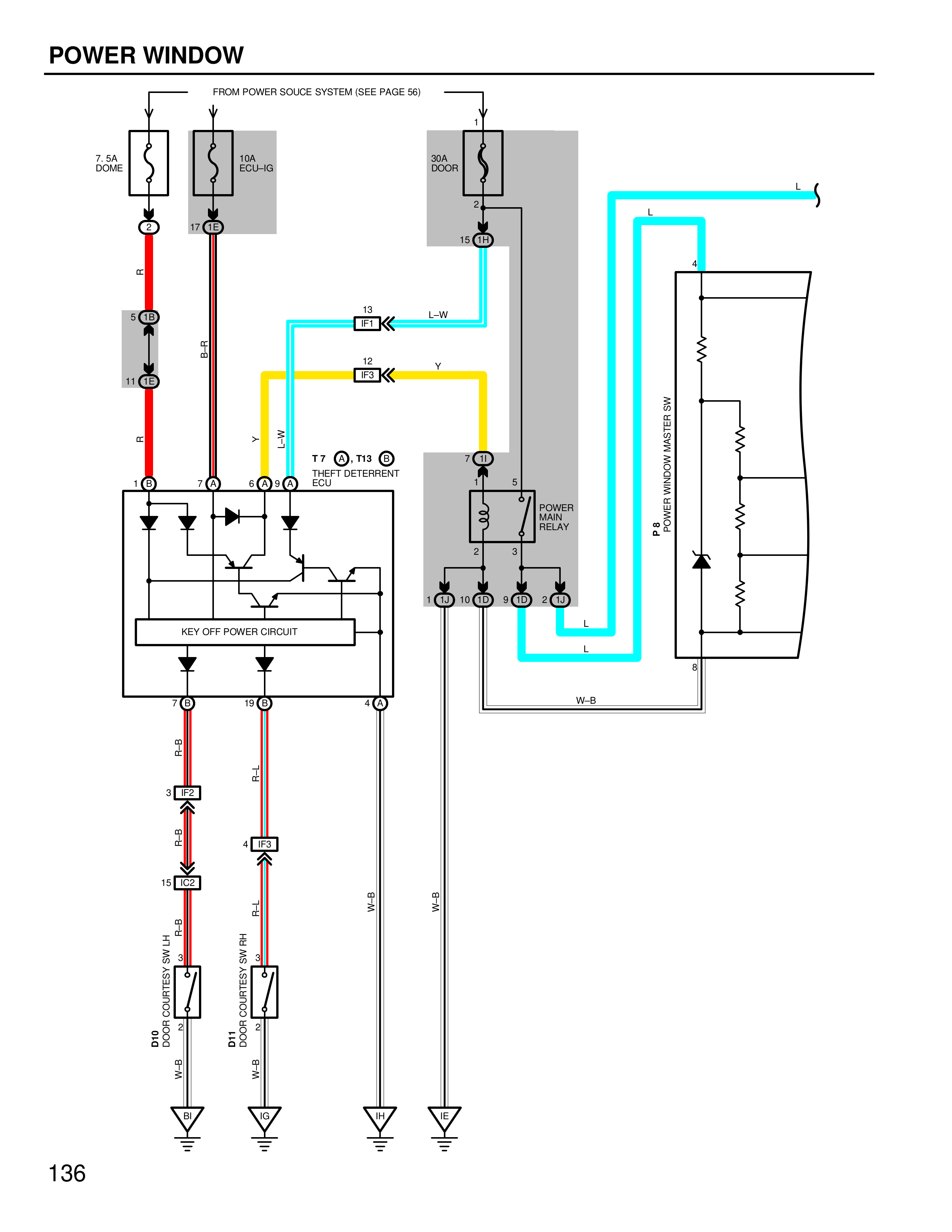
POWER WINDOW
FROM POWER SOURCE SYSTEM (SEE PAGE 56)
7.5A DOME
10A ECU-IG
30A DOOR
B-7
I-7
I-15
2
15 I-15
L
4
B-5 I-15
I2
I-13
L-W
I-11 I-15
I2
I-13
Y
R
L-W
Y
POWER WINDOW MASTER SW
T-7
T-13
D
7 I-11
THEFT DETERRENT ECU
5
POWER MAIN RELAY
1
7
6
9
KEY OFF POWER CIRCUIT
P-8
5
2
3
1
10
4
2
B-8
L
L
8
7
19
4
W-B
B-8
I-1
3
I-2
I-1
I-1
4
I-3
W-B
W-B
15
I-2
I-1
B-8
D-9 DOOR COURTESY SW H
D-11 DOOR COURTESY SW RH
3
2
1
3
2
1
W-B
W-B
136