W-B
W-B
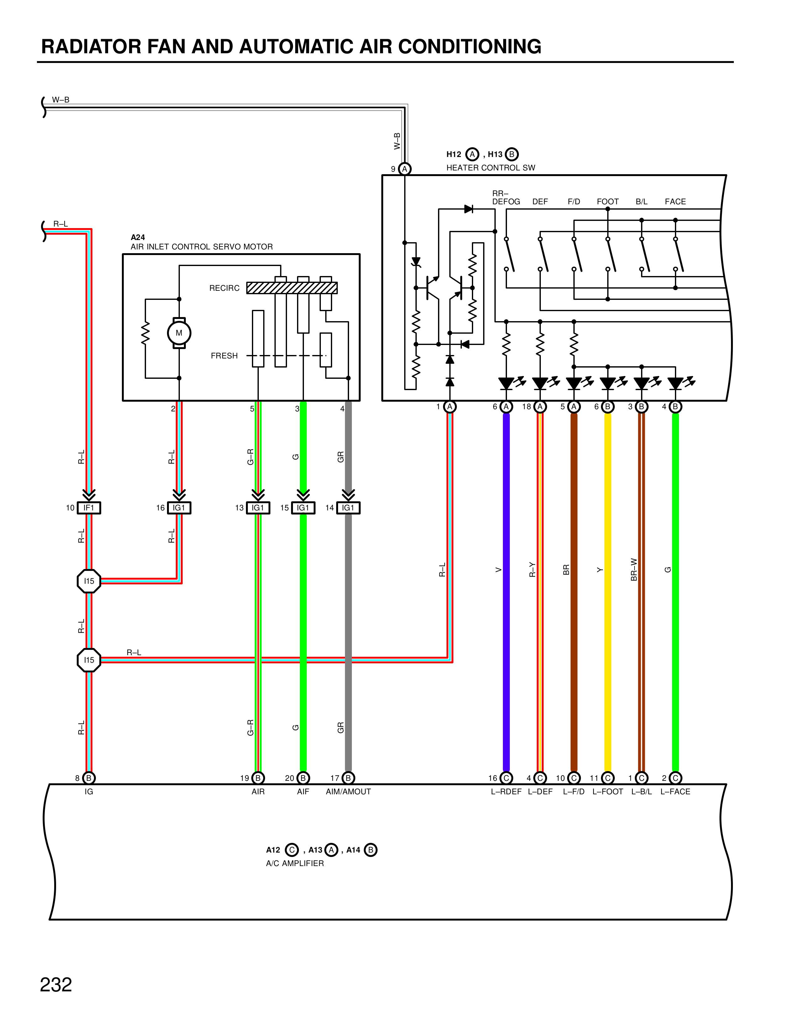
H12 A H13 B
HEATER CONTROL SW
9 A
RR-DEFOG DEF F/D FOOT B/L FACE
R-L
A24
AIR INLET CONTROL SERVO MOTOR
RECIRC
M
FRESH
2
5
3
4
1 A
8 A 18 A
5 A
6 C
3 D
4 G
R-L
R-L
G-R
G
GR
10 H1
16 I3/1
18 I6/1
15 I6/1
14 H3/1
R-L
R-L
R-L
V
L-Y
Br
Y
BR-W
G
H5
H5
R-L
8 C
19 F
20 G
12 G
15 C
4 C 10 C
11 C
1 C
2 C
IG
AIR
AIF
AIM/AMOUT
L-RDEF L-DEF L-F/D L-FOOT L-B/L L-FACE
A12 C A13 C A14 B
A/C AMPLIFIER
232