
100%
*1 : 2JZ-GTE
*2 : 2JZ-GE
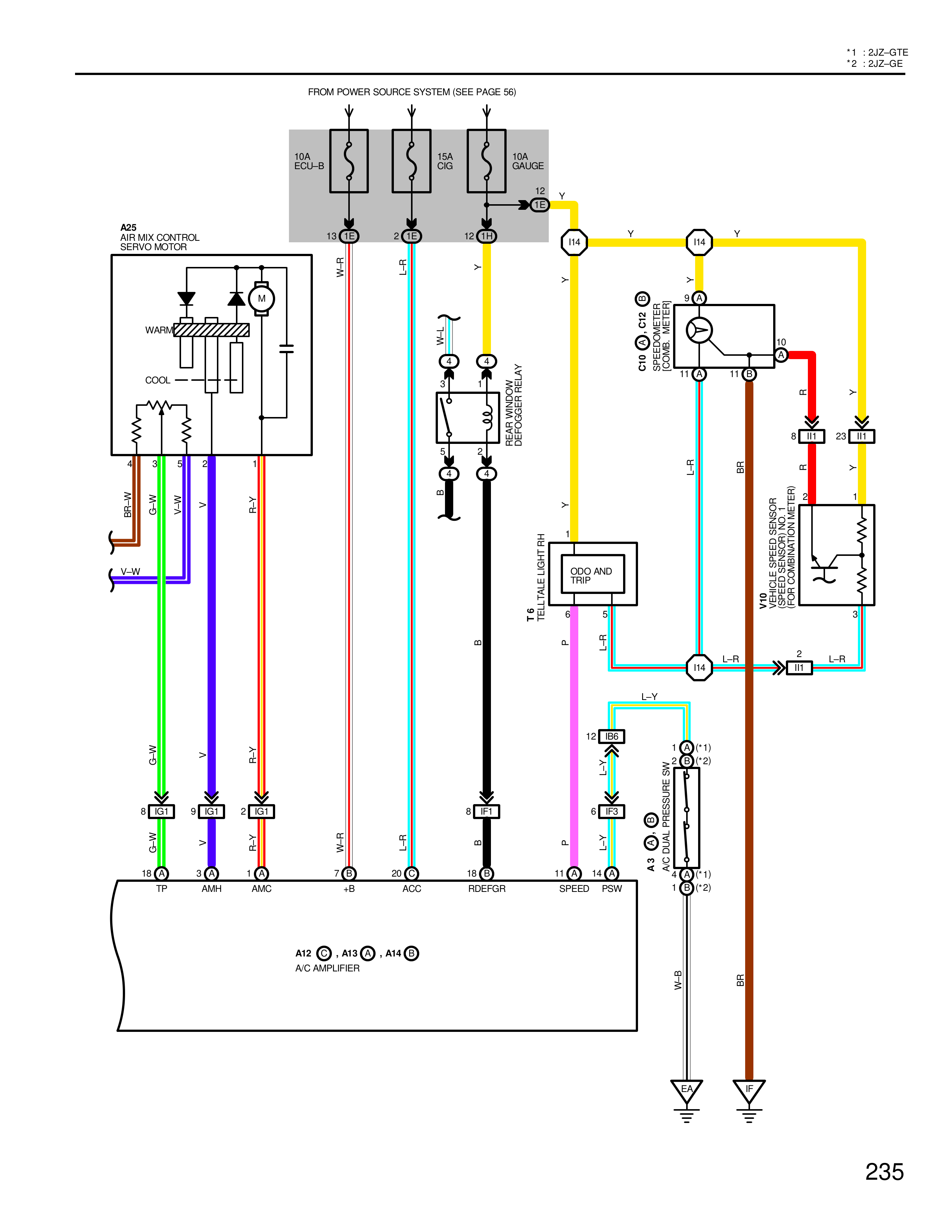
FROM POWER SOURCE SYSTEM (SEE PAGE 56)
10A
ECU-B
15A
CIG
10A
GAUGE
12
I3
A09
REMIX CONTROL
SERVO MOTOR
13 I5
2 I6
12 I11
I14
Y
I14
Y
WA-H
L-R
Y
M
WARM
COOL
WA-H
U-Y
REDO/AFTER RELAY
CHG CT2
COOLER
HOUSE METER
REF/SENSOR SW
LI O
LI O
8 I7
23 I7
L-R
BR
Y
BR-W
G-W
L-V
R-Y
WH-R
REF/SENSOR MOTOR
VENT SENSOR
LO-PHOTO METER
V-W
TE
TELL-LIGHT
CDQ AND
AMB
9 I6
B
L-R
P
L-R
I14
2
I7
L-R
G-W
V
R-Y
B
G-W
I9
V
I9
R-Y
I9
L-Y
12 I6
I8
G-W
9
C-11
2
C-11
8
C-11
6 I9
L-Y
I O(*1)
I O(*2)
I S-W
ACTUAL PRESSURE SW
I O(*1)
I O(*2)
WH-R
L-R
B
P
L-Y
18 O
TP
3 O
AMH
1 O
AMC
7 O
+B
20 O
ACC
18 O
RDE/GR
11 O
SPEED
14 O
PSW
WH-B
BR
A12 O , A13 O , A14 O
A/C AMPLIFIER
WH-B
BR
235