
100%
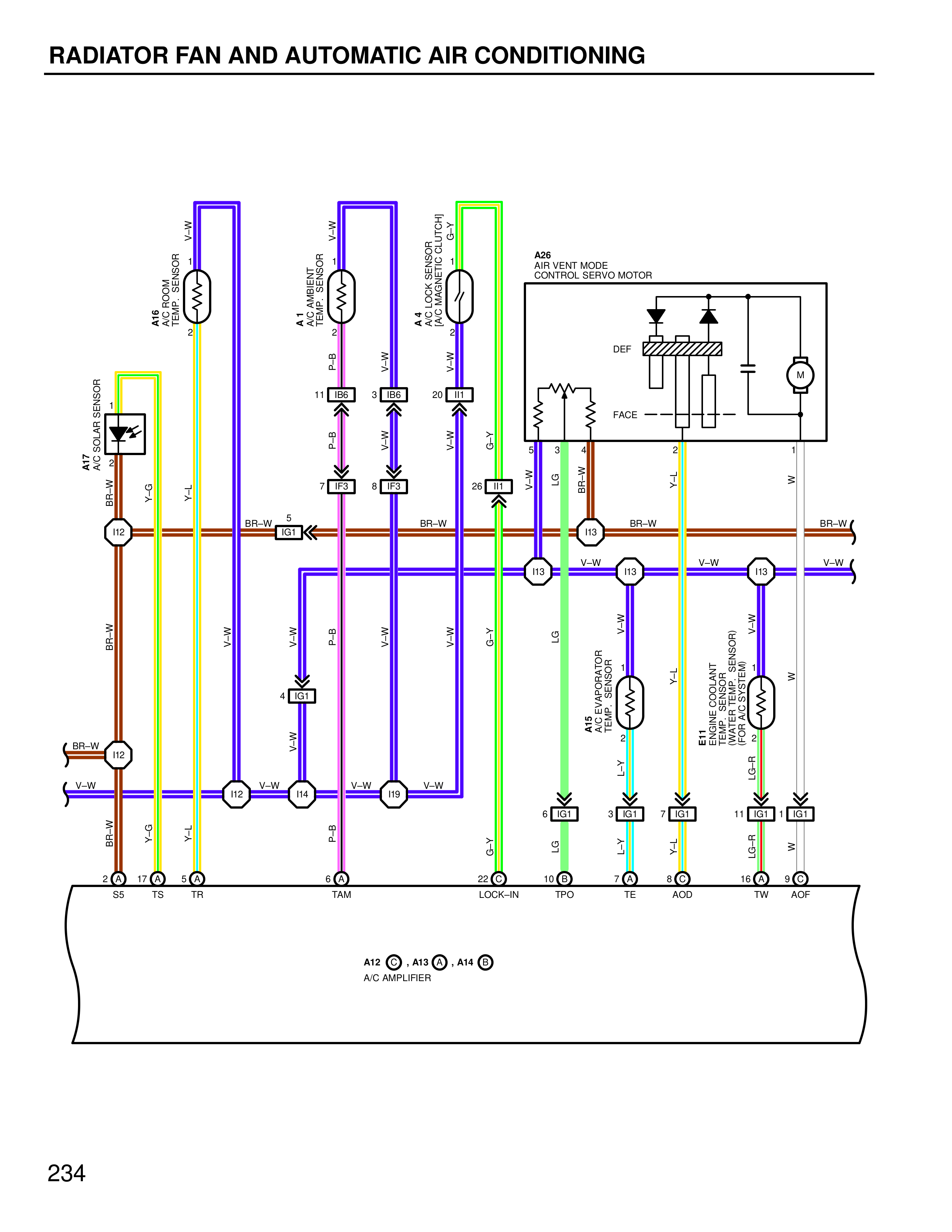
RADIATOR FAN AND AUTOMATIC AIR CONDITIONING
A46
AIR VENT MODE CONTROL SERVO MOTOR
DEF
FACE
M
3
4
2
1
LG
BR-W
Y-L
W
I13
V-W
I13
V-W
I13
A7
SOLAR SENSOR
A16
A/C SENSOR
RECIRCULATOR
A1
AMBIENT SENSOR
A/C TEMP SENSOR
A4
EVAPORATOR SENSOR
(CONDENSATE DRAIN)
W-V
W-V
W-V
11
R30
3
R30
20
R1
P-B
W-V
W-V
G-Y
7
R34
8
R33
28
I11
3
5
LG
BR-W
I02
BR-W
LG1
BR-W
I13
V-W
I13
BR-W
V-W
BR-W
W-V
V-W
P-B
W-V
W-V
G-Y
LG
W-V
W-V
4
R31
BR-W
I02
V-W
I14
V-W
I15
V-W
A16
EVAPORATOR
THERMISTOR
EMP SENSOR
B11
ENG COOLANT
TEMP SENSOR
THERMISTOR
G-W
Y-L
LG-R
W
6
LG1
3
LG1
7
LG1
11
LG1
LG1
Y-G
Y-L
P-B
G-Y
LG
Y-L
Y-L
LG-R
W
2
17
5
6
22
10
7
8
16
9
S5
TS
TR
TAM
LOCK-IN
TPO
TE
ACO
TW
ACF
A12
A13
A14
A/C AMPLIFIER
234