
100%
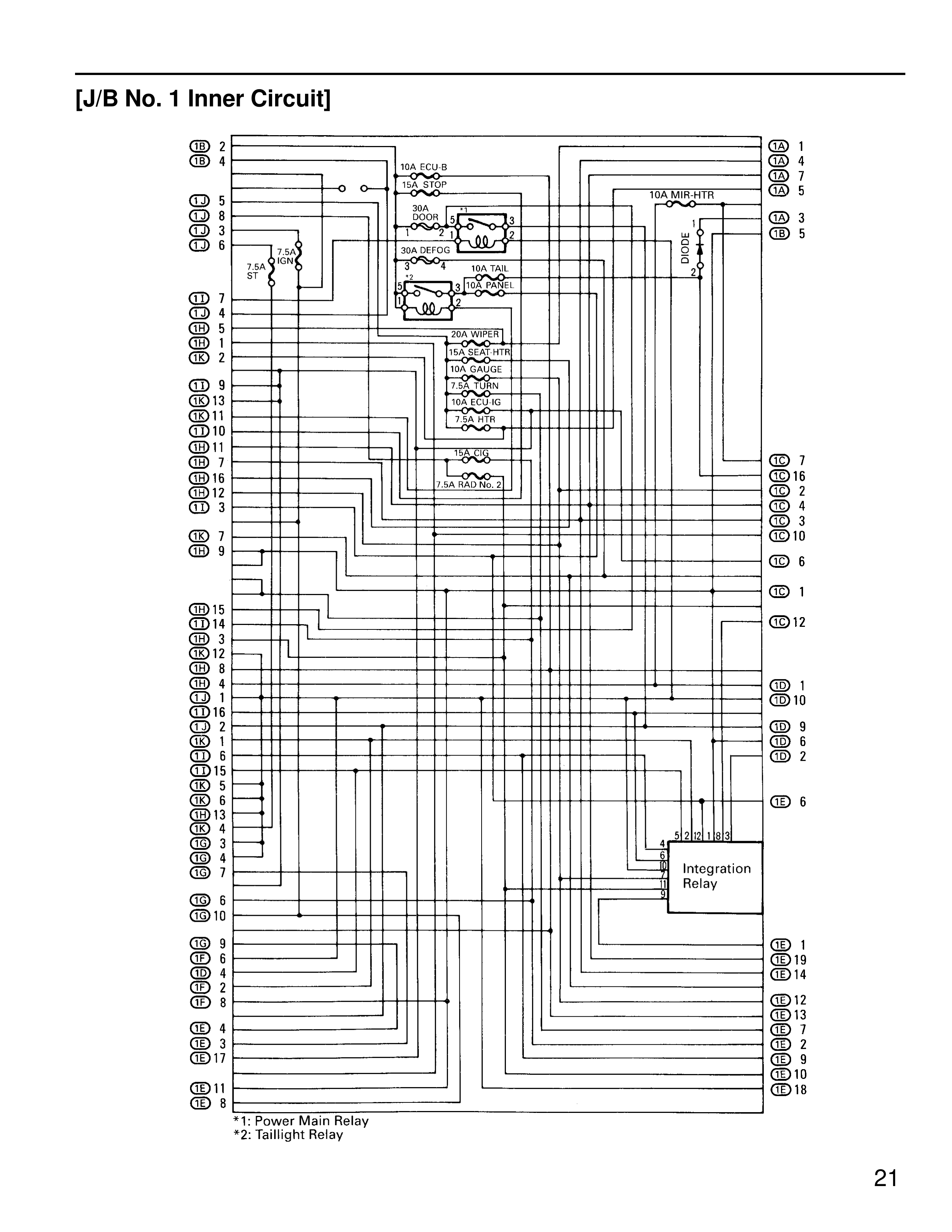
[J/B No. 1 Inner Circuit]
*1: Power Main Relay
*2: Taillight Relay
IGN
7.5A
SA
30A ECU-B
IGN
15A ECU-IG
30A DEF/CC
10A TAIL
10A PANEL
10A WIPER
10A DI-AT,HTR
10A GAUGE
7.5A
TURN
10A ACC-IG
7.5A
ECU-IG
10A MIR-HTR
DRDE5
15A IG
7.5A RAD NO. 2
Integration Relay
Connector Pin Numbers:
TB: 2, 4
TA: 1, 4, 7, 5
T4: 3, 5
T4: 5, 8, 3, 6
T1: 7, 4, 5, 1, 2
T1: 9, 13, 11, 10, 11, 7, 16, 12, 3
T5: 7, 9
TH: 15, 14, 3, 12, 8, 4, 1, 16, 2, 1, 6, 15, 5, 6, 13, 4, 3, 4, 7
TG: 6, 10
TD: 9, 6, 4, 2, 8
TE: 4, 3, 17
TE: 11, 8
TE: 7, 16, 2, 4, 3, 10
TE: 6
TE: 1
TE: 12
TB: 1, 10
TB: 9, 6, 2
TE: 6
TE: 1, 19, 14
TE: 12, 13, 7, 2, 9, 10, 18