
100%
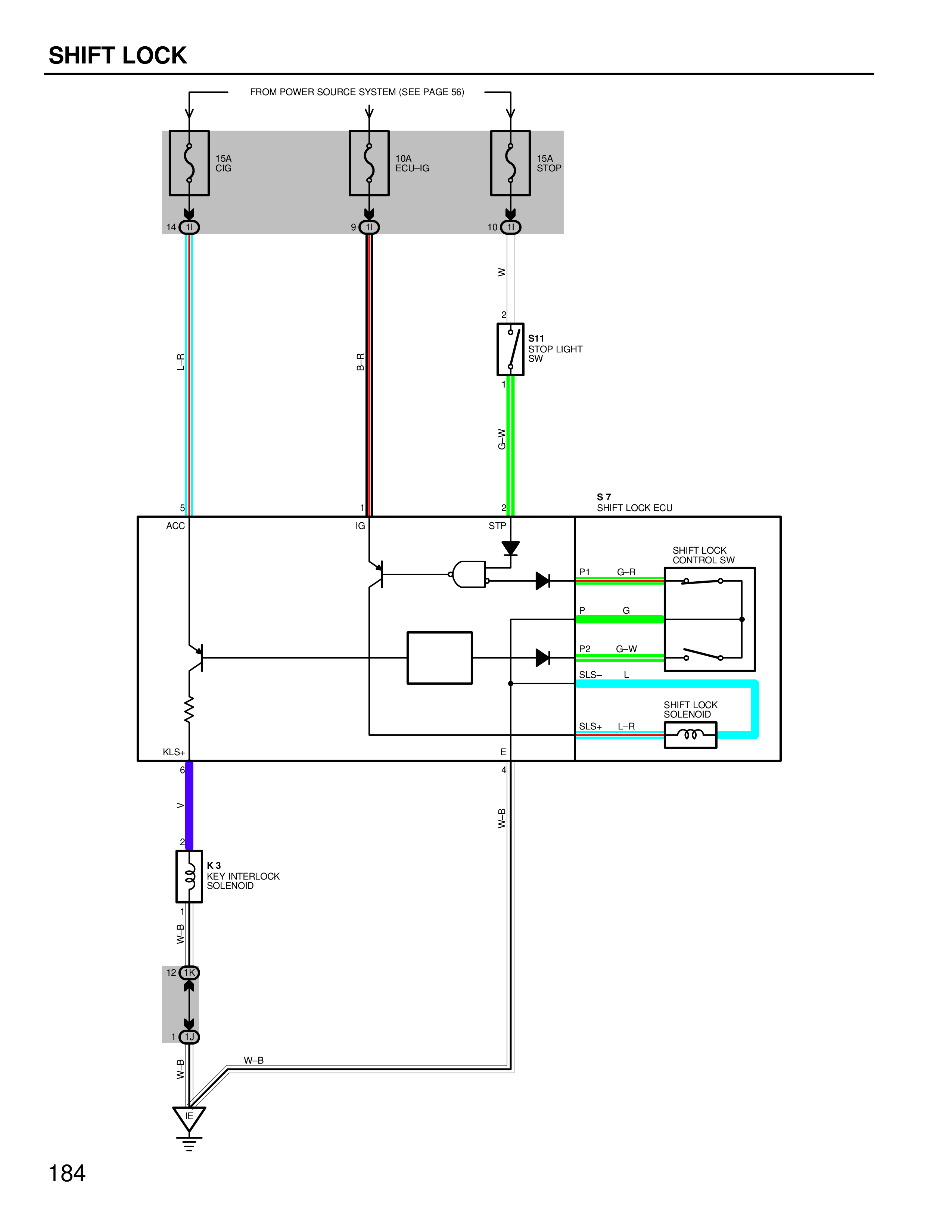
SHIFT LOCK
FROM POWER SOURCE SYSTEM (SEE PAGE 56)
15A CIG
10A ECU-IG
15A STOP
14
8
10
L-R
B-R
W
C
1
2
S11
STOP LIGHT
SW
4
1
G-W
S7
SHIFT LOCK ECU
ACC
IG
STP
SHIFT LOCK
CONTROL SW
P1
G-R
P
G
P2
G-W
SLS-
L
SHIFT LOCK
SOLENOID
SLS+
L-R
KLS+
E
C
4
W=R
3
4
2
K3
KEY INTERLOCK
SOLENOID
1
W-B
92
100
1
W-B
W-B
184