
100%
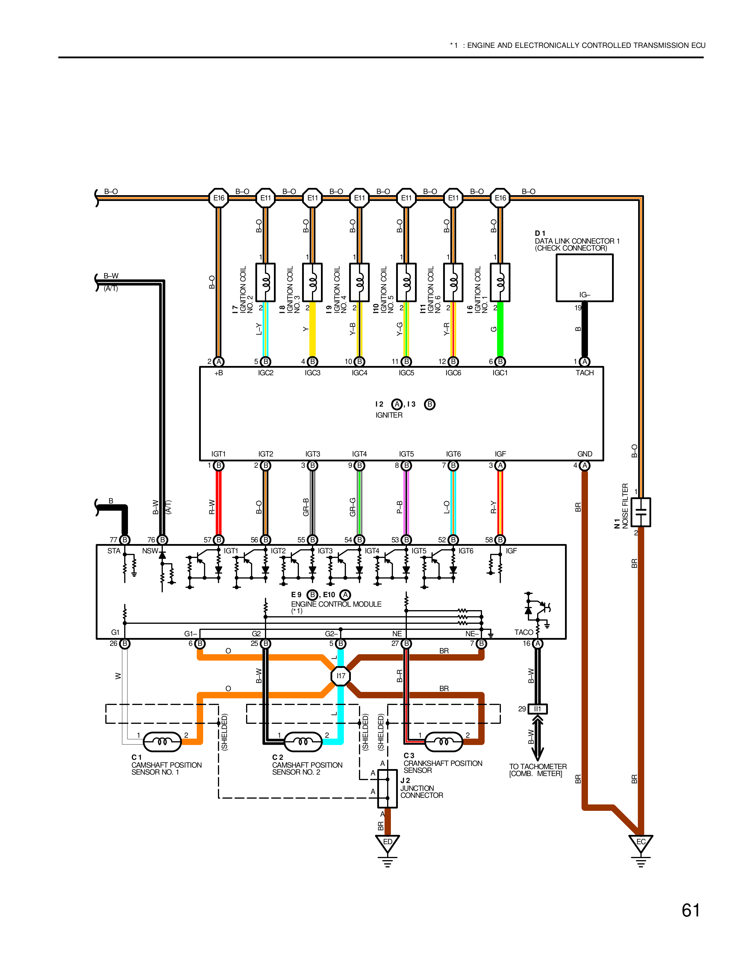
*1 : ENGINE AND ELECTRONICALLY CONTROLLED TRANSMISSION ECU
B-O
EI6 B-O E11 B-O E11 B-O E11 B-O E11 B-O E11 B-O E11 B-O E16
B-O
B-O
B-O
B-O
B-O
B-O
D 1
DATA LINK CONNECTOR 1
(CHECK CONNECTOR)
B-W
AWT
B-Ol
B-Ol
IG-
15
IGNITION COIL
IGNITION COIL
IGNITION COIL
IGNITION COIL
IGNITION COIL
IGNITION COIL
NO. 1
NO. 2
NO. 3
NO. 4
NO. 5
NO. 6
Y-T
Y
Y-R
Y-G
Y-B
G
B
5 8
6 9
10 13
11 14
12 15
14 17
1 4
+B
IGC2
IGC3
IGC4
IGC5
IGC6
IGC1
TACH
I 2 13 IG
IGNITER
IGT1
IGT2
IGT3
IGT4
IGT5
IGT6
IGF
GND
1 5
2 6
3 7
4 8
5 9
6 10
3 7
4 8
B-W
B-W
B-O
G-B
G-G
P-B
L-O
Y-L
BR
R
IGNITER
BR
N.F
N
76 79
NSW
77 80
STA
57 60
56 59
55 58
54 57
53 56
52 55
58 61
IGT1
IGT2
IGT3
IGT4
IGT5
IGT6
IGF
BR
E 9 E10 M
ENGINE CONTROL MODULE
(*1)
BR
TACO
16 4
G1
G2
G2
NE
NE
26 3
6 9
25 2
5 8
7 10
O
B-W
B-W
07
B-W
O
B-W
BR
B-W
BR
29
2B
GR-BER
GR-BER
GR-BER
C 1
CAMSHAFT POSITION
SENSOR NO. 1
C 2
CAMSHAFT POSITION
SENSOR NO. 2
C 3
CRANKSHAFT POSITION
SENSOR
TO TACHOMETER
(COMB. METER)
BR
BR
A 1
JUNCTION
CONNECTOR
A
B
E2
61