
100%
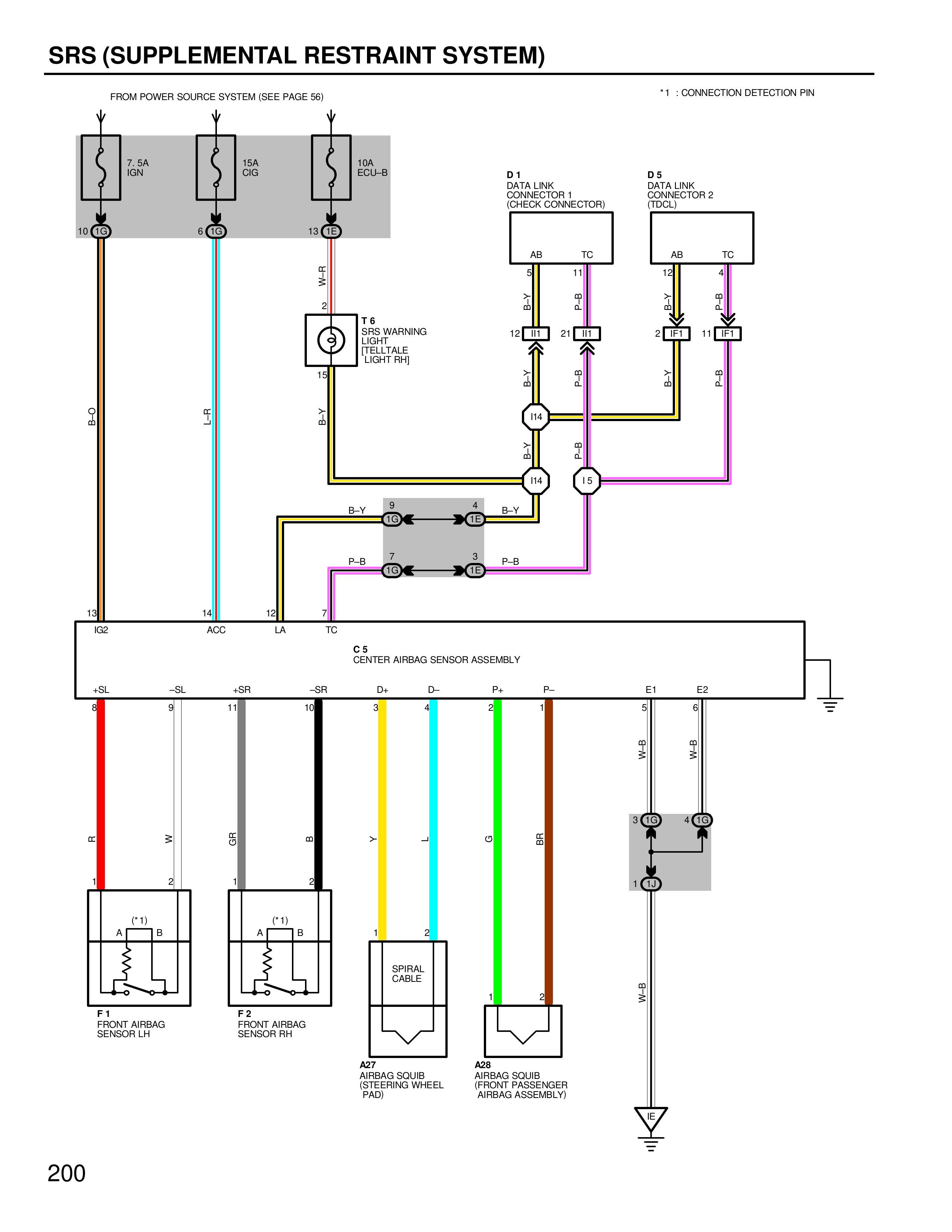
SRS (SUPPLEMENTAL RESTRAINT SYSTEM)
FROM POWER SOURCE SYSTEM (SEE PAGE 56)
*1 : CONNECTION DETECTION PIN
7.5A IGN
15A CIG
10A ECU-B
IG IG IG
16 6 13
IG-0 L-B W-B
Y 6 SRS WARNING LIGHT (TELL TALE LIGHT RH)
11
D 1 DATA LINK CONNECTOR 1 (CHECK CONNECTOR)
AB TC
5 11
B-Y P-B
12 PM 21 PM
B-Y P-B
D 5 DATA LINK CONNECTOR 2 (TDCL)
AB TC
12 4
B-Y P-B
2 PM 11 PM
B-Y P-B
H4 H4 H3
B-Y P-B
D2 D5
B-Y B-Y P-B
P-B D0 D5 P-B
7 3
D4 D5
13 14 12
IG2 ACC LA TC
C 5 CENTER AIRBAG SENSOR ASSEMBLY
+SL -SL +SR -SR D+ D- P+ P- E1 E2
8 9 11 10 3 4 2 1 5 6
R W GR B Y L G BR W-B W-B
F 1 FRONT AIRBAG SENSOR LH
(*1)
A B
1 2
F 2 FRONT AIRBAG SENSOR RH
(*1)
A B
1 2
SPIRAL CABLE
1 2
A 3 AIRBAG SQUIB (STEERING WHEEL PAD)
A 2 AIRBAG SQUIB (FRONT PASSENGER AIRBAG ASSEMBLY)
1 2
3 IG 4 IG
H3 H4
200