
100%
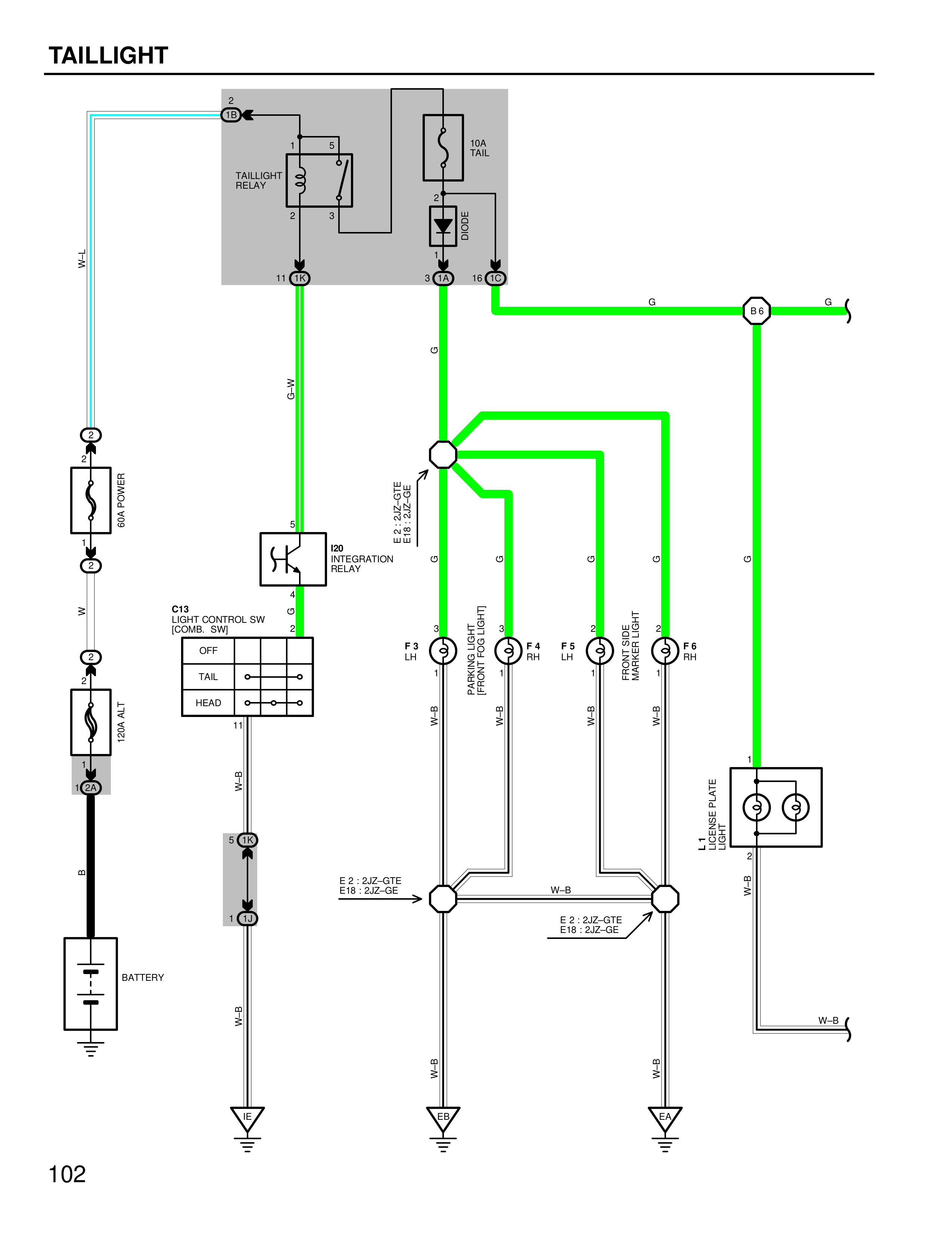
TAILLIGHT
2
HB
1
5
10A
TAIL
TAILLIGHT
RELAY
2
7
3
DIODE
W-L
11
L6
3
L7
18
L9
G
B-6
G
G-W
G
60A POWER
2
E 2 : 2JZ-GTE
E18 : 2JZ-GE
I40
INTEGRATION
RELAY
5
G
G
G
G
G
W
4
C13
LIGHT CONTROL SW
(COMB. SW)
3
F 3
F 4
F 5
F 6
OFF
LF
PARKING LIGHT
(FRONT)
RH
LH
FRONT SIDE
MARKER LIGHT
RH
TAIL
3
3
2
2
120A ALT
1
1
HEAD
W-B
W-B
W-B
W-B
1
2M
W-B
S
L8
E 2 : 2JZ-GTE
E18 : 2JZ-GE
W-B
E 2 : 2JZ-GTE
E18 : 2JZ-GE
L1
LICENSE PLATE
LIGHT
B
1
L1
W-B
2
W-B
BATTERY
W-B
W-B
W-B
102