
100%
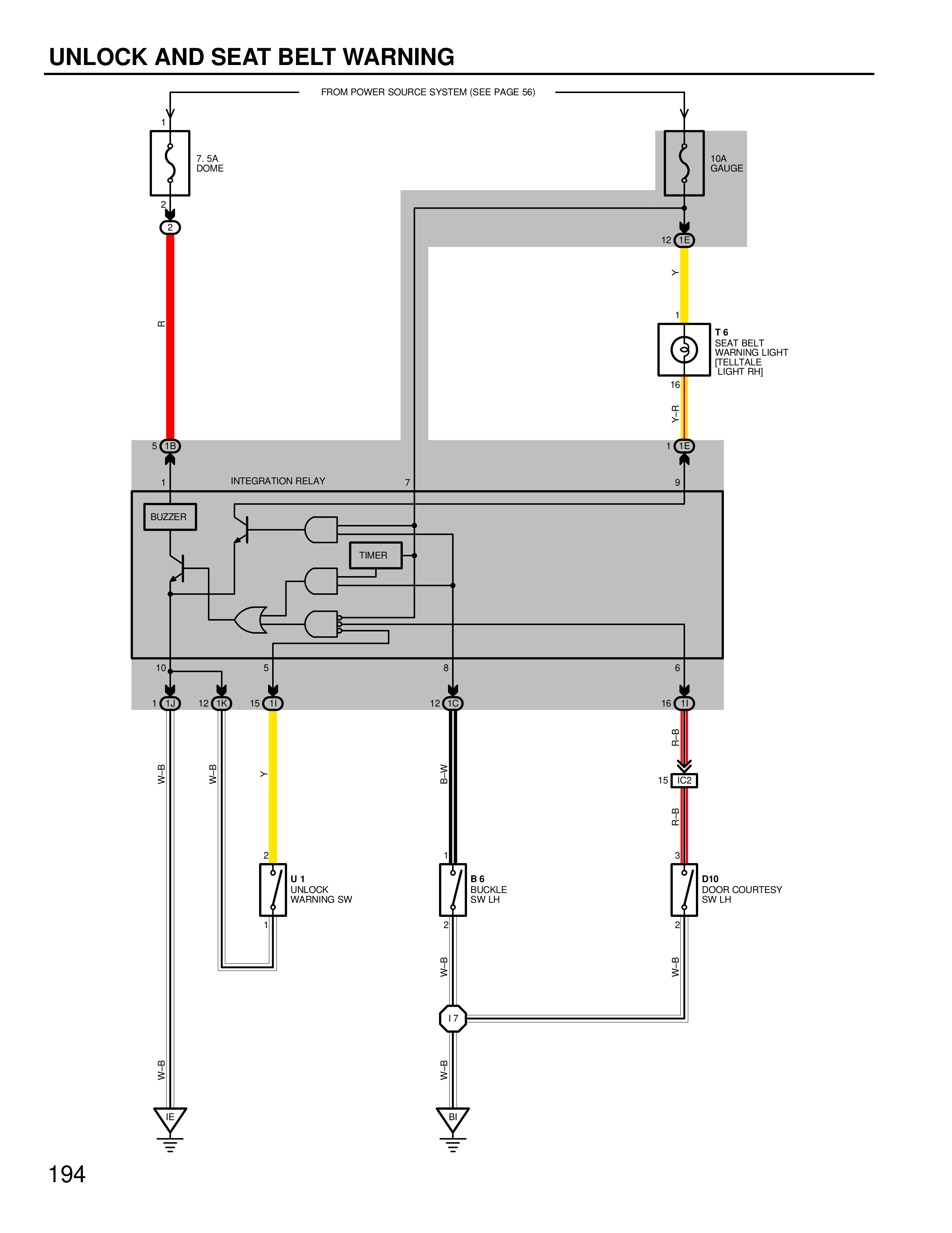
UNLOCK AND SEAT BELT WARNING
FROM POWER SOURCE SYSTEM (SEE PAGE 56)
7.5A
DOME
10A
GAUGE
12 T5
T 6
SEAT BELT
WARNING LIGHT
(COMBINATION
LIGHT RH)
16
R
Y
5 CB
1 CB
1
INTEGRATION RELAY
7
9
BUZZER
TIMER
10
5
8
6
12 T2
16 D1
12 C4
16 C1
W-B
W-B
Y
B-W
R
15 C3
R
8
9
U 1
UNLOCK
WARNING SW
1
2
B 6
BUCKLE
SW LH
1
2
D10
DOOR COURTESY
SW LH
2
B-W
B-W
B-W
17
W-B
W-B
194