
100%
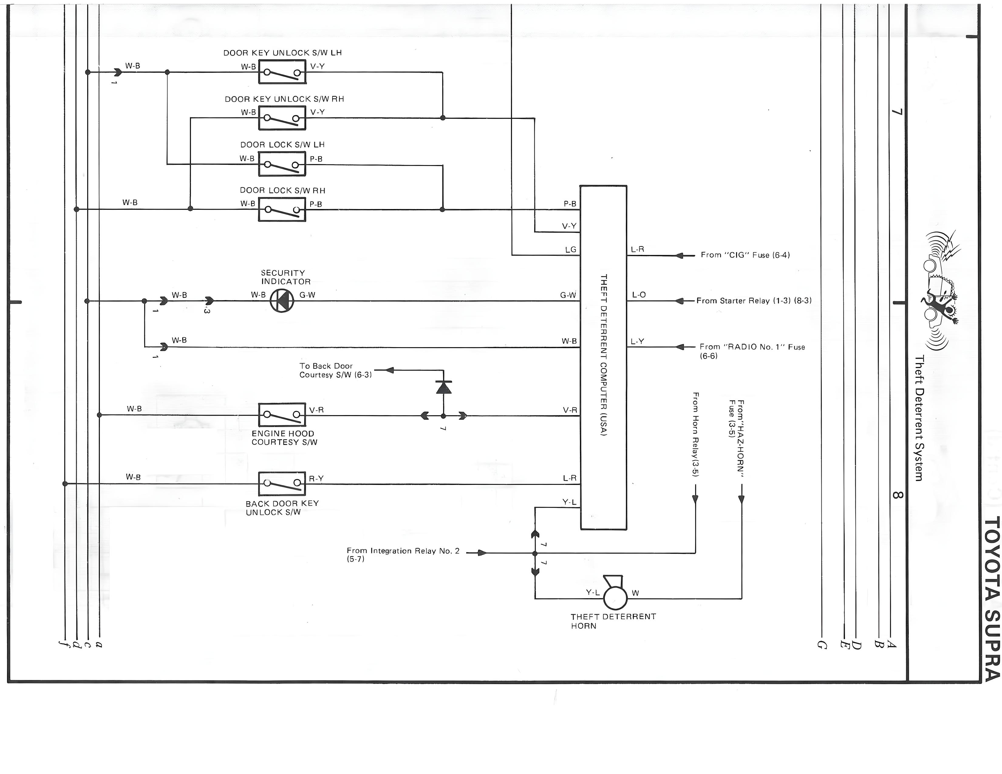
DOOR KEY UNLOCK S/W LH
W-B W-B V-Y
DOOR KEY UNLOCK S/W RH
W-B V-Y
DOOR LOCK S/W LH
W-B P-B
DOOR LOCK S/W RH
W-B P-B
W-B
W-B
P-B
V-Y
L-G
L-R From "CIG" Fuse (6-4)
SECURITY INDICATOR
W-B G-W
W-B G-W
L-O From Starter Relay (1-3) (8-3)
W-B
W-B
L-Y From "RADIO No. 1" Fuse (6-6)
To Back Door Courtesy S/W (6-3)
W-B
V-R
V-R
ENGINE HOOD COURTESY S/W
W-B
R-Y
L-R
BACK DOOR KEY UNLOCK S/W
Y-L
From Integration Relay No. 2 (8-7)
Y-L
W
THEFT DETERRENT HORN
THEFT DETERRENT COMPUTER (1&2)
From Radio (6-10)
From "HAZARD" Fuse (1-5)
TOYOTA SUPRA