
100%
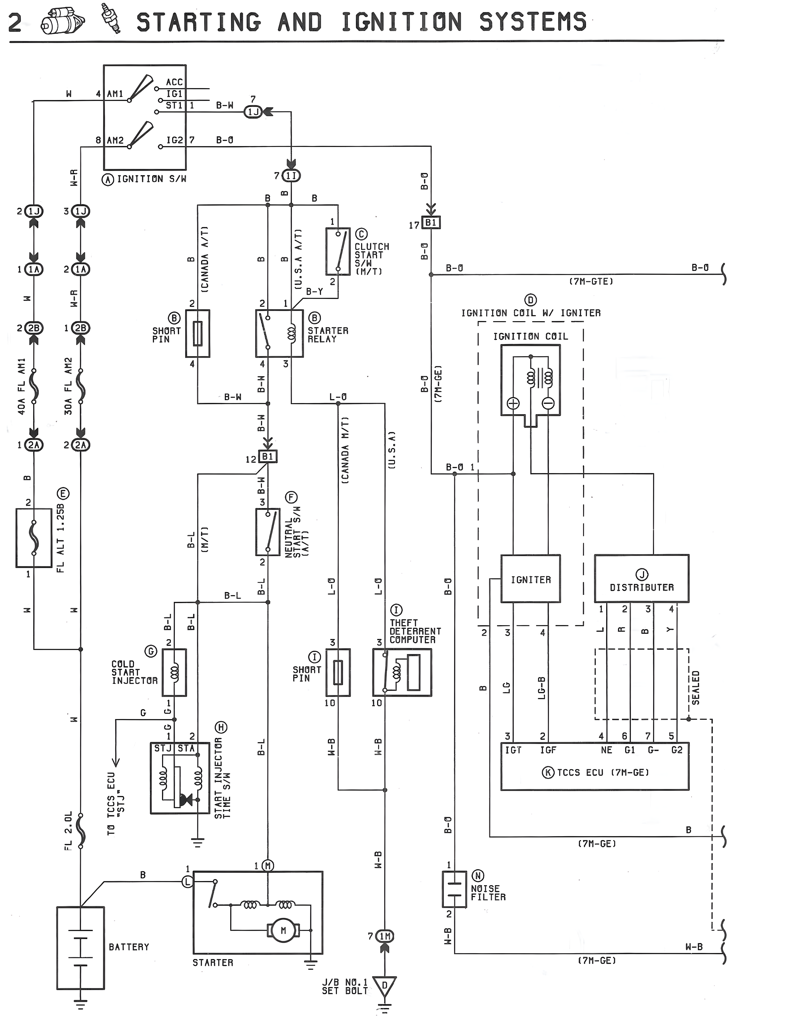
2 STARTING AND IGNITION SYSTEMS
H 4 AM1 ACC IG1 ST1 1 B-W M
B AM2 IG2 7 B-O
W-R
A IGNITION S/W 7 L1 B-O
B B2 B
2 L1 3 L1
B 1 1 17 B1
CANDN W/T B 6 B CLUTCH START
S/W (M/T) B-O B-O
1 M 2 M B-Y 2 (7M-GTE)
B
1 B SHORT PIN 2 1 C IGNITION COIL W/ IGNITER
2 2B 1 2B STARTER RELAY IGNITION COIL
B-W 4 4 3 B-O
B-W (7M-GE)
AM1 AM2
B-L
30A FL 30A FL
B-W L-O
1 2A 2 2A M/T
CANDN W/T
(U.S.A)
B
12 B1 B-O
E B-L
FL ALT 0.85B P 3 4 B-L
2 CLUTCH START
B-L S/W
(M/T) (M/T)
1 2 IGNITER DISTRIBUTER
J
B-L B-L 1 2 3 4
N N L-O
L-O L-O B-O - R B Y
L-O L-O B-O
D I THEFT DETERRENT COMPUTER
C 3 3
COLD START INJECTOR I SHORT PIN
10 10 B LG LG-B SELECT
N
G L 3 2 4 6 7 5
STJ STA 2 IGT IGF NE G1 G- G2
H TO TCCS ECU STJ 10 K TCCS ECU (7M-GE)
TIMER SM-RECTOR
B-L W-B W-B
FL 2A BL
(7M-GE)
B-O B
1 N
B B 1 N
NOISE FILTER
2
BATTERY W-B
7 L10
STARTER W-B
JE# NO.1 V
SET BOLT