
100%
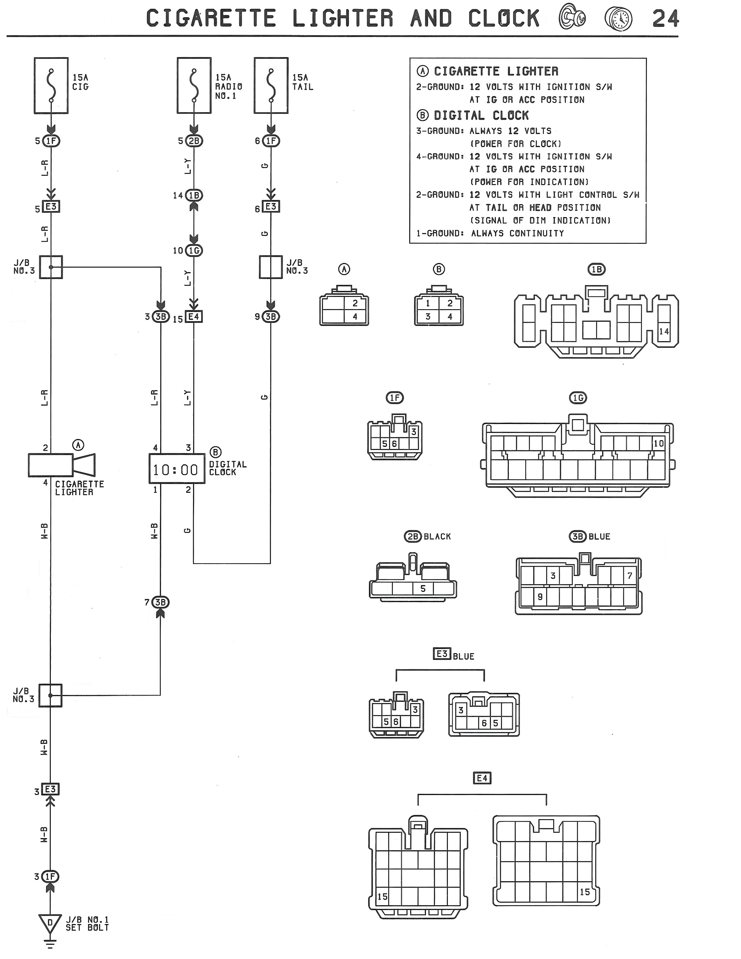
CIGARETTE LIGHTER AND CLOCK 24
15A CIG
15A RADIO NO.1
15A TAIL
5 1F
5 2B
8 1F
5 E3
14 1B
8 E3
J/B NO.3
10 1B
J/B NO.3
3 3D 15 E4
9 3D
2 A
4 3
CIGARETTE LIGHTER
10:00
1 2
B DIGITAL CLOCK
7 3B
J/B NO.3
3 E3
3 1F
J/B NO.1 SET BOLT
A CIGARETTE LIGHTER
2-GROUND: 12 VOLTS WITH IGNITION S/W AT IG OR ACC POSITION
B DIGITAL CLOCK
3-GROUND: ALWAYS 12 VOLTS (POWER FOR CLOCK)
4-GROUND: 12 VOLTS WITH IGNITION S/W AT IG OR ACC POSITION (POWER FOR INDICATION)
2-GROUND: 12 VOLTS WITH LIGHT CONTROL S/W AT TAIL OR HEAD POSITION (SIGNAL OF DIM INDICATION)
1-GROUND: ALWAYS CONTINUITY
A
1 2
3 4
B
1 2
3 4
1B
1F
1
5 6
1G
1 2 3 4 5 6 7 8 9 10
2B BLACK
1
5
3B BLUE
1 3 5 7
9
E3 BLUE
1 2
5 6
1 2
3 6 5
E4
15
15
W-B
W-B
W-B
W-R
W-B
B
W-B