
100%
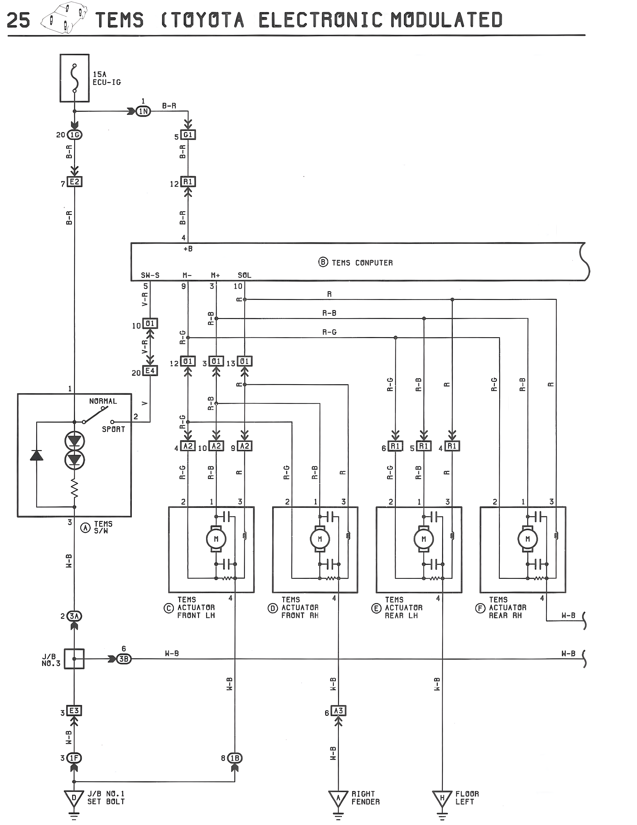
25 TEMS (TOYOTA ELECTRONIC MODULATED SUSPENSION)
15A ECU-IG
1 IM B-R
20 IG 5 C1
B-R B-R
7 E2 12 D1
B-B B-B
4
+B
Ⓑ TEMS COMPUTER
SW-S M- M+ SOL
5 9 3 10
V-R R
R-B
10 D1
V-R R-G
R-G
12 D1 3 D1 1 D1
20 E4
1
NORMAL V
SPORT 2
3
Ⓐ TEMS
SW
W-B
2 C1
J/B
NO.3 6 3B W-B
3 E3
W-B
3 IG
8 IB
J/B NO.1
SET BOLT RIGHT FLOOR
FENDER LEFT
R-G R-B R R-G R-B R
R-B R-B
R-G R-B R R-G
4 L2 10 L2 8 L2 6 D1 5 D1 4 D1
R-G R-B R R-G R-B
R-G R-B R R-B R
2 1 3 2 1 3 2 1 3 2 1 3
M M M M
4 4 4 4
Ⓒ TEMS Ⓓ TEMS Ⓔ TEMS Ⓕ TEMS
ACTUATOR ACTUATOR ACTUATOR ACTUATOR
FRONT LH FRONT RH REAR LH REAR RH W-B
W-B W-B W-B
6 A3
W-B