
100%
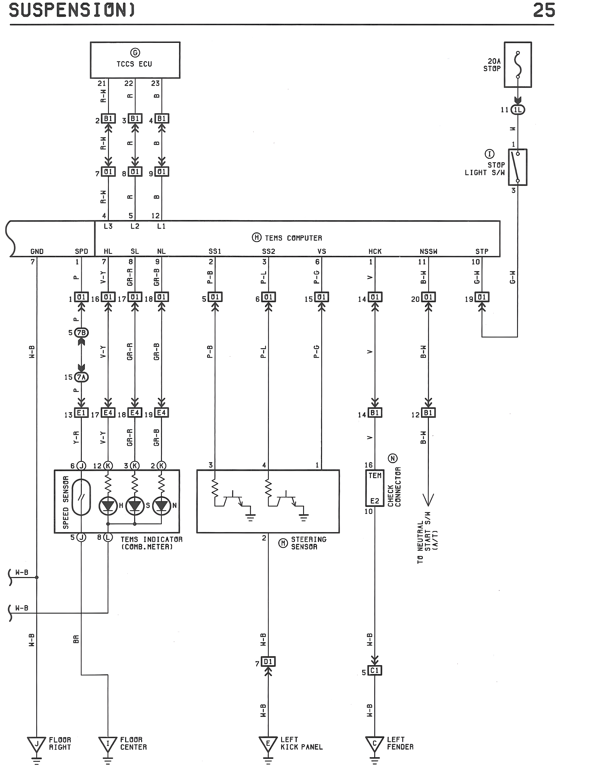
SUSPENSION) 25
⑥ TCCS ECU
21 22 23
R-M ① B
2 B1 3 B1 4 B1
R-M ① B
7 D1 8 D1 9 D1
R-M ① B
4 5 12
L3 L2 L1
⑭ TEMS COMPUTER
GND SPD HL SL NL SS1 SS2 VS HCK NSSM STP
7 1 71 81 91 2 3 6 1 11 10
P Y+ GR-B GR-B P-B P-L P-G > B-H B-H C-H
1 D1 16 D1 17 D1 19 D1 5 D1 6 D1 15 D1 14 D1 20 D1 18 D1
W-B V-Y GA-R GR-B P-B P-L P-G > B-H
5 7D
W-B V-Y GA-R GR-B
15 7A
P
13 E1 17 E4 18 E4 19 E4 14 B1 12 B1
Y-R V-Y GR-R GR-B > B-H
6 ① 12 ⑫ 3 ⑬ 2 ⑬
NSSM SENSOR
SPEED SENSOR
5 ① 8 ① TEMS INDICATOR (COMB.METER)
3 4 1
② STEERING SENSOR
2
⑮ TEM CHECK CONNECTOR
16 E2 10
TO NEUTRAL START S/W O/VTY
M-B
M-B
W-B BR W-B W-B
7 D1 5 D1
W-B W-B
FLOOR RIGHT FLOOR CENTER LEFT KICK PANEL LEFT FENDER
⑳A STOP
20A STOP
11 11
① STOP LIGHT S/W
3