
100%
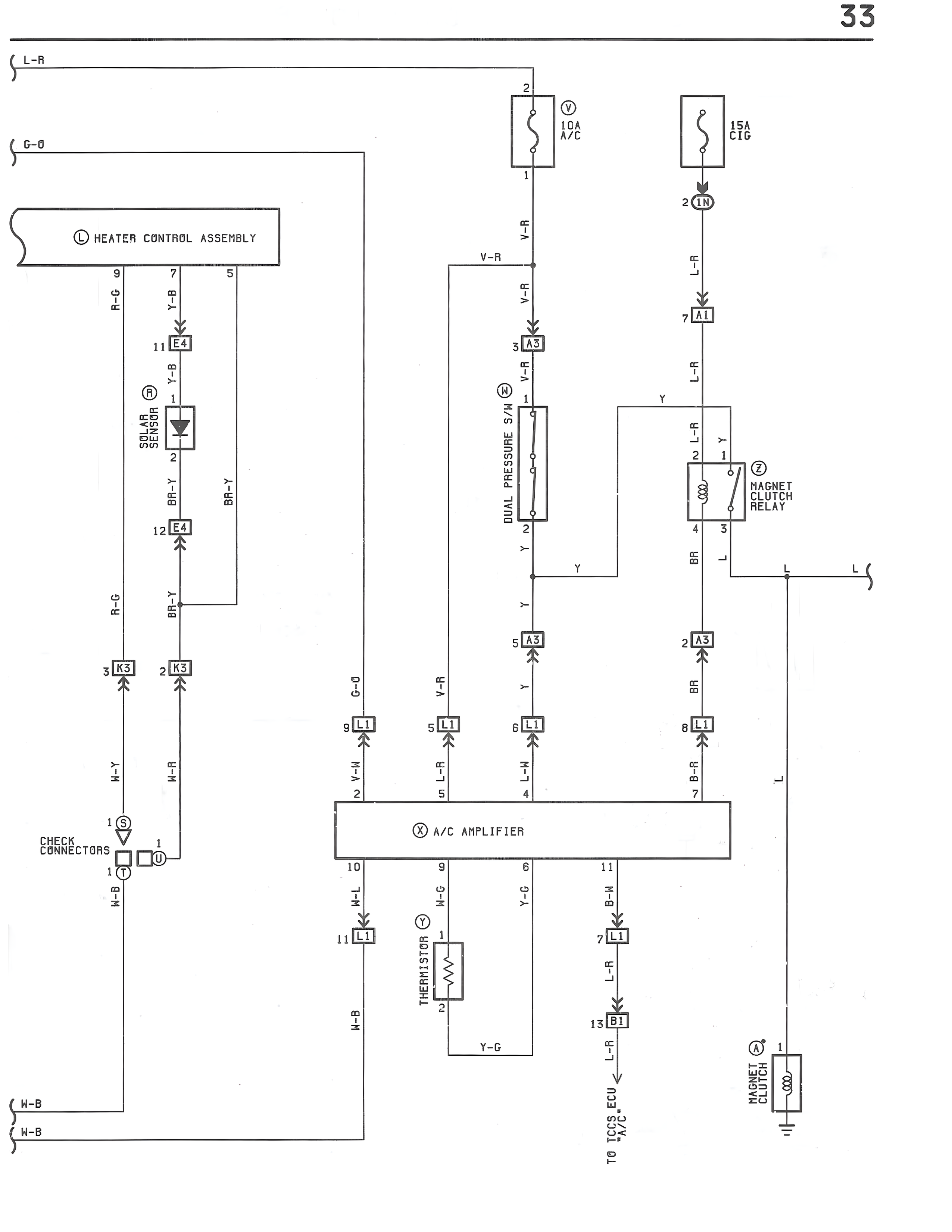
33
L-R
2
⑦
10A
A/C
G-B
15A
CIG
1
2 13
L HEATER CONTROL ASSEMBLY
V-R
9 7 5
L-R
V-R
P-B P-B
7 A1
11 E4
P-B
5 A5
V-R
R 1
P-Wh
N 1
Y
1
V-R
5 DUAL PRESSURE SW.
3
L-R
2
2 1
30 71 ②
MAGNET
CLUTCH
RELAY
Y
4 3
BR-Y BR-Y
12 E4
Y
6
BR
L
L L
2
P-G
Y
5 A5
2 A5
3 K3 2 K3
C-G
V-R
Y
BR
9 L1
5 L1
6 L1
8 L1
V-Y V-R
V-W V-R
V-W
B-R
L
2 5 4 7
1 9
X A/C AMPLIFIER
CHECK
CONNECTORS
1 10
10 9 8 11
V-G
V-W V-G Y-G B-W
1 11
W-B
⑨ 1
THERMISTOR
11 L1
Y
7 L1
V-B
2
L-R
Y-G
13 B1
L-R
N 1
MAGNET
CLUTCH
TO TYPE ECU
VAC.SW.
H-B
H-B