
100%
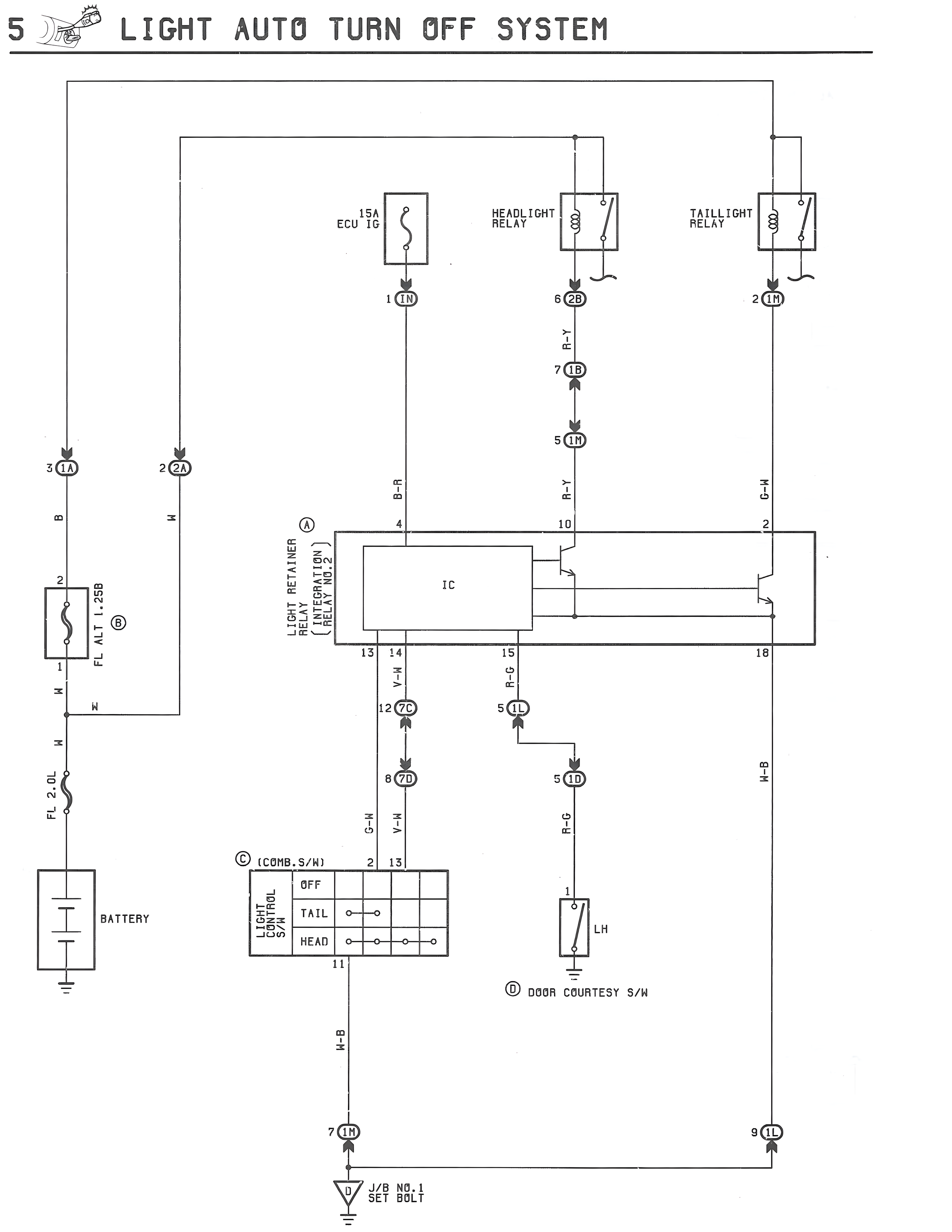
5 LIGHT AUTO TURN OFF SYSTEM
15A
ECU IG
HEADLIGHT
RELAY
TAILLIGHT
RELAY
1 10
6 2B
2 10
R-Y
7 1B
5 10
3 1A
2 2A
B-R
R-Y
R-Y
B
W
4
10
2
LIGHT RETAINER
RELAY (LR/W)(1)(2)
2
IC
FL RLT 25B
B
W
13
14
15
16
N
Y-L
R-B
12 7C
5 1L
W
FL 2GL
R-B
8 7D
5 1D
G-H
Y-L
R-B
C (COMB.S/W)
2
13
OFF
LIGHT
CONTROL
S/W
1
BATTERY
TAIL
o—o
o
LH
HEAD
o—o—o—o
11
D DOOR COURTESY S/W
W-B
7 1D
9 1L
J/B NO.1
SET BOLT