
100%
FROM POWER SOURCE SYSTEM (SEE PAGE 56)
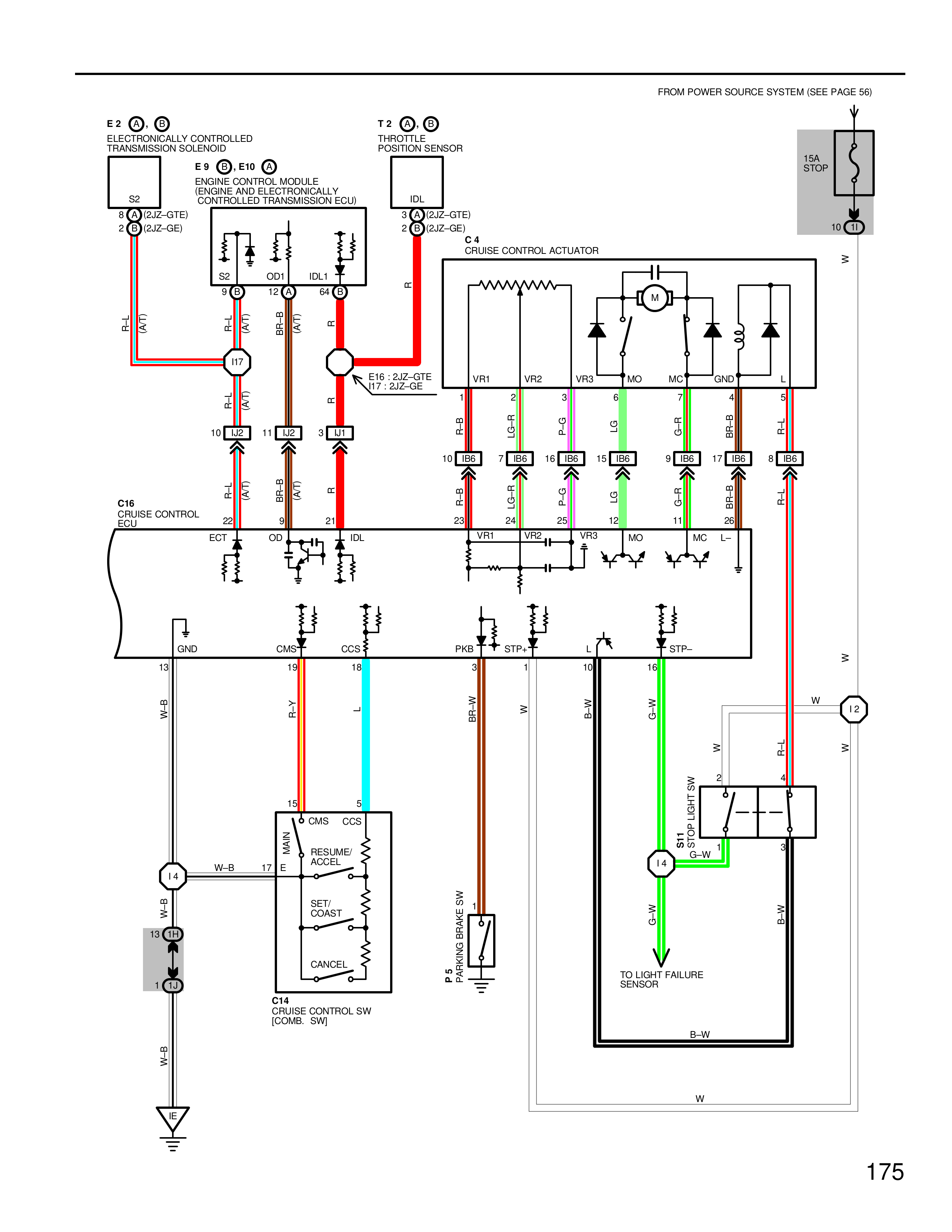
E2 A B
ELECTRONICALLY CONTROLLED TRANSMISSION SOLENOID
E 9 D E10 D
(ENGINE CONTROL MODULE)
(ENGINE AND ELECTRONICALLY CONTROLLED TRANSMISSION ECU)
8 C (2JZ-GTE)
2 B (2JZ-GE)
OD1
7 C 12 A 64 B
B-L
B-Y
B-R
R-L
B-W
IDL
10 L-W 11 L-W 5 L-W
C16
CRUISE CONTROL ECU
22 9 21
ECT OD IDL
GND
13
18
W-B
CMS CCS
18 19
B-Y
L
15 5
CMS CCS
MAIN
RESUME/
ACCEL
E
SET/
COAST
CANCEL
17
14
W-B
18 L1
19 L0
W-B
C14
CRUISE CONTROL SW
(COMB. SW)
T 2 A B
THROTTLE
POSITION SENSOR
IDL
3 A (2JZ-GTE)
2 B (2JZ-GE)
C4
CRUISE CONTROL ACTUATOR
E
VR1 VR2 VR3 MO MC GND
1 2 3 6 7 4 5
B-R LG-R L-G LG G-R B-R R-L
10 B5 7 B5 16 B6 + B6p 9 B5 17 B6 8 B6r
B-R LG-R L-G LG G-R B-R R-L
25 5 25 12 11 26
VR1 VR2 VR3 MO MC L-
PKB STP- L STP-
3 1 11 16
BR-W W W-R G-W
W
12
W
ST1 STOP LIGHT SW
W
1 2 4
L2
W
W
3
G-W
14
TO LIGHT FAILURE
SENSOR
B-W
W
27
P & B BRAKE SW
15A
STOP
10 L1
W
W
W
B-W
175