
100%
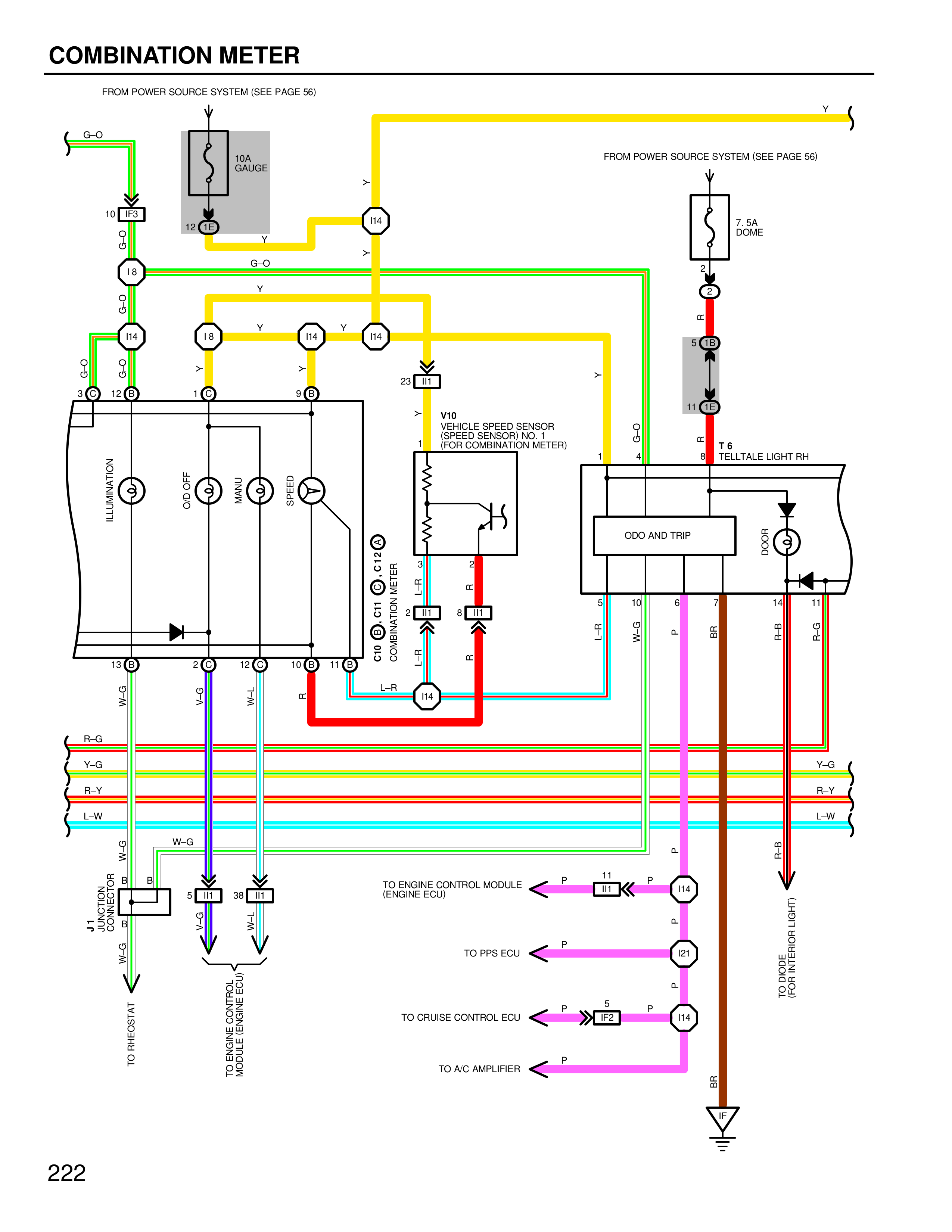
COMBINATION METER
FROM POWER SOURCE SYSTEM (SEE PAGE 56)
G-O
10A GAUGE
10 IG3
12 I2
G
I8
G
I14
3 O 12 O
ILLUMINATION
G-O
GAUGE
INDI
SPEED
13 C 2 C 12 C 10 C 11 C
W-G
V-G
W-L
R
R-G
Y-G
R-Y
L-W
W-G
J1 INSTRUMENT
CLUSTER
CONNECTOR
B
B
5 WM 36 WM
W-G
V
W-L
TO HEADLIGHT
TO ENGINE CONTROL MODULE (ENGINE ECU)
Y
I1
FROM POWER SOURCE SYSTEM (SEE PAGE 56)
5A DOME
5 I5
G
G-O
11 I15
G
4 6
T6
TELLTALE LIGHT RH
DOOR
ODO AND TRIP
5 10 6 7 14
L-R
W-G
P
R-B
Y-G
Y
G-O
Y
I6
Y
I15
I16
Y
23 I17
V10
VEHICLE SPEED SENSOR
(SPEED SENSOR NO. 1
FOR COMBINATION METER)
ODO AND
DIAMETER
COMBINATION METER
3
L-R
6
4 R
8 I18
L-R
I14
6
R
R-G
Y-G
R-Y
L-W
P
T1
P
TO CRUISE CONTROL ECU
I14
5
P2
P
I14
TO A/C AMPLIFIER
P
P
I21
TO ENGINE CONTROL
MODULE (ENGINE ECU)
TO PPS ECU
TO DOME LIGHT
(FOR INTERIOR LIGHT)
R-B
222