
100%
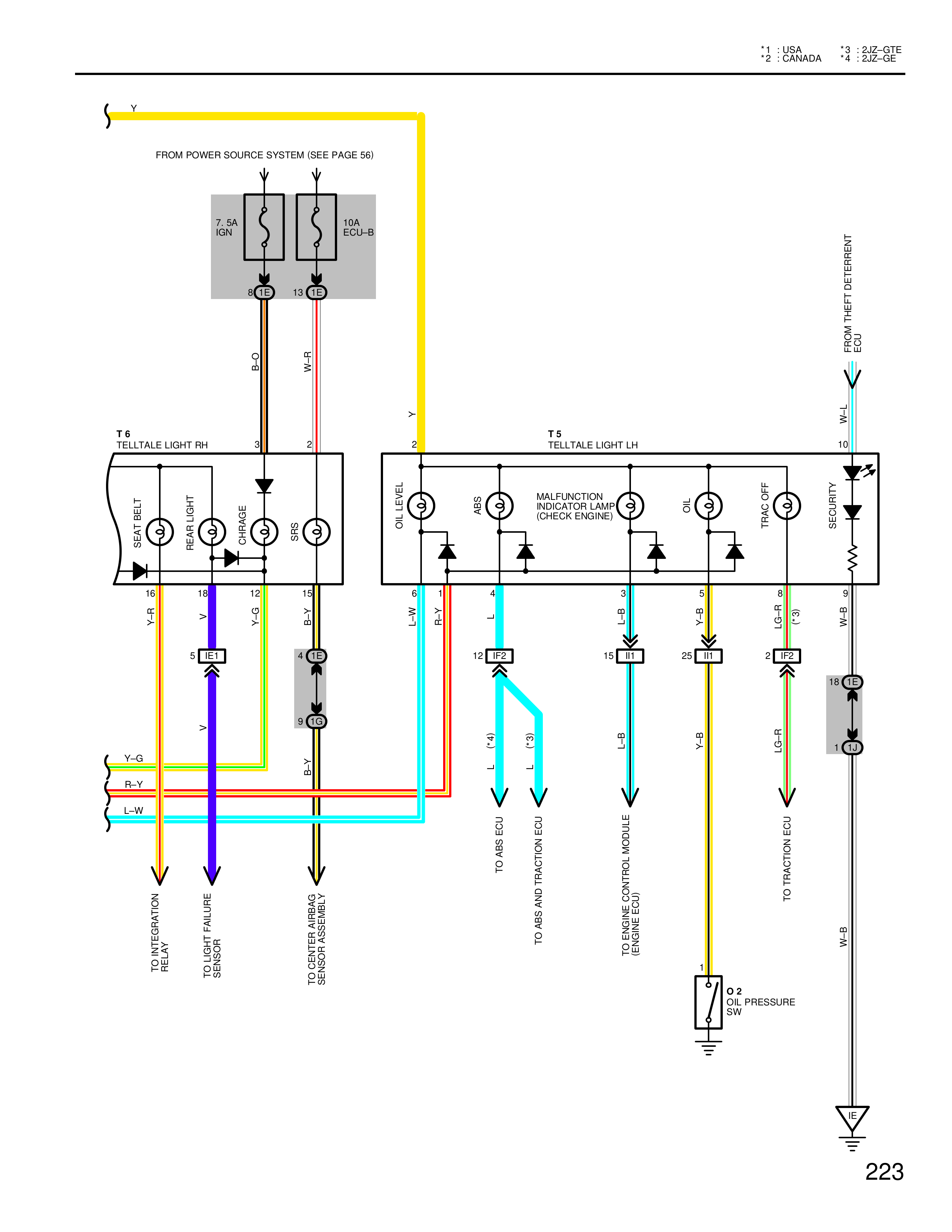
*1 : USA
*2 : CANADA
*3 : 2JZ-GTE
*4 : 2JZ-GE
Y
FROM POWER SOURCE SYSTEM (SEE PAGE 56)
7 E4
IGN
10A
ECU-B
E1
13 E10
B-O
W-R
FROM THEFT DETERRENT ECU
T 6
TELLTALE LIGHT RH
T 5
TELLTALE LIGHT LH
W-L
L0
SEAT BELT
HEAD LIGHT
CHARGE
SRS
3
2
Y
OIL LEVEL
ABS
MALFUNCTION INDICATOR LAMP (CHECK ENGINE)
2L
TRKC OFF
SECURITY
16
18
12
14
Y-L
Y
Y-G
B-Y
6
1
4
3
5
8
9
L-W
R
L
L-B
Y-G
LG-R
TCS
W-R
5 E1
1 E5
12 IF2
15 I1
26 I4
2 IF2
18 I15
9 IG9
Y-G
R-Y
L-W
B-Y
W-L
Y-U
LG-R
1 IO1
TO INTEGRATION RELAY
TO LIGHT FAILURE SENSOR
TO LIGHTER BRAKE SENSOR ASSEMBLY
TO ABS ECU
TO ABS AND TRACTION ECU
TO ENGINE CONTROL MODULE (ENGINE ECU)
TO TRACTION ECU
W-B
O 2
OIL PRESSURE SW
223