
100%
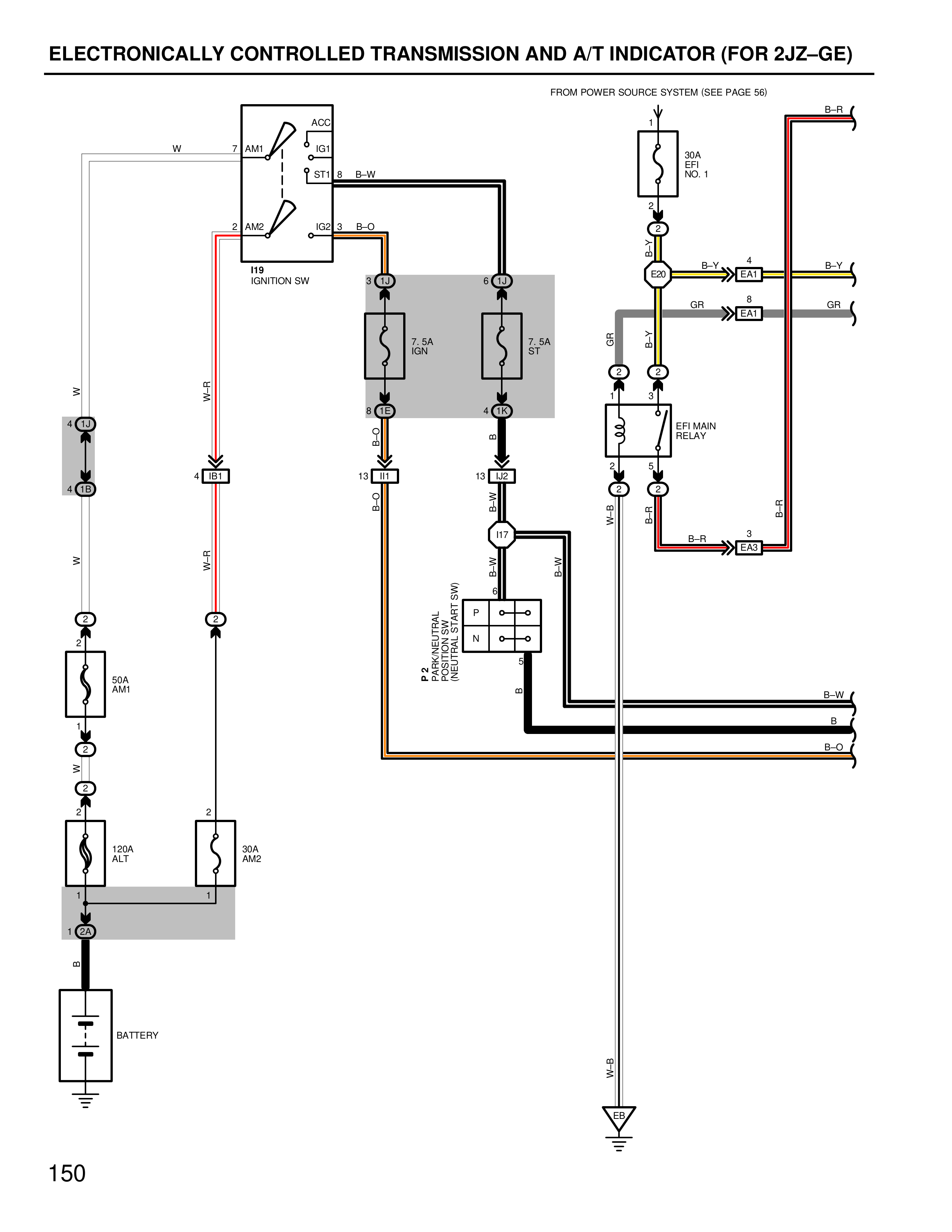
ELECTRONICALLY CONTROLLED TRANSMISSION AND A/T INDICATOR (FOR 2JZ–GE)
FROM POWER SOURCE SYSTEM (SEE PAGE 56)
B–R
ACC
W 7 AM1 IG1
8 ST1 8 B–W
30A
EFI
NO. 1
2 AM2 IG2 3 B–O
E1
H19
IGNITION SW 3 C4 6 C4 B–Y 4 EA1 B–Y
7.5A 7.5A
IGN IGN GR EA1 GR
GR
8 C5 4 C1
B–O B–O
3 4
EFI MAIN
RELAY
4 M21 15 M1 15 M2 3 5
B–O B–O W–B B–R
W W–R
H7
B–W
W
P P
P A/T ECT SW
IGNITION SW N
W
SHIFT/LOCK SW
B
B–W
50A
AM1 B
B–O
W
B–R
30A
120A AM2
ALT
B
B
1 C20
BATTERY
W–B
150