
100%
3 SUPRA (Cont. d)
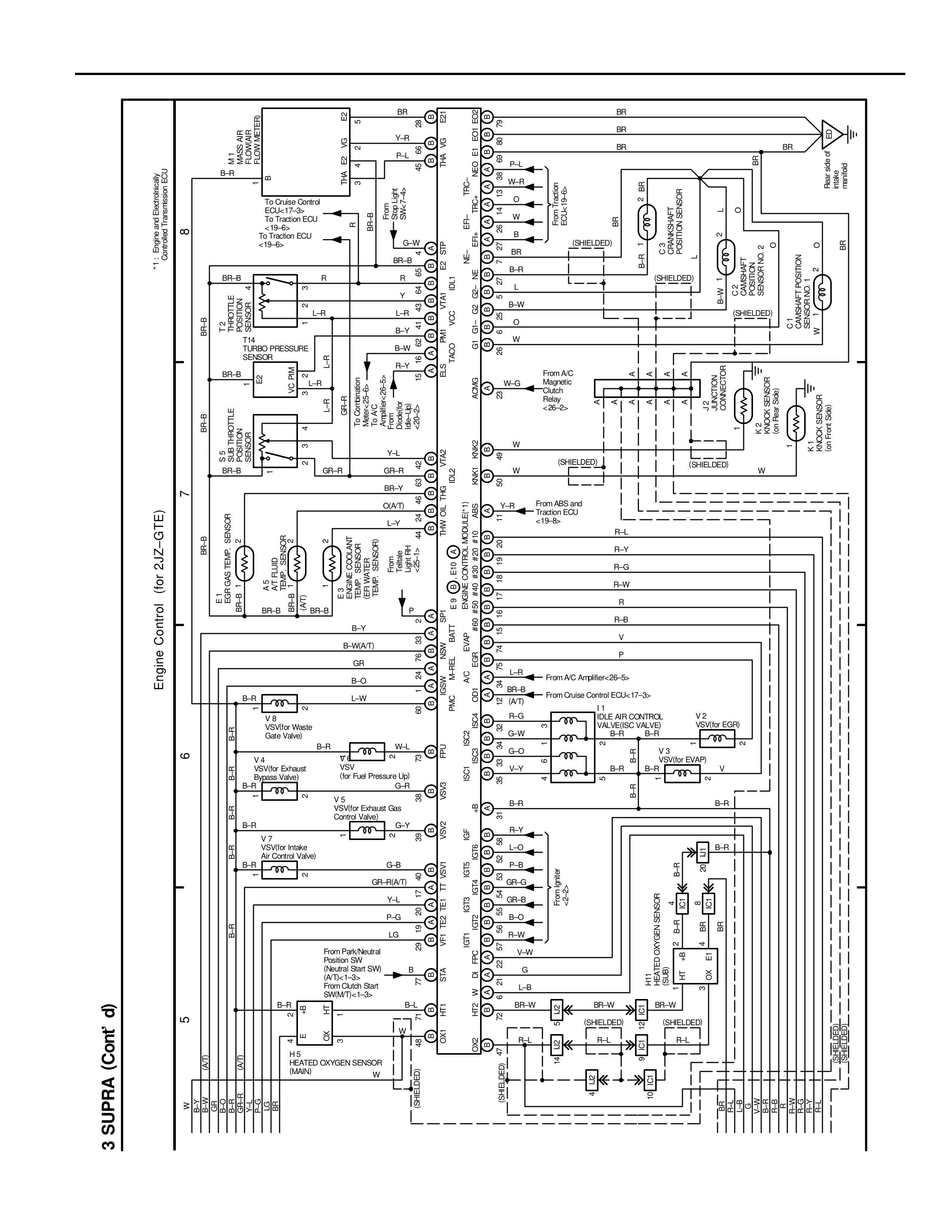
Engine Control (for 2JZ-GTE)
5
6
7
8
E1
E01
EFI RELAY
BR-B
E03
STARTER
SRP-GRP
BR-B
E04
OIL PRESSURE SENSOR
BR-B
S4
THROTTLE POSITION SENSOR
BR-B
BR-B
SRP-GRP
E2
E3
BR-B
BR
R
L-B
L-R
B-Y
B-W
R-Y
To Cruise Control ECU (2JZ-GTE) <19.6>
To Traction ECU <19.6>
BR
BR-B
G-W
G
L-B
B-Y
B-W
R-Y
DLC1
DLC2
DLC3
BR
TC
VC
STA
BR
TW
W
B-W
TH
TURBO PRESSURE SENSOR
L-B
B-W
Water Temp. Sensor
To Combination Meter <27.6>
Ambient Temp. Sensor <23>
PS
IGSW
GR-R
GR-R
Y-R
+B
BRI-Y
OA/T1
L-Y
10
11
12
E1
E2
E3
EFI
E03
NEUTRAL START SWITCH
BR-B
CR
KNOCK SENSOR 1
BR-B
KNOCK SENSOR 2
+B
BR
P-L
W-R
BR-B
BR
B-R
P-L
BR
BR
BR
VF1
VSVfor EGR
BR-R
+B
IG
BR-B
(SHIELDED)
BR-R
(SHIELDED)
(SHIELDED)
BR
From A/C Magnetic Clutch Relay <6.3>
W-G
BR
W
(SHIELDED)
(SHIELDED)
W
AC
MAG
A
A
A
A
A
A/C AMPLIFIER
V-2
EGR Gas Temp. Sensor
BR
CONNECTOR CASSIDE
LH FRONT DOOR
C
B-W
BR
SENSOR-
COOLANT TEMP.
BR-B
SENSOR-
OXYGEN
NO.2 (RH)
A/C
KCK
SW
V-1
P/S Oil Pressure SW
From Rear Junction Block <19.6>
Traction ECU <19.6>
R-L
B-Y
R-G
R-W
R
R-B
P
P
L-B
From A/C Amplifier <6.3>
R-B
From Cruise Control ECU(2JZ-GTE) <19.6>
(A/T)
R-G
G-W
G-O
V-Y
V.1 AIR CONTROL
VALVEVSVfor VVT-I
B-R
V.2
VSVfor EGR
V.3
VSVfor EVAP
B-R
B-R
V
B-R
B-R
B-R
B-R
B-Y
L-O
P-B
GR-B
GR-B
GR-B
B-O
R-W
V-W
G
L-B
BR-W
From Fuel Pressure Up VSVfor Fuel Pressure Up
BR-R
W-L
V.4
VSVfor Exhaust Gas Control Valve
B-R
V.5
VSVfor Exhaust Gas Control Valve
G-Y
B-R
V.6
VSVfor Intake Air Control Valve
B-R
G-B
GR-R(A/T)
Y-L
R-G
L-G
From Port Solenoid
Position SW
Neutral Start SW(A/T) <11.6>
From Clutch Start SW(M/T) <1.3>
B
P
P-L
B-R
W
B-R
HEATED OXYGEN SENSOR
NO.1 (RH)
W
HTR
IG
VF3
HTR
+B
VF2
IGNITER
IGF
IGT
HTR
IGD
HTR
INJ
BR-R
BR
BR-W
R-L
(SHIELDED)
R-L
(SHIELDED)
INJ
VF4
BR-B
TC
B-R
B-R
B-R
BR
B-R
BR
BR
BR
FROM ECU
From <3>
V.6
VSVfor Waste Gate Valve
B-R
VSVfor Intake Air Control Valve
B-R
E12