
100%
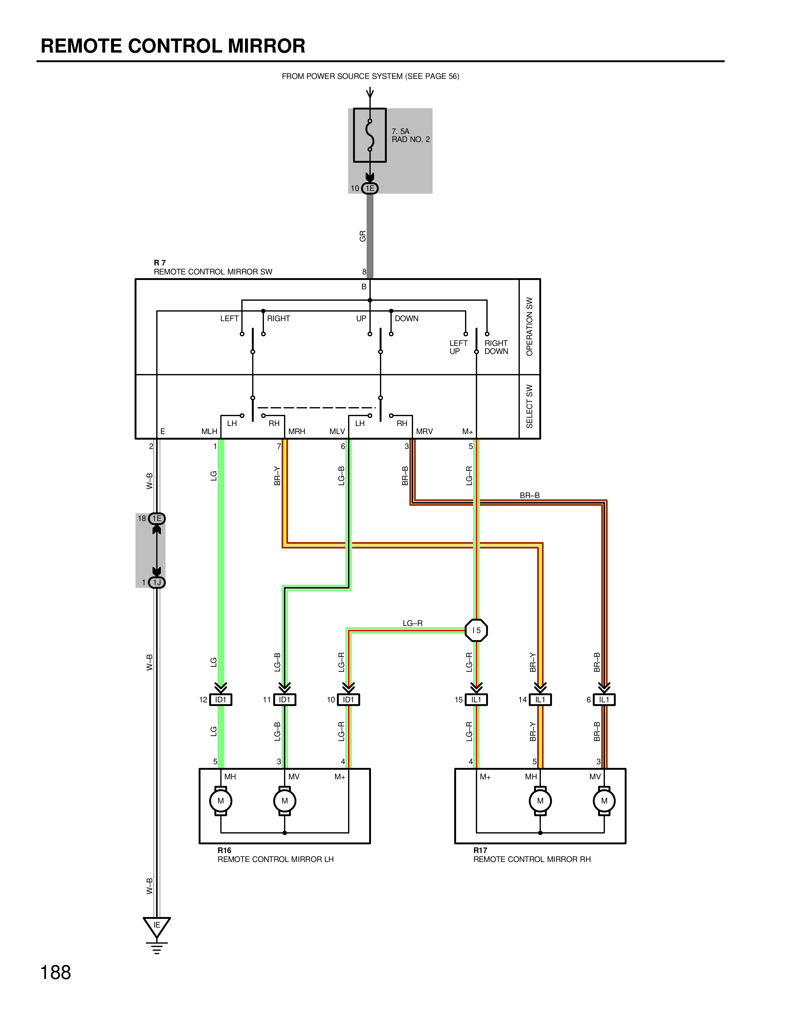
REMOTE CONTROL MIRROR
FROM POWER SOURCE SYSTEM (SEE PAGE 56)
7.5A
RAD NO. 2
10
B
R7
REMOTE CONTROL MIRROR SW
8
B
LEFT
RIGHT
UP
DOWN
LEFT
UP
RIGHT
DOWN
OPERATION SW
SELECT SW
E
MLH
LH
RH
MRH
MLV
LH
RH
MRV
M+
2
1
7
6
3
5
W-B
LG
B-Y
LG-B
B-B
LG-R
BR-B
18
1
LG
W-B
LG
B
LG-R
LG-R
B-Y
B-B
12
ID1
11
ID1
10
ID1
15
IL1
14
IL1
6
ID1
LG
B
LG-R
LG-R
B-Y
B-B
5
3
4
4
5
3
MH
MV
M+
M+
MH
MV
M
M
M
M
R16
REMOTE CONTROL MIRROR LH
R17
REMOTE CONTROL MIRROR RH
W-B
188