
100%
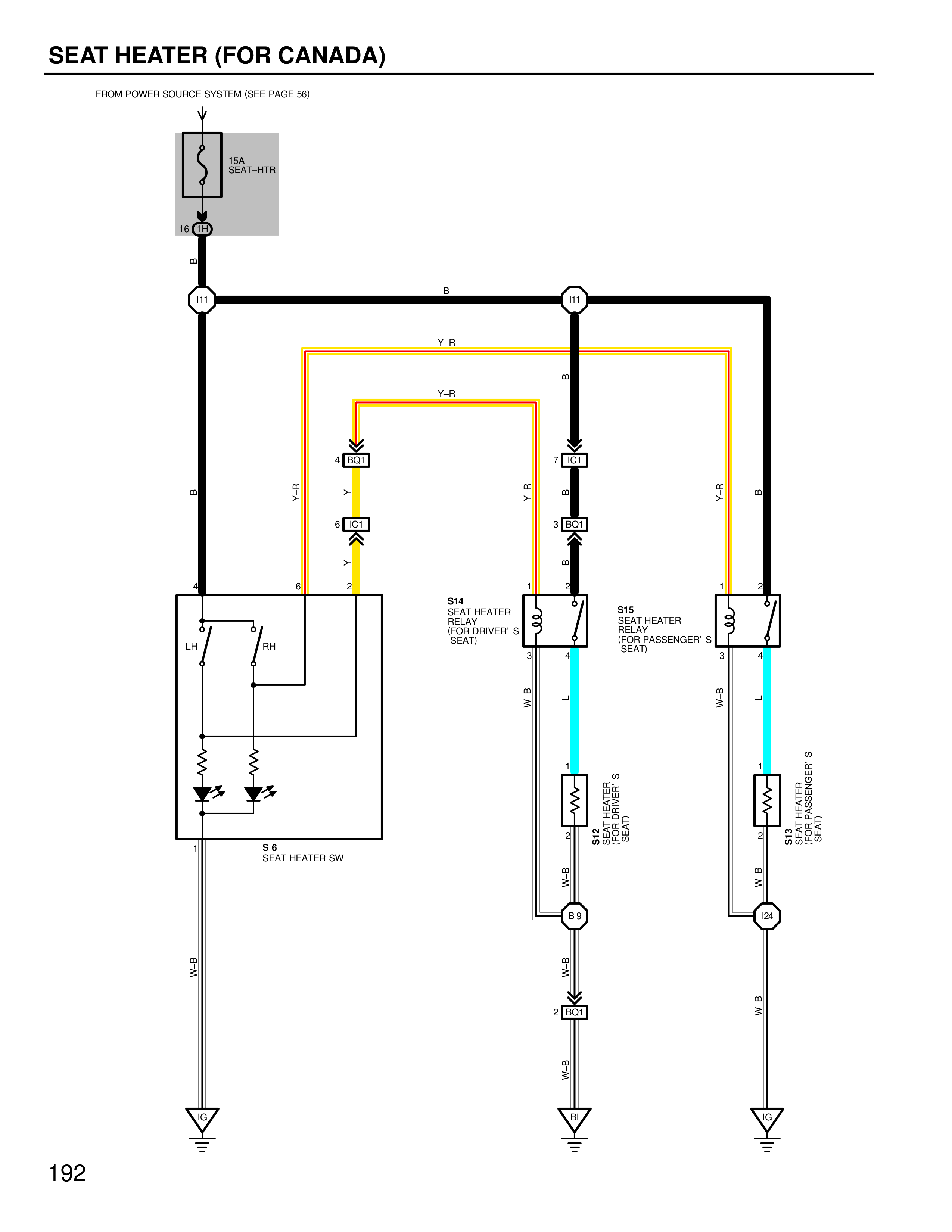
SEAT HEATER (FOR CANADA)
FROM POWER SOURCE SYSTEM (SEE PAGE 56)
15A
SEAT-HTR
16 D4
B
I11
B
I11
Y-R
B
Y-R
4 D-1
7 D-1
Y-R
Y-R
B
6 D-1
3 D-1
Y
B
B
2
S14
SEAT HEATER
RELAY
(FOR DRIVER S
SEAT)
6
S15
SEAT HEATER
RELAY
(FOR PASSENGER S
SEAT)
6
LH
RH
1
2
3
4
3
4
W-B
W-B
S6
SEAT HEATER SW
1
SH 4
SEAT HEATER
(FOR DRIVER'S
SEAT)
W-B
SH 5
SEAT HEATER
(FOR PASSENGER'S
SEAT)
W-B
2
2
B3
B2
W-B
W-B
W-B
2 D-1
W-B
192